Студопедия

Главная страница Случайная страница

КАТЕГОРИИ:

АвтомобилиАстрономияБиологияГеографияДом и садДругие языкиДругоеИнформатикаИсторияКультураЛитератураЛогикаМатематикаМедицинаМеталлургияМеханикаОбразованиеОхрана трудаПедагогикаПолитикаПравоПсихологияРелигияРиторикаСоциологияСпортСтроительствоТехнологияТуризмФизикаФилософияФинансыХимияЧерчениеЭкологияЭкономикаЭлектроника






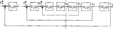
Обобщенная схема многоконтурной системы подчиненного регулирования






В основе построения систем подчиненного регулирования (СПР) лежит определенное структурное представление объекта регулирования, т.е. силовой части электропривода. Обобщенная структурная схема многоконтурной СПР представлена на рис. 2.1.

Регулирующая часть | Силовая часть Рис. 27. Обобщенная структурная схема многоконтурной системы подчиненного регулирования

 

Объект регулирования представлен в виде цепи последовательно соединенных звеньев направленного действия, передаточные функции которых обозначены как

i=1, ……n

где n - количество звеньев модели объекта.

Разбиение модели объекта на звенья производится с таким расчетом, чтобы выходными величинами звеньев X1,... Хn оказались физические величины, представляющие интерес с точки зрения регулирования и контроля (ток якоря, скорость вращения двигателя, угол поворота вала и т.д.).

Регулирующая часть системы починенного регулирования строится следующим образом.


1. На входе объекта регулирования (или же на выходе регулирующей части) устанавливается фильтр, ограничивающий полосу пропускания системы и обеспечивающий ее помехозащищенность. Передаточная функция этого фильтра обычно представляется в виде:

 

 

где - называется базовой или некомпенсируемой постоянной

времени системы подчиненного регулирования.

2.. Для каждой из регулируемых величин X1,...Xn

предусматривается замкнутая САР с регулированием по отклонению. Каждая САР снабжена индивидуальным регулятором, передаточная функция которого обозначается как

Таким образом, количество регуляторов СПР равно количеству регулируемых величин объекта.

Для формирования сигнала обратной связи в каждой из САР предусматривается датчик соответствующей регулируемой величины, передаточную функцию которого обозначим как

В первом рассмотрении примем

=1

г.е. будем рассматривать систему с идеализированными датчиками, обеспечивающими безынерционные единичные обратные связи. Вопросы учета не идеальности датчиков будут служить предметом отдельного анализа, развивающего исходные принципиальные положения теории построения СПР.

3. Подобно звеньям объекта регуляторы соединяются между собой последовательно, но в обратном порядке по отношению к порядку связи звеньев объекта. Сигналы задания для каждой из регулируемых величин Х1..., Xn обозначены соответственно X1*……Xn*. Каждый последующий (по мере возрастания номера) регулятор вырабатывает задание для предыдущего регулятора. Так как в структуре САР можно выделить ряд последовательно вложенных друг в друга контуров, то общее название этих систем - многоконтурныс системы подчиненного регулирования.

Вследствие последовательной подчиненности регуляторов и образуемых с их помощью локальных САР регулируемые величины не равноценны между собой. Основной (главной) из них является величина х„, процессу регулирования которой подчиняются процессы регулирования всех остальных величин.


Поделиться с друзьями:

mylektsii.su - Мои Лекции - 2015-2026 год. (1.785 сек.)Все материалы представленные на сайте исключительно с целью ознакомления читателями и не преследуют коммерческих целей или нарушение авторских прав Пожаловаться на материал