Студопедия

Главная страница Случайная страница

КАТЕГОРИИ:

АвтомобилиАстрономияБиологияГеографияДом и садДругие языкиДругоеИнформатикаИсторияКультураЛитератураЛогикаМатематикаМедицинаМеталлургияМеханикаОбразованиеОхрана трудаПедагогикаПолитикаПравоПсихологияРелигияРиторикаСоциологияСпортСтроительствоТехнологияТуризмФизикаФилософияФинансыХимияЧерчениеЭкологияЭкономикаЭлектроника






Ход работы. 1. Изучите ГОСТ 2. 710-81 «обозначения буквенно-цифровые в электрических схемах», ГОСТ 2. 721-74 «обозначения условные графические в схемах






1. Изучите ГОСТ 2.710-81 «Обозначения буквенно-цифровые в электрических схемах», ГОСТ 2.721-74 «Обозначения условные графические в схемах. Обозначения общего применения», ГОСТ 2.723-68* «Катушки индуктивности, дроссели, трансформаторы, автотрансформаторы и магнитные усилители».

2. Выполните принципиальные схемы и схемы включения измерительных трансформаторов:

а) трансформаторов тока;

б) трансформаторов напряжения.

Рис.15. Принципиальная схема и схема включения трансформатора тока

Рис.16. Принципиальная схема и схема включения трансформатора напряжения

 

3. Объясните условные графические и буквенные обозначения в электрических схемах. Прочитайте принципиальные схемы.

 

4. Контрольные вопросы

1. Для чего предназначены измерительные трансформаторы?

2. Объясните, чем отличаются схемы включения трансформаторов тока от схем включения трансформаторов напряжения?

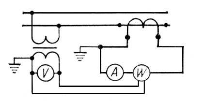
Рис.17. Схемы включения измерительных трансформаторов

 

3. Как обозначаются в электрических схемах трансформаторы тока и трансформаторы напряжения?

4. Какие измерительные приборы включаются во вторичную обмотку трансформатора тока и трансформатора напряжения?

Список литературы

1. Камнев, В.Н. Чтение схем и чертежей электроустановок: Учеб. пособие для сред. проф. образования – 2-е изд., стер. – М.: Высшая школа 2008. – 144 с.: ил. (Глава 2, §5).


Поделиться с друзьями:

mylektsii.su - Мои Лекции - 2015-2026 год. (2.904 сек.)Все материалы представленные на сайте исключительно с целью ознакомления читателями и не преследуют коммерческих целей или нарушение авторских прав Пожаловаться на материал