Студопедия

Главная страница Случайная страница

КАТЕГОРИИ:

АвтомобилиАстрономияБиологияГеографияДом и садДругие языкиДругоеИнформатикаИсторияКультураЛитератураЛогикаМатематикаМедицинаМеталлургияМеханикаОбразованиеОхрана трудаПедагогикаПолитикаПравоПсихологияРелигияРиторикаСоциологияСпортСтроительствоТехнологияТуризмФизикаФилософияФинансыХимияЧерчениеЭкологияЭкономикаЭлектроника






Ход работы. 1. Изучите ГОСТ 2. 710-81 «обозначения буквенно-цифровые в электрических схемах», ГОСТ 2. 721-74 «обозначения условные графические в схемах






1. Изучите ГОСТ 2.710-81 «Обозначения буквенно-цифровые в электрических схемах», ГОСТ 2.721-74 «Обозначения условные графические в схемах. Обозначения общего применения», ГОСТ 2.723-68* «Катушки индуктивности, дроссели, трансформаторы, автотрансформаторы и магнитные усилители», ГОСТ 2.725-68* «Устройства коммутирующие».

2. Выполните принципиальные схемы электроснабжения и прочитайте их.

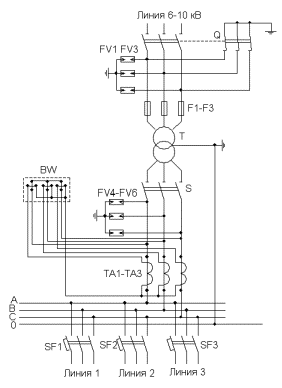
Рис.22. Принципиальная схема вторичных цепей

Рис.22. Принципиальная схема электроснабжения электроустановки

Рис.23. Принципиальная схема электроснабжения

Контрольные вопросы

1. Для чего предназначены трансформаторы?

2. Объясните, какие трансформаторы изображены на принципиальных схемах.

3. Объясните условные графические и буквенные обозначения в электрических схемах электроснабжения, прочитайте схему (рис. 23).

Список литературы

1. Камнев, В.Н. Чтение схем и чертежей электроустановок: Учеб. пособие для сред. проф. образования – 2-е изд., стер. – М.: Высшая школа 2008. – 144 с.: ил. (Глава 5, §2).

2. Стандарты ЕСКД по правилам выполнения чертежей и схем: ГОСТ 2.710-81 «Обозначения буквенно-цифровые в электрических схемах».


Поделиться с друзьями:

mylektsii.su - Мои Лекции - 2015-2026 год. (1.627 сек.)Все материалы представленные на сайте исключительно с целью ознакомления читателями и не преследуют коммерческих целей или нарушение авторских прав Пожаловаться на материал