Студопедия

Главная страница Случайная страница

КАТЕГОРИИ:

АвтомобилиАстрономияБиологияГеографияДом и садДругие языкиДругоеИнформатикаИсторияКультураЛитератураЛогикаМатематикаМедицинаМеталлургияМеханикаОбразованиеОхрана трудаПедагогикаПолитикаПравоПсихологияРелигияРиторикаСоциологияСпортСтроительствоТехнологияТуризмФизикаФилософияФинансыХимияЧерчениеЭкологияЭкономикаЭлектроника






Схемы включения транзистора






Любой усилитель, независимо от частоты, содержит от одного до нескольких каскадов усиления. Для того, чтобы иметь представление по схемотехнике транзисторных усилителей, рассмотрим более подробно их принципиальные схемы.

Транзисторные каскады, в зависимости от вариантов подключения транзисторов, подразделяются на:

1 Каскад с общим эмиттером (на схеме показан каскад с фиксированным током базы - это одна из разновидностей смещения транзистора).

2 Каскад с общим коллектором

3 Каскад с общей базой

Каскад с общим эмиттером обладает высоким усилением по напряжению и току. К недостаткам данной схемы включения можно отнести невысокое входное сопротивление каскада (порядка сотен ом), высокое (порядка десятков Килоом) выходное сопротивление. Отличительная особенность - изменение фазы входного сигнала на 180 градусов (то есть - инвертирование). Благодаря высокому коэффициенту усиления схема с ОЭ имеет преимущественное применение по сравнению с ОБ и ОК.

Рассмотрим работу каскада подробнее: при подаче на базу входного напряжения - входной ток протекает через переход " база-эмиттер" транзистора, что вызывает открывание транзистора и, в следствии этого, увеличение коллекторного тока. В цепи эмиттера транзистора протекает ток, равный сумме тока базы и тока коллектора. На резисторе в цепи коллектора, при прохождении через него тока, возникает некоторое напряжение, величиной значительно превышающей входное. Таким образом происходит усиление транзистора по напряжению. Так как ток и напряжение в цепи - величины взаимосвязанные, аналогично происходит и усиление входного тока.

Схема с общим коллектором обладает высоким входным и низким выходным сопротивлениями. Коэффициент усиления по напряжению этой схемы всегда меньше 1. Входное сопротивление каскада с ОК зависит от сопротивления нагрузки (Rн) и больше его (приблизительно) в Н21э раз. (Величина " Н21э" - это статический коэффициент усиления данного экземпляра транзистора, включенного по схеме с Общим Эмиттером). Данная схема используется для согласования каскадов, либо в случае использования источника входного сигнала с высоким входным сопротивлением. В качестве такого источника можно привести, например, пьезоэлектрический звукосниматель или конденсаторный микрофон. Схема с ОК не изменяет фазы входного сигнала. Иногда такую схему называют Эмиттерным повторителем.

Схема включения транзистора с общей базой используется преимущественно в каскадах усилителей высоких частот. Усиление каскада с ОБ обеспечивает усиление только по напряжению. Данное включение транзистора позволяет более полно использовать частотные характеристики транзистора при минимальном уровне шумов. Что такое частотная характеристика транзистора? Это - способность транзистора усиливать высокие частоты, близкие к граничной частоте усиления, Эта величина зависит от типа транзистора. Более высокочастотный транзистор способен усиливать и более высокие частоты. С повышением рабочей частоты, коэффициент усиления транзистора понижается. Если для построения усилителя использовать, например, схему с общим эмиттером, то при некоторой (граничной) частоте каскад перестает усиливать входной сигнал. Использование этого - же транзистора, но включенного по схеме с общей базой, позволяет значительно повысить граничную частоту усиления. Каскад, собранный по схеме с общей базой, обладает низким входным и невысоким выходнымсопротивлениями (эти параметры очень хорошо согласуются при работе в антенных усилителях с использованием так называемых " коаксиальных" несимметричных высокочастотных кабелей, волновое сопротивление которых как правило не превышает 100 ом). Если сравнивать величины сопротивлений для каскада с ОЭ и ОБ, то входное сопротивление каскада с ОБ в (1+Н21э) раз меньше, чем с ОЭ, а выходное в (1+Н21э) раз больше.Каскад с ОБ не изменяет фазы входного сигнала.

В практике радиолюбителя иногда приходится использовать параллельное включение транзисторов для увеличения выходной мощности (коллекторного тока). Один из вариантов данного включения приведен ниже:

При таком включении нужно стремиться использовать транзисторы с близкими параметрами Вст. Транзисторы большой мощности при этом должны устанавливаться на один теплоотвод. Для дополнительного выравнивания токов в данной схеме в цепях эмиттеров применены резисторы. Сопротивление резисторов следует выбирать исходя из падения напряжения на них (в интервале рабочих токов) около 1 вольта (или, по крайней мере, - не менее 0, 7 вольта). Данная схема должна применяться с большой осторожностью, так как даже транзисторы одного типа и из одной партии выпуска имеют очень большой разброс по параметрам. Выход из строя одного из транзисторов неизбежно приведет к выходу из строя и других транзисторов в цепочке... При параллельном включении двух транзисторов максимальный суммарный ток коллектора не должен превышать 1, 6-1, 7 от предельного тока коллектора одного из транзисторов! Количество транзисторов, включенных по этой схеме может быть сколько угодно большим - все зависит от целесообразности...

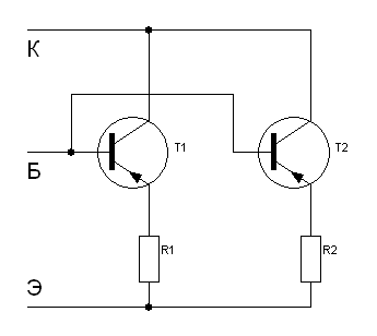
В радиолюбительской практике иногда необходим транзистор с проводимостью, отличной от имеющегося (например - в выходном каскаде УЗЧ и проч.). Выйти из положения позволяет схема включения, приведенная ниже:

В данном каскаде используется как правило маломощный транзистор VT1 необходимой проводимости, транзистор VT2 необходимой мощности, но другой проводимости. Данный каскад (в частности) эквивалентен транзистору с проводимостью N-P-N большой мощности с высоким коэффициентом передачи тока базы (h21Э). Если мы используем в качестве VT1, VT2 транзисторы противоположной проводимости - получим мощный составной транзистор с проводимостью P-N-P.

Если в данной схеме применить транзисторы одной структуры - получим так называемый Составной транзистор. Такое включение транзисторов называют Схемой Дарлингтона. Промышленность выпускает такие транзисторы в одном корпусе. Существуют как маломощные (типа КТ3102 и т.п.) так и мощные (например - КТ825) составные транзисторы.

Инверсное включение используется редко, например, в схемах двуна- правленных переключателей, при этом транзисторы должны иметь сим- метричные свойства в обоих направлениях.

– Инверсное включение – когда на эмиттерный переход подано обратное напря- жение, на коллекторный – прямое. Передача тока при этом значительно хуже, чем при нормальном включении, во-первых, из-за того, что коллектор легирован слабее, во- вторых, размеры эмиттера меньше, чем коллектора, и только часть зарядов попадает в эмиттер.

 

Вопрос


Поделиться с друзьями:

mylektsii.su - Мои Лекции - 2015-2026 год. (2.433 сек.)Все материалы представленные на сайте исключительно с целью ознакомления читателями и не преследуют коммерческих целей или нарушение авторских прав Пожаловаться на материал