Студопедия

Главная страница Случайная страница

КАТЕГОРИИ:

АвтомобилиАстрономияБиологияГеографияДом и садДругие языкиДругоеИнформатикаИсторияКультураЛитератураЛогикаМатематикаМедицинаМеталлургияМеханикаОбразованиеОхрана трудаПедагогикаПолитикаПравоПсихологияРелигияРиторикаСоциологияСпортСтроительствоТехнологияТуризмФизикаФилософияФинансыХимияЧерчениеЭкологияЭкономикаЭлектроника






Расчет механизма передвижения тележки






ВЫБОР КИНЕМАТИЧЕСКОЙ СХЕМЫ

Рисунок 2.1 - Кинематическая схема механизма передвижения тележки

 

Механизм передвижения тележки предполагается выполнить по кинематической схеме (рисунок 2.1). Для передачи крутящего момента от двигателя 1 к приводным колесам 5 использован вертикальный редуктор 4 типа ВКН. Вал двигателя соединен с быстроходным валом редуктора втулочно-пальцевой муфтой 3, на одной половине которой установлен колодочный тормоз 2 с электрогидротолкателем.

РАСЧЕТ СОПРОТИВЛЕНИЯ ПЕРЕДВИЖЕНИЮ ТЕЛЕЖКИ

Сопротивление передвижению тележки с номинальным грузом при установившемся режиме работы определяется по формуле:

(2.1)

где: Q – вес номинально поднимаемого груза, Q = 15000 кг,

- собственный вес грузоподъемной тележки, =5000 кг [2, рисунок 42],

- диаметр ходового колеса тележки, =250-320 мм [2, таблица 25],

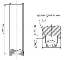
Принимаем: двухребордные колеса (рисунок 2.2) с цилиндрическим профилем обода диаметром =320 мм [2, приложение 52] с шириной рабочей дорожки 80 мм (ГОСТ 3569-60),

Рисунок 2.2 – Двухребордное колесо

 

- диаметр цапфы,

Принимаем:

f – коэффициент трения в подшипниках колес, f = 0, 015 (подшипники выбираем сферические двухрядные) [2, таблица 26],

- коэффициент трения качения колеса по плоскому рельсу, = 0, 03 см (колеса изготовленные из стали 65Г (ГОСТ 1050-60), твердость поверхности катания НВ=300…350) [2, таблица 27],

- коэффициент, учитывающий сопротивление от трения реборд колес о рельсы и от трения токосъемников о троллеи, [2, таблица 28],

- сопротивление передвижению от уклона пути:

(2.2)

где: - расчетный уклон подкранового пути, (для подтележечных путей мостового крана),

- сопротивление передвижению от действия ветровой нагрузки, = 0 (краны, работающие в закрытых помещениях),

 


Поделиться с друзьями:

mylektsii.su - Мои Лекции - 2015-2026 год. (1.058 сек.)Все материалы представленные на сайте исключительно с целью ознакомления читателями и не преследуют коммерческих целей или нарушение авторских прав Пожаловаться на материал