Главная страница
Случайная страница
КАТЕГОРИИ:
АвтомобилиАстрономияБиологияГеографияДом и садДругие языкиДругоеИнформатикаИсторияКультураЛитератураЛогикаМатематикаМедицинаМеталлургияМеханикаОбразованиеОхрана трудаПедагогикаПолитикаПравоПсихологияРелигияРиторикаСоциологияСпортСтроительствоТехнологияТуризмФизикаФилософияФинансыХимияЧерчениеЭкологияЭкономикаЭлектроника
|
Приложение 1. Энтальпии продуктов сгорания ( -таблица). t, 0С I0.г I0.в Топка и фестон
(обязательное)
Энтальпии продуктов сгорания ( -таблица).
|
t,
0С
| I0.г
| I0.в
|
| | Топка и фестон
| КПП II
| КПП I
| ВЭК
| ВП
| | α ˝ т
|
|
|
|
| | I
| I
| I
| I
| I
| |
| 1465, 051
| 1252, 803
| 1502, 635
| 1540, 219
| 1521, 427
| 1640, 443
| 1715, 611
| |
| 2958, 998
| 2520, 711
| 3034, 619
| 3110, 241
| 3072, 43
| 3311, 898
| 3463, 14
| |
| 4495, 03
| 3804, 669
| 4609, 17
| 4723, 31
| 4666, 24
| 5027, 683
| 5255, 963
| |
| 6064, 512
| 5116, 949
| 6218, 021
| 6371, 529
| 6294, 775
| 6780, 885
| 7087, 902
| |
| 7679, 206
| 6466, 993
| 7873, 216
| 8067, 226
| 7970, 221
| 8584, 585
| 8972, 605
| |
| 9335, 972
| 7835, 918
| 9571, 05
| 9806, 127
| 9688, 589
|
| 10903, 16
| |
| 11033, 98
| 9242, 607
| 11311, 26
| 11588, 53
| 11449, 9
| 12327, 94
| 12882, 5
| |
| 12762, 62
| 10658, 74
| 13082, 38
| 13402, 14
| 13242, 26
| 14254, 84
| 14894, 36
| |
| 14534, 64
| 12112, 63
| 14898, 02
| 15261, 4
| 15079, 71
| 16230, 41
| 16957, 17
| |
| 16335, 32
| 13575, 96
| 16742, 6
| 17149, 87
| 16946, 24
| 18235, 95
| 19050, 51
| |
| 18154, 71
| 15058, 18
| 18606, 45
| 19058, 2
| 18832, 33
| 20262, 85
| 21166, 35
| |
| 20006, 2
| 16559, 28
| 20502, 98
| 20999, 76
| 20751, 37
| 22324, 5
| 23318, 06
| |
| 21824, 62
| 18069, 82
| 22366, 72
| 22908, 81
| 22637, 77
| 24354, 4
| 25438, 59
| |
| 23711, 21
| 19599, 24
| 24299, 18
| 24887, 16
| 24593, 17
| 26455, 1
| 27631, 05
| |
| 25617, 98
| 21138, 1
| 26252, 12
| 26886, 26
| 26569, 19
| 28577, 31
| 29845, 6
| |
| 27540, 64
| 22686, 4
| 28221, 23
| 28901, 82
| 28561, 53
| 30716, 74
| 32077, 92
| |
| 29487, 82
| 24234, 7
| 30214, 86
| 30941, 9
| 30578, 38
| 32880, 68
| 34334, 76
| |
| 31441, 28
| 25792, 44
| 32215, 05
| 32988, 82
| 32601, 94
| 35052, 22
| 36599, 76
| |
| 33401, 17
| 27369, 07
| 34222, 25
| 35043, 32
| 34632, 78
| 37232, 84
| 38874, 99
| |
| 35378, 12
| 28945, 69
| 36246, 49
| 37114, 86
| 36680, 68
| 39430, 52
| 41167, 26
| |
| 37365, 67
| 30531, 76
| 38281, 63
| 39197, 58
| 38739, 6
| 41640, 12
| 43472, 03
| |
| 39357, 52
| 32117, 82
| 40321, 06
| 41284, 59
| 40802, 82
| 43854, 02
| 45781, 09
|
Приложение 2
(обязательное)
Зависимость энтальпии воздуха и продуктов сгорания после областей нагрева от температуры

Приложение 3
(обязательное)
Эскиз топки (продольный разрез)

Продолжение приложения 3
Эскиз топки (вид сверху)

Приложение 4
(обязательное)
Эскиз фестона

Приложение 5
(обязательное)
Эскиз пароперегревателя второй ступени

Приложение 6
(обязательное)
Эскиз пароперегревателя первой ступени

Приложение 7
(обязательное)
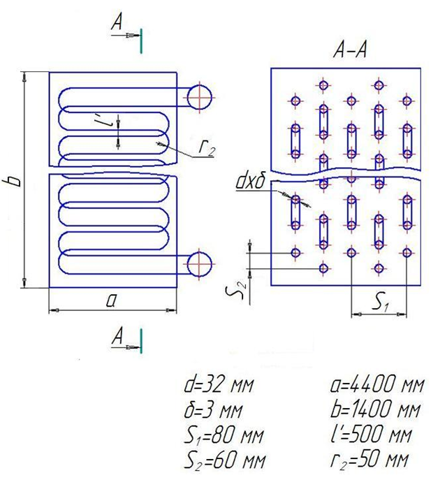
Эскиз экономайзера

|