Студопедия

Главная страница Случайная страница

КАТЕГОРИИ:

АвтомобилиАстрономияБиологияГеографияДом и садДругие языкиДругоеИнформатикаИсторияКультураЛитератураЛогикаМатематикаМедицинаМеталлургияМеханикаОбразованиеОхрана трудаПедагогикаПолитикаПравоПсихологияРелигияРиторикаСоциологияСпортСтроительствоТехнологияТуризмФизикаФилософияФинансыХимияЧерчениеЭкологияЭкономикаЭлектроника






Схемы включения транзисторов






Применяют три основных схемы включения транзисторов. В этих схемах один из электродов транзистора является общей точкой входа и выхода каскада. Соответственно эти схемы называют схемами с общей базой, общим эмиттером, и общим коллектором.

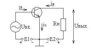
Схема с общим эмиттером (ОЭ).

Является наиболее распространенной т.к. дает наибольшее усиление по мощности.

Рис.1. Схема включения БТ с общим эмиттером.

 

Коэффициент усиления по току каскада представляет собой отношение амплитуд выходного и входного переменного тока: ki=Im.вых/Im.вх =Im/Im

Составляет обычно десятки.

Усилительные свойства транзистора при включении его по схеме с ОЭ характеризует статический коэффициент усиления по току (коэффициент передачи тока) для схемы с ОЭ – b. Его определяют в режиме без нагрузки (Rн = 0).

Кроме усиления по току схема обеспечивает и усиление по напряжению, т.к. входное напряжение Uбэ не превышает десятых долей вольта, а выходное напряжение при достаточном сопротивлении нагрузки и напряжении источника Е2 составляет десятки вольт. Каскад по схеме ОЭ при усилении переворачивает фазу напряжения, т.е. между выходным и входным напряжением есть фазовый сдвиг 180°.

Схема с общей базой (ОБ).

Рис.2. Схема включения БТ с общей базой.

 

Схема имеет значительные недостатки, но иногда применяется вследствие хороших частотных и тепловых свойств.

Коэффициент усиления по току всегда меньше 1:

ki=Im/Im< =1 Коэффициент усиления по напряжению такой же, как и в схеме с ОЭ:

ku=Uкб /Uэб Для схемы с ОБ фазовый сдвиг между входным и выходным напряжением отсутствует.

Схема с общим коллектором.

 

Рис.3. Схема включения БТ с общим коллектором.

 

Уравнение входного напряжения для данной схемы:

Uвх=Uбэ+Uвых

т.к. Uбэ< < Uвых, то коэффициент усиления по напряжению этой схемы:

ku=Uвых/Uвх=Uвых/(Uбэ+Uвых)< =1

Коэффициент усиления по току почти такой же, как и в схеме с ОЭ:

ki=Iэ/Iб=Iк/Iб+1 Фазового сдвига между выходным и входным напряжением нет.

У полевых транзисторов схемы включения такие же как у биполярных транзисторов – с общим истоком (ОИ) (аналогично ОЭ), общим стоком (ОС) (аналогично ОК), общим затвором (ОБ).
11) Операционные усилители. Схемы включения

Операционный усилитель (ОУ) - это высококачественный усилитель постоянного тока (УПТ), выполненный по интегральной технологии с большим коэффициентом усиления, предназначенный для выполнения различных операций над аналоговыми величинами при работе в схеме с отрицательной обратной связью (ООС). Усилители постоянного тока отличаются от усилителей переменного тока тем, что позволяют усиливать медленно изменяющиеся сигналы (f®0). Соответственно у них отсутствуют реактивные компоненты, которые не пропускают постоянную составляющую сигнала. УПТ широкополосны и позволяют усиливать сигналы от fН=0 до fВ. Их амплитудные и частотные характеристики изображены на рис.1

Рис.1. Амплитудная и частотная характеристики УПТ.

Параметры реальных ОУ стремятся приблизить к параметрам идеального ОУ.

Идеальный ОУ- это усилитель постоянного тока, имеющий дифференциальный вход с усилением по напряжению дифференциального сигнала kU®¥ и полным входным сопротивлением zВХ бесконечно большим на всех частотах; бесконечный коэффициент ослабления синфазных сигналов (КОСС); нулевой дрейф, шум и сдвиг нуля; нулевые входные токи смещения и сдвига; нулевое выходное сопротивление; выходной сигнал напряжения, могущий одинаково изменяться в сторону как положительного напряжения, так и отрицательного напряжения относительно потенциала точки покоя выхода. На практике реальные ОУ имеют параметры, отличные от идеальных.

Параметры и характеристики ОУ можно условно подразделить на входные, выходные и характеристики передачи.

К входным параметрам относят: напряжение смещения нуля; входные токи; разность входных токов; входные сопротивления; коэффициент ослабления синфазных входных напряжений; диапазон синфазных входных напряжений; температурный дрейф напряжения смещения нуля; температурные дрейфы входных токов и их разности; напряжение шумов, приведенное к входу; коэффициент влияния нестабильности источника питания на напряжения смещения.

К группе выходных параметров относятся выходное сопротивление, напряжение и ток выхода.

К группе характеристик передачи относят: коэффициент усиления по напряжению; частоту единичного усиления; скорость нарастания выходного напряжения; время установления выходного напряжения; время восстановления; амплитудно-частотную характеристику

Условное обозначение и схемотехника ОУ.

Рис.2. Условные обозначения ОУ.

ОУ имеет один выходной вывод и два входных. Знак характеризует усиление.

Вход, напряжение на котором сдвинуто по фазе на 180° относительно выходного напряжения, называется инвертирующим и обозначается знаком инверсии 0, а вход, напряжение на котором совпадает по фазе с выходным напряжением – неинвертирующим. Вывод, общий для выхода и входов – это общая шина.

Инвертирующий усилитель на ОУ.

Среди усилителей, выполняемых на основе ОУ, наиболее часто используются инвертирующий и неинвертирующий варианты.Рассмотрим инвертирующий усилитель.

Рис.3. Схема инвертирующего усилителя.

В этой схеме ОУ охвачен параллельной ООС по напряжению (цепью резистора RОС). Если положить, что здесь используется идеальный ОУ, то разность напряжений на его входе должна стремиться к нулю. Поскольку неинвертирующий вход соединен с общей шиной, то потенциал на инвертирующем входе (точка А) тоже должен быть равен “нулю”. Точку А принято называть “точкой виртуального нуля”. Uвых = - , кu = - - коэффициент усиления

Неинвертирующий усилитель.

Рис.4. Принципиальная схема неинвертирующего усилителя на ОУ.

Входной сигнал поступает на неинвертирующий вход ОУ, а на инвертирующий вход подается сигнал обратной связи. В неинвертирующем усилителе ОУ охвачен последовательной ООС по напряжению. Uвых =()Uвх, кu = +1

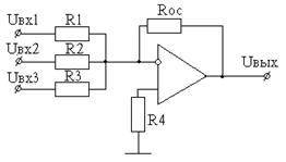
Сумматоры на ОУ

Широко распространены инвертирующие и неинвертирующие сумматоры на ОУ.

Рис.5. Принципиальная схема инвертирующего сумматора на ОУ с тремя входными сигналами.

При использовании идеального ОУ можно считать, что сумма входных токов усилителя, вызванных напряжениями UВХ1, UВХ2, UВХ3 равна току, протекающему по RОС, т.е. UВХ1/R1+UВХ2/R2+UВХ3/R3=-UВЫХ/RОС, откуда

UВЫХ=-(UВХ1RОС/R1+UВХ2RОС/R2+UВХ3RОС/R3). Отсюда следует, что выходное напряжение устройства представляет собой сумму входных напряжений, умноженную на КU.ИНВ. При RОС=R1=R2=R3 UВЫХ=-(UВХ1+UВХ2+UВХ3). Неинвертирующий сумматор может быть реализован при использовании неинвертирующего усилителя.

Аналоговый интегратор.

Рис.6. Принципиальная схема аналогового интегратора.

Такое устройство реализуется заменой RОС на С. При использовании идеального ОУ можно приравнять токи в резисторе R1 и конденсаторе С:

UВХ/R1= –CdUВЫХ/dt, откудаUВЫХ= –(1/R1C)ò UВХdt

Точность выполнения функции тем выше, чем больше KU.ОУ.



Поделиться с друзьями:

mylektsii.su - Мои Лекции - 2015-2026 год. (1.739 сек.)Все материалы представленные на сайте исключительно с целью ознакомления читателями и не преследуют коммерческих целей или нарушение авторских прав Пожаловаться на материал