Студопедия

Главная страница Случайная страница

КАТЕГОРИИ:

АвтомобилиАстрономияБиологияГеографияДом и садДругие языкиДругоеИнформатикаИсторияКультураЛитератураЛогикаМатематикаМедицинаМеталлургияМеханикаОбразованиеОхрана трудаПедагогикаПолитикаПравоПсихологияРелигияРиторикаСоциологияСпортСтроительствоТехнологияТуризмФизикаФилософияФинансыХимияЧерчениеЭкологияЭкономикаЭлектроника






Оперативные и постоянные запоминающие устройства






Одним из важнейших функциональных устройств информационных систем являются запоминающие устройства (ЗУ). На них возлагаются функции хранения программ обработки информации и данных. Полупроводниковые ЗУ характеризуются высшим быстродействием, надежностью, малым токопотреблением. В кристалле ПП ЗУ совмещены матрица запоминающих элементов, каждый из которых хранит 1 бит информации, и схема управления, обеспечивающая обращение к запоминающим элементам. Запоминающие элементы организуются в ячейки, имеющие разрядность в несколько бит. Каждая ячейка имеет свой идентификатор, представленный двоичным кодом (адрес). Полупроводниковые ЗУ могут выполнять две основные операции:

-ввод информации в адресуемую ячейку - запись, WRITE (WR);

-вывод информации из ячейки - считывание, READ (RD).

Обе операции называются операциями обращения к памяти. Если кристаллический ЗУ выполняет только операцию считывания, он называется постоянным запоминающим устройством (ПЗУ, ROM). Информация, хранимая в ПЗУ, может наноситься на заводе изготовителе в процессе изготовления микропроцессора с помощью специальных фотошаблонов. Такие микросхемы называются непрограммируемыми ПЗУ и применяются для хранения неизменяющихся программ. Следующим типом ПЗУ являются микропроцессоры, позволяющие однократное занесение информации, так называемые программируемые ПЗУ. При этом в исходном состоянии в ПЗУ уже содержится какая-либо информация. Запись информации осуществляется на специальных устройствах - программаторах, путем пережигания импульсами тока тонких проводящих перемычек. Наконец, имеются ПЗУ, позволяющие осуществлять многократное занесение информации. Эти ПЗУ называются перепрограммируемыми ПЗУ. В зависимости от способа стирания различают ПЗУ с электрическим стиранием и с ультрафиолетовым стиранием информации. Все ПЗУ являются энергонезависимыми источниками информации, так как информация, записанная в них не пропадает при исчезновении питания. Полупроводниковые ЗУ, в процессе работы выполняющие как операцию записи, так и считывание, называются запоминающими устройствами с произвольной выборкой (ЗУПВ)(RAM) и используются для создания оперативной памяти. ОЗУ являются энергозависимыми.

Полупроводниковые ЗУ имеют большое число характеристик. Наиболее важные следующие:

Емкость, выражаемая в битах, означает количество хранимой информации, например, 256 бит, 1024 бит(1 кбит) и так далее;

Организация ЗУ, например, ЗУ емкостью 1024 бита может содержать 1024 адресуемых ячейки размерностью 1 бит (1024 х 1) или 256 ячеек размерностью 4 бита (256 х 4);

Эксплуатационные характеристики (диапазон дополнительных температур, потребляемая мощность в пассивном (хранение) и активном режиме;

Быстродействие.

Кроме матрицы ЗЭ в микросхеме статического ЗУПВ содержатся схемы дешифрации, формирователи адресных сигналов, схемы согласования уровней, формирователи сигналов записи, усилители считывания, схемы выборки кристалла.

Постоянные запоминающие устройства

Основным требованием, предъявляемым к ПЗУ, является сохранение информации при отключении питания. Это требование обеспечивается конструкцией ЗЭ. Наиболее распространены ЗУ с ЗЭ, выполненными на биполярных и МОП-транзисторах. МОП-транзисторный ЗЭ может хранить 1 или 0 в зависимости от того, имеет ли сток транзистора связь с корпусом. Если сток изолирован от корпуса, на разрядной шине присутствует высокий уровень напряжения. Когда же сток связан с корпусом при подаче в адресную шину высокого уровня (выборка ЗЭ), на разрядной шине будет низкий уровень. Связь стоков нужных транзисторов с корпусом устанавливается в микросхеме путем металлизации нужных участков кристалла после того, как все транзисторы уже сформированы.

Рисунок 1 ЗЭ на МОП-транзисторе

 

На рис. 2 представленна структурная схема типичного полупроводникового ПЗУ с организацией 512´ 8.

 

Рисунок 2 Структурная схема полупроводникового ПЗУ

Запоминающие элементы объединены в матрицу 64´ 64, младшие разряды адреса А05 используются для выборки 64 ЗЭ одной из сторк матрицы. Старшие разряды адреса А68 управляют работой восьми мультиплексоров. Каждый мультиплексор подключен к восьмиразрядным шинам и выбирает требуемую. Сигналы выборки кристалла управляют передачей 8-битного слова с выхода мультиплексоров на выходы ЗУ D0-D7 и служат для организации ПЗУ большой емкости из нескольких микросхем. В полупроводниковых ЗУ, программируемых пользователем (ППЗУ), в исходном состоянии во всех пересечениях адресных шин с разрядными выполнены ЗЭ, последовательно с которыми включаются плавкие нихромовые или титано-вольфрамовые перемычки, пережигаемые в процессе программирования.

Стираемые программируемые ПЗУ выполняются двух типов:

- В ПЗУ первого типа матрица ЗЭ изготавливается аналогично матрице ПЗУ по МОП-технологии, но между металлическим затвором и слоем изолирующего окисла осаждается тонкий слой нитрида кремния, который способен захватывать и сохранять длительное время эл. заряд. Это электрически программируемое ПЗУ. В них стирание информации осуществляется определенным уровнем напряжения. Этот тип ППЗУ более надежен, т.к. гарантирован от случайного стирания информации.

- В ПЗУ второго типа матрица ЗЭ выполняется из МОП-транзисторов с плавающим затвором. Стирание информации осуществляется засвечиванием транзисторов через кварцевое окно ультрафиолетовым излучением, которое разряжает затворы транзисторов п приводит их в непроводящее состояние. При этом солнечные свет не влияет на запрограммированное ПЗУ.

 

Запоминающие устройства с произвольной выборкой

ЗУПВ служат для оперативного запоминания информации и способны хранить ее только при включенном питании. По принципу действия различают статические и динамические ЗУПВ. Запоминающими элементами статических ЗУПВ служат триггеры, которые могут быть реализованы по любой технологии. В динамических ЗУПВ носителем информации является емкость между затвором МОП-транзистора и корпусом, которая может быть заряжена или разряжена. ЗЭ биполярного ЗУПВ представляет собой асинхронный триггер с непосредственными связями, выполненный на двух эмиттерных транзисторах.

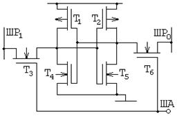
ЗЭ статического ЗУПВ на МОП-транзисторах – это триггерная схема на транзисторах VT4 и VT5, нагрузкой которых служат транзисторы VT1 и VT2. Транзисторы VT3 и VT6 – управляющие: при отпирании их положительным сигналом, передаваемым по шине адреса ША, они становятся проводящими в обоих направлениях.

Рисунок 3 - Схема биполярного ЗУПВ

Рисунок 4 - Схема ЗУПВ на КМОП-транзисторах

 

Биполярные ЗУПВ обладают наивысшим быстродействием среди ЗУПВ, однако, по сравнению с ЗУПВ, выполненными по КМОП-технологии, имеют значительно меньшую емкость и большее энергопотребление.

С целью увеличения информационной емкости микросхем создали динамические ЗУПВ. Принцип действия таких ОЗУ основан на хранении заряда емкости между затвором МОП-транзистора и общей точкой микросхемы. Емкость образуется параллельно включенными емкостью затвор-сток транзистора и паразитной емкостью. Наличие или отсутствие заряда соответствует логическим 0 и 1. Для восстановления заряда есть специальный режим – режим регенерации.



Поделиться с друзьями:

mylektsii.su - Мои Лекции - 2015-2026 год. (1.634 сек.)Все материалы представленные на сайте исключительно с целью ознакомления читателями и не преследуют коммерческих целей или нарушение авторских прав Пожаловаться на материал