Студопедия

Главная страница Случайная страница

КАТЕГОРИИ:

АвтомобилиАстрономияБиологияГеографияДом и садДругие языкиДругоеИнформатикаИсторияКультураЛитератураЛогикаМатематикаМедицинаМеталлургияМеханикаОбразованиеОхрана трудаПедагогикаПолитикаПравоПсихологияРелигияРиторикаСоциологияСпортСтроительствоТехнологияТуризмФизикаФилософияФинансыХимияЧерчениеЭкологияЭкономикаЭлектроника






Нагрузочная способность элемента ТТЛ. Основы синтеза логических схем






Под нагрузочной способностью элемента ТТЛ понимают число входов других элементов, которые можно подсоединить к выходу этого элемента.

Нагрузочная способность элемента ТТЛ определяется в элементе с открытым транзистором Т3, в элементе с двухтактным выходным каскадом – транзистор Т4. Iвх=1, 6 mА.

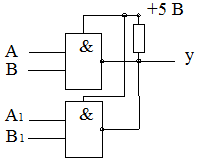
Элементы с открытым коллектором можно соединить параллельно:

Рис.1 Схема принципиальная параллельного соединения элементов с открытым коллектором

С помощью таких схем можно расширять число входов логических элементов. `

Элементы с двухтактным выходным каскадом соединять параллельно нельзя. Если соединить параллельно:

 

Рис.2 Схема принципиальная параллельного соединения элементов с двухтактным выходным каскадом (так соединять нельзя)

При такой комбинации через верхний транзистор первого элемента и через нижний транзистор второго элемента течёт одинаковый ток, поэтому создаётся аварийная ситуация, т.к. верхний транзистор рассчитан на работу с гораздо меньшим током, чем нижний.

Способы синтеза логических схем:

Первый способ: с помощью таблицы истинности.

X1 X2 X3 Y
       
       
       
       
       
       
       
       

Второй способ: временные диаграммы.

Рис. 3 Временные диаграммы логических схем

 

Третий способ: с помощью логического выражения.

 

 

Четвёртый способ: Метод содержательного описания


Поделиться с друзьями:

mylektsii.su - Мои Лекции - 2015-2026 год. (1.623 сек.)Все материалы представленные на сайте исключительно с целью ознакомления читателями и не преследуют коммерческих целей или нарушение авторских прав Пожаловаться на материал