Студопедия

Главная страница Случайная страница

КАТЕГОРИИ:

АвтомобилиАстрономияБиологияГеографияДом и садДругие языкиДругоеИнформатикаИсторияКультураЛитератураЛогикаМатематикаМедицинаМеталлургияМеханикаОбразованиеОхрана трудаПедагогикаПолитикаПравоПсихологияРелигияРиторикаСоциологияСпортСтроительствоТехнологияТуризмФизикаФилософияФинансыХимияЧерчениеЭкологияЭкономикаЭлектроника






Счетчики






Счетчик представляет собой устройство, предназначенное для подсчета числа сигналов, поступающих на его вход, и фиксации этого числа в виде кода, хранящегося в триггерах. По целевому назначению счетчики подразделяют на простые (суммирующие и вычитающие) и реверсивные. Суммирующий счетчик предназначен для работы в прямом направлении, то есть для сложения. С поддачей на вход очередного единичного сигнала показание счетчика увеличивается на единицу. Каждый сигнал, поступающий на вход вычитающего счетчика, уменьшает его показания на единицу. Реверсивные счетчики могут работать в обоих режимах. По способу организации счета счетчики подразделяют на асинхронные и синхронные. По способу организации цепей переноса между разрядами различают счетчики с последовательным, параллельным и частично-параллельным переносом. Основными характеристиками счетчика являются модуль счета, разрешающая способность, время регистрации и емкость. Модуль счета характеризует число устойчивых состояний счетчика, то есть предельное число входных сигналов, которое может сосчитать счетчик. Разрешающая способность - минимально допустимый период следования входных сигналов, при котором обеспечивается надежная работа счетчика. Время регистрации - интервал времени между моментами насыщения входного сигнала и окончания самого длинного переходного процесса в счетчике. Емкость счетчика - максимальное число единичных сигналов, которое может быть зарегистрировано в счетчике.

Счетчики с непосредственными связями с последовательным переносом (асинхронные)

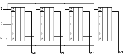
В этих счетчиках каждый последующий триггер (i+1)-го разряда запускается от информационных выходов предыдущего триггера i-го разряда, а счетный сигнал поступает на вход триггера первого разряда.

Четырехразрядный асинхронный двоичный счётчик по модулю 16

Счётчики представляют собой цифровое устройство, которое ставит в соответствие числу импульсов на входе определённый двоичный код на выходе

z Q0 Q1 Q2 Q3
         
         
         
         
         
         
         
         
.. ..... ..... .... ....
         

 

Схема реализации двоичного счётчика по модулю 16 Двухтактного

Любой двоичный счётчик может быть построен на 2х-тактных триггерах, работающих в счетном режиме.

 

Таблица 1.Таблица истинности двоичного счётчика по модулю 16

 

 

Данный двоичный счётчик кроме тактового входа C имеет входы асинхронного сброса и установки R и S. Асинхронными они называются потому, что не зависят от тактового входа.

Из таблицы соответственно видно две особенности:

1) переключение более старшего разряда в 1 происходит после переключения более младшего разряда из 1 в 0. На этой особенности построен принцип действия асинхронного счётчика.

2) переключение более старшего разряда из 0 в 1 происходит после того, когда все младшие разряды будут находится в состояние 1.

На второй особенности основан принцип действия синхронного сдвига.

Временные диаграммы работы двухтактного двоичного счётчика по модулю 16

Предполагается, что предварительно счётчик очищен сигналом, поданным на вход сброса, т.е. выходы всех триггеров находятся в нулевом состоянии. По приходу первого тактового импульса, который поступает на тактовый вход первого триггера, первый триггер изменяет своё состояние на противоположное. Состояние остальных триггеров не изменяется. Приход второго тактового импульса переключает первый триггер в 0, сигнал с выхода первого триггера является тактовым для второго триггера. По приходу третьего импульса первый триггер переключается, остальные не изменяются и т.д.

Такой счётчик называется асинхронным потому, что тактовый импульс поступает на вход только одного триггера, а остальные триггеры переключаются по сигналам с выхода предыдущего. Причем каждый триггер вносит задержку в переключение. В итоге получаем, что с приходом одного импульса триггеры переключаются не одновременно или асинхронно. В этом состоит главный недостаток асинхронных счётчиков, т.к. при большой частоте тактовых импульсов возникает возможность неверной информации на выходе. От этого недостатка свободен синхронный счётчик. Недостаток асинхронного счетчика заключается в том, что он имеет зависимость длительности переходного процесса, определяющего время регистрации, от его разрядности. С ростом разрядности счетчика понижается предельная частота его работы. Это связано с тем, что возрастает задержка поступления сигнала на вход с некоторого i-го разряда относительно времени поступления входного сигнала на вход с младшего разряда счетчика. Из временной диаграммы видно, что такая задержка может привести к искажению информации в счетчике (t=9).

Счетчики с параллельным переносом

Для повышения быстродействия счетчики выполняются с параллельным переносом. Из схем видно, что с возрастанием порядкового номера триггера увеличивается число входов в элементах U, поэтому разрядность счетчика с параллельным переносом невелика и равна обычно четырем. Поэтому при большем числе разрядов происходит последовательное соединение (наращивание) параллельных счетчиков. Подобным способом реализуется счетчик с частичным параллельным переносом.

Синхронный счётчик

Счётчик называется синхронным, т.к. тактовые импульсы подаются на все триггеры одновременно и соответственно триггеры переключаются одновременно (синхронно). Временная диаграмма работы та же самая.

Принцип работы: Приход первого тактового импульса переключает первый триггер в состояние 1. Этот же тактовый импульс поступает на вход остальных триггеров, но остальные триггеры не меняют своё состояние, т.к. на входах J, K этих триггеров до прихода импульса и в момент его действия сохранялось состояние 0.

Особенность 2х-тактного триггера: после спада первого импульса на выходе первого триггера появляется 1, которая подаётся на вход JK второго триггера, переводя его в переключающий режим; следовательно приход второго тактового импульса изменит состояние не только первого триггера, но и второго. По спаду второго импульса на выходе первого триггера будет 0, на выходе второго триггера – 1.

К приходу третьего тактового импульса на входах J и K второго триггера имеется состояние 0, что соответствует режиму хранения информации. Приход третьего импульса не изменяет его состояние и на выходе второго останется 1. По третьему импульсу переключится первый триггер в состояние 1 и после его спада на выходе первого и второго триггера имеется состояние 1. Эти две единицы, поданные на первый элемент «И», дают возможность перевести третий триггер в переключающий режим работы.

Двоично-десятичный счётчик или счётчик по модулю десять

Такой счётчик считает только 10 импульсов, т.е. после появление на выходе кода 9, следующий импульс переводит его в исходное состояние. Код девятки –1001. Для счётчика используется схема №1

Но её необходимо доработать:

Такой способ наиболее простой, но он не применяется, т.к. время существования кода «9» очень мало и сразу после его появления осуществляется сбрасывание, в то время когда его другие коды существуют в течении тактового импульса. Двоично-десятичные счётчики применяются для счёта ими в двоично-десятичном коде.

Вычитающие счётчики

Ранее мы рассматривали счётчики, у которых число на выходе с приходом каждого импульса увеличивалось на 1. В вычитающем счётчике приход каждого импульса уменьшает на 1 число на выходе. Исходное состояние вычитающего счётчика, в отличии от суммирующего, единичное.

 

Спад первого тактового импульса переключает первый триггер в состояние 0. На инверсном выходе этого триггера появляется 1, которая подаётся на тактовый импульс второго триггера. После второго тактового импульса вновь происходит переключение первого триггера, т.к. он работает в переключающем режиме. На инверсном выходе первого триггера появляется 0, что является сигналом переключения второго триггера. Дальше аналогично.

Вычитающий счётчик с самоостановом

Часто возникает необходимость остановить счёт при определённом выходном коде. На схеме показана реализация самоостанова счётчика при нуле.

Исходное состояние счётчика «1» и пока хотя бы на одном из выходов счётчика имеется «1», которая подаётся на входы J и K – первого триггера, обеспечивая возможность его работы в переключающем режиме.

«0» на выходе элемента появляется только тогда, когда на всех входах будет «0». «0» с выхода элемента «ИЛИ», будучи поданным на входа J и K первого триггера переводит его в режим хранения информации, запрещая дальнейшую работу счётчика.

В этом состоянии он будет находится сколь угодно долго, до прихода сигнала на вход S.

Реверсивный счётчик

Реверсивный счётчик имеет два тактовых входа на увеличение и на уменьшение. Счётчик является синхронным. В этой схеме при суммировании счётчиком на тактовый вход «С-1» подаётся 0. В режиме вычитания счётчика на вход «С+1» подаётся 0.



Поделиться с друзьями:

mylektsii.su - Мои Лекции - 2015-2026 год. (1.227 сек.)Все материалы представленные на сайте исключительно с целью ознакомления читателями и не преследуют коммерческих целей или нарушение авторских прав Пожаловаться на материал