Студопедия

Главная страница Случайная страница

КАТЕГОРИИ:

АвтомобилиАстрономияБиологияГеографияДом и садДругие языкиДругоеИнформатикаИсторияКультураЛитератураЛогикаМатематикаМедицинаМеталлургияМеханикаОбразованиеОхрана трудаПедагогикаПолитикаПравоПсихологияРелигияРиторикаСоциологияСпортСтроительствоТехнологияТуризмФизикаФилософияФинансыХимияЧерчениеЭкологияЭкономикаЭлектроника






Регистры






Регистр - функциональное устройство, предназначенное для запоминания n-разрядного слова, а также для выполнения определенных микроопераций над этим словом. Он представляет собой упорядоченную совокупность триггеров со схемой управления входными и выходными сигналами. Разрядность регистра соответствует количеству используемых в нем триггеров.

По виду выполняемых операций над словами различают регистры для приема, передачи и сдвига информации.

По способу приема и передачи информации различают последовательные, параллельные и последовательно- параллельные регистры.

По количеству тактов управления различают одно-, двух- и многотактные регистры.

Регистры приема и передачи информации

Рисунок 1 - Схема регистра приема и передачи информации

В этой схеме используются RS-триггеры, группа входных и выходных U-схем. Информация в регистр заносится по шинам x1, х2, х3 только в том случае, когда на шину Пр подан управляющий сигнал приема информации. Записанный в регистр код слова будет храниться в нем до тех пор, пока не будет подан сигнал установки регистра в состояние 0. Прямой код хранимого слова будет выдан при наличии на шине ВП управляющего сигнала “Выдача прямого кода”. Сигнал выдачи инверсного кода ВИ позволяет через группу схем И получить инверсное значение кода, хранимого в регистре.

Сдвиговые регистры

Сдвиговые регистры предназначены для выполнения операции сдвига слова информации, то есть для перемещения всех цифр слова в направлении от старших к младшим разрядам (сдвиг влево) или от младших к старшим разрядам (сдвиг вправо). Сдвиг кода влево на один разряд будет соответствовать умножению кода числа на основание системы счисления, а сдвиг вправо - делению. В регистрах, как правило, сдвиг числа на k разрядов осуществляется за k тактов.

С приходом первого тактового импульса старший разряд вводимого числа записывается в первый триггер. После прихода второго тактового импульса, старший разряд вводимого числа, который находится на входе второго триггера, переписывается на его выход. На выходе первого триггера появляется следующий разряд двоичного числа. Третий импульс переписывает старший разряд на выход второго, т.е. осуществляется сдвиг записанной информации на один разряд вправо. Аналогичным образом записываются следующие разряды и естественно, что 4х-разрядное число можно записать с помощью 4х тактовых импульсов. Пятый тактовый импульс, осуществляя сдвиг информации вправо, приводит к потере информации о старшем разряде. Если необходимо сохранить записанное число при сдвиге информации применяют кольцевые регистры.

Однако данная схема не применяется, т.к. не происходит ввод информации. Для реализации регистров с циклическим переносом (кольцевых) используют универсальные регистры сдвига, которые имеют возможность как параллельного, так и последовательного ввода информации.

Рис. 2. Схема реализации кольцевого регистра

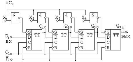
Сдвигающий регистр можно использовать не только для сдвига кода, но и для преобразования параллельного кода, принятого в регистр, в последовательный или наоборот. С точки зрения уменьшения количества связей и оборудования сдвиговые регистры целесообразно строить на D-триггерах. Установка этого регистра в состояние 0 выполняется отрицательным импульсом, подаваемым на вход R. Параллельный код поступает на входы x. Запись параллельного кода осуществляется положительным импульсом, подаваемым на вход C2. Последовательный код поступает на вход D1.

Рисунок 3 - Схема сдвигающего регистра

Слово, состоящее из 8 бит, называется байтом.

Рис. 5 - Параллельный регистр

При поступлении сигнала «запись», двоичное слово, поданное на информационный вход регистра, записывается в регистр, причём запись каждого разряда осуществляется одновременно или параллельно. Отсюда и название регистра.

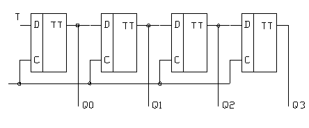
Рис. 6 – Последовательный регистр

Изображенный регистр называют ещё последовательным регистром, т.к. информация в него вводится посредством входа Т последовательно, в течение 4х тактовых импульсов.



Поделиться с друзьями:

mylektsii.su - Мои Лекции - 2015-2026 год. (1.339 сек.)Все материалы представленные на сайте исключительно с целью ознакомления читателями и не преследуют коммерческих целей или нарушение авторских прав Пожаловаться на материал