Студопедия

Главная страница Случайная страница

КАТЕГОРИИ:

АвтомобилиАстрономияБиологияГеографияДом и садДругие языкиДругоеИнформатикаИсторияКультураЛитератураЛогикаМатематикаМедицинаМеталлургияМеханикаОбразованиеОхрана трудаПедагогикаПолитикаПравоПсихологияРелигияРиторикаСоциологияСпортСтроительствоТехнологияТуризмФизикаФилософияФинансыХимияЧерчениеЭкологияЭкономикаЭлектроника






БІЛЕТ № 14






 

 

  1. Розробити поведінкову VHDL-модель паралельного 4-розрядного компаратора. Затримка часу при спрацюванні компаратора складає 25 нс. Всі вхідні імпульси з довжиною меншою за 25 нс компаратором не сприймаються.

Для розробленої VHDL-моделі компаратора на основі компонентів та конфігурацій створити випробувальний стенд, за допомогою якого перевірити правильність роботи пристрою при всіх можливих комбінаціях вхідних сигналів компаратора. До відповіді включити VHDL-коди випробувального стенду та розробленого регістра, а також результати проведеного модельного експерименту, представлені у вигляді часових діаграм для вхідних та вихідних сигналів пристрою.

Для розв’язання поставленої задачі слід використовувати середовище Active-HDL. В процесі роботи дозволяється використовувати засоби автоматичного генерування коду.

 

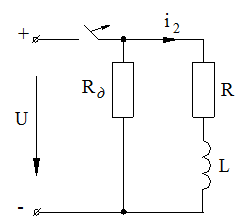
  1. Електромагніт постійного струму має опір та індуктивність . Напруга джерела живлення .

1) Визначити величину опору , який шунтує обмотку електромагніта, при якому напруга на обмотці електромагніта в момент його відключення від джерела не перевищує 600 В.

2) Знайти закони зміни струму та напруги на електромагніті.

 

  1. Розробити програму, що реалізує запис даних за допомогою EEPROM. Необхідно провести перевірку запису даних. Початковий адрес EEPROM зберігається в комірці пам’яті ОЗУ за адресою 20h, розмір пакету даних – 21h. Пакет даних знаходиться в ОЗУ, починаючи з адреси 22h.

 

  1. Загальні поняття про шум.

 

 


Поделиться с друзьями:

mylektsii.su - Мои Лекции - 2015-2026 год. (1.957 сек.)Все материалы представленные на сайте исключительно с целью ознакомления читателями и не преследуют коммерческих целей или нарушение авторских прав Пожаловаться на материал