Студопедия

Главная страница Случайная страница

КАТЕГОРИИ:

АвтомобилиАстрономияБиологияГеографияДом и садДругие языкиДругоеИнформатикаИсторияКультураЛитератураЛогикаМатематикаМедицинаМеталлургияМеханикаОбразованиеОхрана трудаПедагогикаПолитикаПравоПсихологияРелигияРиторикаСоциологияСпортСтроительствоТехнологияТуризмФизикаФилософияФинансыХимияЧерчениеЭкологияЭкономикаЭлектроника






БІЛЕТ № 13






 

 

  1. Розробити поведінкову VHDL-модель паралельного 16-розрядного регістра. Інтерфейс регістра містить 16-розрядні вхід та вихід даних, а також однорозрядні входи дозволу на запис, дозволу на зчитування та вхід скидання регістра (активізуються по спаду сигналу). Якщо вхід дозволу на зчитування неактивний, то регістр повинен утримувати на всіх розрядах вихідного сигналу високий імпеданс z.

Для розробленої VHDL-моделі регістра на основі компонентів та конфігурацій створити випробувальний стенд, за допомогою якого перевірити правильність роботи пристрою у всіх можливих режимах роботи – запис, зчитування, утримування значення та скидання. До відповіді включити VHDL-коди випробувального стенду та розробленого регістра, а також результати проведеного модельного експерименту, представлені у вигляді часових діаграм для вхідних та вихідних сигналів пристрою.

Для розв’язання поставленої задачі слід використовувати середовище Active-HDL. В процесі роботи дозволяється використовувати засоби автоматичного генерування коду.

 

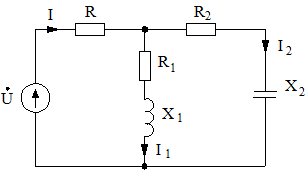
  1. Параметри кола:

При якому значенні Х 2 в колі наступить резонанс струмів? Які при цьому будуть струми I 1, I 2, I? Побудувати топографічну діаграму.

 

  1. Розробити схему одновібратора з тривалістю імпульсу 10 мс.

 

  1. Метода розрахунку штучного освітлення.

 

 


 


Поделиться с друзьями:

mylektsii.su - Мои Лекции - 2015-2026 год. (1.601 сек.)Все материалы представленные на сайте исключительно с целью ознакомления читателями и не преследуют коммерческих целей или нарушение авторских прав Пожаловаться на материал