Студопедия

Главная страница Случайная страница

КАТЕГОРИИ:

АвтомобилиАстрономияБиологияГеографияДом и садДругие языкиДругоеИнформатикаИсторияКультураЛитератураЛогикаМатематикаМедицинаМеталлургияМеханикаОбразованиеОхрана трудаПедагогикаПолитикаПравоПсихологияРелигияРиторикаСоциологияСпортСтроительствоТехнологияТуризмФизикаФилософияФинансыХимияЧерчениеЭкологияЭкономикаЭлектроника






Системы управления скоростью






Гидропривод с дроссельным управлением скоростью. Дроссельный способ регулирования скорости гидропривода с нерегулируемым насосом основан на том, что часть жидкости, подаваемой насосом, отводится в сливную гидролинию и не совершает полезной работы. Простейшим регулятором скорости является регулируемый дроссель, который устанавливается в системе либо последовательно с гидродвигателем, либо в гидролинии управления параллельно гидродвигателю.

При параллельном включении дросселя (рис. 1, а) рабочая жидкость, подаваемая насосом, разделяется на два потока. Один поток проходит через гидр о двигатель, другой — через регулируемый дроссель.

По правилам расчета параллельных гидролиний без учета потерь давления в трубопроводах скорость поршня для этой схемы определяется выражением

(1)

где S — эффективная площадь поршня; QH — подача насоса; SДР — площадь проходного сечения дросселя.

В такой системе при FH=const, скорость движения будет изменяться от vmin до vmax при изменении SДР от SДРmax до SДР=0. Поскольку в рассматриваемом гидроприводе давление на выходе насоса pH=FH/S зависит от нагрузки и не является постоянной величиной, такую систему регулирования скорости называют системой с переменным давлением. Клапан, установленный в системе, является предохранительным. Эта система позволяет регулировать скорость только в том случае, если направление действия нагрузки противоположно направлению движения выходного звена гидропривода (отрицательная нагрузка).

Последовательное включение дросселя осуществляется на входе в гидродвигатель, на выходе гидродвигателя, на входе и выходе гидродвигателя. При этом во всех трех случаях система регулирования скорости строится на принципе поддержания постоянного значения рн на выходе нерегулируемого насоса за счет слива части рабочей жидкости через переливной клапан. Поэтому система дроссельного регулирования с последовательным включением дросселей получила название системы с постоянным давлением.

Гидропривод с дросселем на входе (рис. 1, б) допускает регулирование скорости только при отрицательной нагрузке. При положительной нагрузке, направленной по движению поршня, может произойти разрыв сплошности потока рабочей жидкости, особенно при закрытом дросселе, когда поршень продолжает движение под действием сил инерции.

 

 

Скорость движения поршня в таком гидроприводе определяется выражением

(2)

 

Гидропривод с дросселем на выходе (рис. 1, в) допускает регулирование скорости гидродвигателя при знакопеременной нагрузке, так как при любом направлении действия силы Fн изменению скорости препятствует сопротивление дросселя, через который рабочая жидкость поступает из полости гидродвигателя на слив.

 

 
 
Рисунок 1. Схемы гидроприводов с дроссельным управлением скоростью. а) с парал. вкл. дрос. б) с дрос. на входе гидродвигателя. в) с дрос. на выходе гидродвигателя. г) с четырёхлин. дросселирующим распределителем.

 


Для такой схемы включения дросселя скорость движения выходного звена v выражается формулой

При установке дросселя на выходе в случае больших положительных нагрузок давление перед дросселем может превысить допустимый уровень. Поэтому для предохранения системы параллельно дросселю включают предохранительный клапан.

В современных гидроприводах, особенно в следящих приводах, применяют систему регулирования скорости с дросселями на входе и выходе гидродвигателя. На рис. 1, г представлена схема гидропривода, в котором регулирование скорости движения поршня осуществляется с помощью четырехлинейного трёхпозиционного дросселирующего распределителя, который дросселирует поток рабочей жидкости в напорной и сливной гидролиниях.

Гидропривод с машинным управлением скоростью. В данном случае скорость движения выходного звена гидропривода регулируется за счёт изменения рабочего объёма либо насоса, либо гидродвигателя, либо за счёт изменения рабочего объёма обеих гидромашин.

 

 
 
Рисунок 2. Гидропривод с регулируемым насосом.

 

 


Регулирование путем изменения рабочего объема насоса может быть использовано в гидроприводах поступательного, поворотного и вращательного движений.

На рис. 2, а приведена принципиальная схема гидропривода поступательного движения с замкнутой циркуляцией, в котором регулирование скорости движения штока гидроцилиндра 1 осуществляется за счет изменения подачи насоса 4. Выражение для скорости движения штока v при FH/S< pK записывается в виде

(4)

где VH — максимальный рабочий объем насоса; nH — частота вращения насоса; S — эффективная площадь поршня гидроцилиндра; rс — коэффициент объемных потерь системы, определяемый изменением объемного КПД насоса и гидродвигателя в функции давления (нагрузки); FH — нагрузка на штоке; рк — давление, на которое отрегулированы предохранительные клапаны 2; еН — параметр регулирования насоса, равный отношению текущего значения рабочего объема насоса к максимальному рабочему объему.

Изменение направления движения выходного звена гидропривода осуществляется благодаря реверсированию потока рабочей жидкости, подаваемой насосом (реверс подачи насоса). При этом необходимо вначале уменьшить подачу насоса до нуля, а затем увеличить ее, но в противоположном направлении. Напорная и сливная гидролинии меняются местами. Для компенсации утечек жидкости в гидроприводе с замкнутой циркуляцией, а также для исключения возможности кавитации на входе в насос используется вспомогательный насос 3, осуществляющий подачу рабочей жидкости в систему гидропривода через обратные клапаны 5.

При таком способе регулирования скорости усилие, развиваемое выходным звеном гидропривода, не зависит от скорости движения. В этом случае диапазон регулирования определяется объемным КПД гидропривода, а также максимальной подачей насоса, определяемой его рабочим объемом.

На рис. 2, б представлена зависимость скорости движения и мощности на выходном звене гидропривода от параметра регулирования при постоянной нагрузке. Такая система объемного регулирования скорости получила наибольшее распространение в гидроприводах дорожно-строительных, сельскохозяйственных и подъемно-транспортных машин.

Промышленностью серийно выпускается несколько типов гидроприводов с регулированием скорости за счет изменения рабочего объема насоса.

Регулирование путем изменения рабочего объема гидродвигателя применяется только в гидроприводах вращательного движения, где в качестве гидродвигателя используется регулируемый гидромотор (рис. 3, а). В этом случае регулирование происходит при постоянной мощности, так как уменьшение рабочего объема гидродвигателя увеличивает скорость выходного звена гидропривода и соответственно уменьшает крутящий момент, развиваемый на выходном звене.

 

 
 
Рисунок 3. Гидропривод с регулируемым гидромотором.

 

 


Частота вращения гидромотора nм при p1< pK определяется соотношением

(5)

где FMmax —максимальный рабочий объем мотора; ем — параметр регулирования мотора; pi —давление в напорной гидролинии, определяемое моментом нагрузки на валу мотора (см. формулу (19.1)); rс —коэффициент объемных потерь (утечек) в системе.

Из выражения (5) следует, что при еM → 0 nм возрастает до бесконечности. Практически существует минимальное значение , при котором момент, развиваемый гидромотором, становится равным моменту внутреннего трения, и гидромотор тормозится даже при моменте нагрузки, равном нулю (р1 = 0).

На рис. 3, б представлена зависимость частоты вращения и развиваемого момента на валу гидромотора от параметра регулирования при постоянном давлении р1.

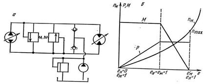
Регулирование путем изменения рабочих объемов насоса и гидродвигателя используют только в гидроприводах вращательного движения с регулируемым гидромотором. Скорость выходного звена рационально регулировать следующим образом:

1)запустить приводной двигатель при ен = 0;

2)для страгивания и разгона выходного звена привода изменить ен от 0 до 1 при еМ = 1;

3)дальнейшее увеличение скорости осуществлять путем изменения ем от 1 до , при ен = 1.

Уменьшение скорости происходит в обратном порядке. Такой способ позволяет получить большой диапазон регулирования, он обладает всеми достоинствами и недостатками рассмотренных выше схем машинного управления.

На рис. 4 представлены принципиальная схема (а) и характеристика (б) гидропривода с замкнутой циркуляцией и регулируемыми насосом и гидромотором.

Гидропривод с машинно-дроссельным управлением. Машинно-дроссельный способ управления заключается в том, что в систему дроссельного регулирования с постоянным давлением устанавливается регулируемый насос и давление поддерживается постоянным не за счет слива части рабочей жидкости через переливной клапан, а за счет изменения подачи насоса. В такой системе регулирования отсутствуют потери в переливном клапане.

       
   
Рисунок 4. Гидропривод с регулируемым насосом и гидроматором.
 
 
Рисунок 5. Гидропривод с машинно-дроссельным управлением скоростью.

 


 

 


На рис. 5 представлена схема гидропривода поступательного движения с машинно-дроссельным управлением скоростью. Постоянное давление рн поддерживается путем совместной работы регулятора 1 и аксиально-поршневого регулируемого насоса 2. Изменение давления рн приводит к изменению положения поршня регулятора 1 и связанного с ним наклонного диска насоса 2. Изменение положения диска приводит к изменению подачи насоса Q.

Поэтому в такой системе подача насоса всегда равна расходу через гидродвигатель и дроссель при pH=const. Скорость движения выходного звена в данном гидроприводе определяется формулой (3).

Сравнительную оценку различных систем регулирования скорости гидроприводов целесообразно проводить по двум показателям: нагрузочной характеристике привода v = f(Fн) и КПД системы регулирования На рис. 6. а приведены нагрузочные характеристики, построенные по формулам (1),

         
 
 
 
   
Рисунок 6. Характеристики гидроприводов с различными способами управления скоростью.
 

 

 


(2), (4), для гидроприводов с одинаковой максимальной нагрузкой (1 - система с переменным давлением, 2- система с постоянным давлением, 3 - машинное управление). Так как для управляемых гидроприводов наибольший интерес представляет не значение КПД на одном из режимов работы, а характер изменения КПД во всём диапазоне регулирования при различных нагрузках, то сравнение систем лучше всего проводить по характеристикам:

 

η = φ (v); η = f/(FH).

 

где v - отношение текущего значения скорости при данной нагрузке к максимальному значению скорости при той же нагрузке.

На рис.6. б приведены характеристики КПД систем регулирования (1 - параллельноетельное включение дросселя, 2 - последовательное включение дросселя при оптимальной нагрузке; 3 – машинно-дроссельное управление при оптимальной нагрузке и машинное управление), а на рис. 6. в – зависимости КПД системы регулирования от нагрузки при максимальной скорости движения выходного звена привода (1 – параллельное включение дросселя и машинное управление, 2 – машинно-дроссельное управление, 3 - последовательное включение дросселя).

Сравнение характеристик на рис. 6 показывает, что гидропривод с машинным управлением имеет самую стабильную характеристику скорости во всем диапазоне изменения нагрузок и самый высокий КПД системы регулирования во всем диапазоне регулирования скорости.

Однако стоимость регулируемых гидромашин выше, чем нерегулируемых» и поэтому только в гидроприводах большой мощности (Р> 10 кВт), где выигрыш в энергетике компенсирует увеличение стоимости, целесообразно использовать систему машинного управления. В приводах же небольшой мощности рационально использовать системы дроссельного управления, обеспечив при этом стабильность скорости при изменении нагрузки.

 


План-конспект урока № 5 теоретического обучения по предмету «Гидропривод и гидропневмоавтоматика» в группе О-31

Дата проведения 16 марта 2011 года

Место проведения: кабинет № 513

Тема урока: Аппараты управления расхода жидкости

Тип урока: Комбинированный

Время проведения: 18: 25

Цель урока:

13. Обучающая: сформировать основные знания учащихся об аппаратах управления расхода жидкости;

14. Развивающая: развитие познавательной активности и учебной самостоятельности, развитие гибкости ума, технической направленности мышления, профессиональных интересов и способностей;

15. Воспитательная: воспитание уважения к труду, своей профессии, воспитание умений трудиться в коллективе.

Методическое оснащение: план-конспект урока

 


Поделиться с друзьями:

mylektsii.su - Мои Лекции - 2015-2026 год. (0.601 сек.)Все материалы представленные на сайте исключительно с целью ознакомления читателями и не преследуют коммерческих целей или нарушение авторских прав Пожаловаться на материал