Студопедия

Главная страница Случайная страница

КАТЕГОРИИ:

АвтомобилиАстрономияБиологияГеографияДом и садДругие языкиДругоеИнформатикаИсторияКультураЛитератураЛогикаМатематикаМедицинаМеталлургияМеханикаОбразованиеОхрана трудаПедагогикаПолитикаПравоПсихологияРелигияРиторикаСоциологияСпортСтроительствоТехнологияТуризмФизикаФилософияФинансыХимияЧерчениеЭкологияЭкономикаЭлектроника






Запоминающие устройства






 

Мы уже знаем, что для хранения 1 бита информации может быть использован триггер. Набор триггеров образует регистровое запоминающее устройство. Выпускаемые промышленностью микросхемы памяти можно классифицировать по различным признакам. По функциональному назначению микросхемы памяти подразделяют на микросхемы постоянных запоминающих устройств (ПЗУ) и микросхемы оперативных запоминающих устройств (ОЗУ). Постоянные запоминающие устройства работают в режимах хранения и считывания информации. ОЗУ работают в режимах записи, хранения и считывания информации. ОЗУ применяются для хранения кодов выполняемых программ и промежуточных результатов обработки информации.

Существует четыре типа микросхем ПЗУ: ROM (Read Only Memory) – постоянные запоминающие устройства; PROM (Programmable ROM) – программируемые постоянные запоминающие устройства; EPROM (Erasable PROM) - перепрограммируемые постоянные запоминающие устройства с ультрафиолетовым стиранием информации; EEPROM (Electrically Erasable PROM) - перепрограммируемые постоянные запоминающие устройства с электронным стиранием информации, также называемые flash ROM.

В зависимости от элемента памяти (ЭП) микросхемы ОЗУ подразделяют на статические и динамические. В статических ОЗУ элементом памяти является триггер на биполярных или полевых транзисторах. В динамических ОЗУ элементом памяти является конденсатор, в качестве которого обычно используется затвор полевого транзистора.

На принципиальных схемах обычно используют обозначения выводов микросхемы в соответствии с сигналами, присутствующими на этих выводах: А – адрес, С – тактовый, ST – строб, CAS – выбор адреса столбца, RAS – выбор адреса строки, CS – выбор кристалла, E – разрешение, WR – запись, RD – считывание, WR/RD – запись-считывание, OE – разрешение выхода, D – данные (информация), DI – входные данные, DO – выходные данные, REF – регенерация, PR – программирование, ER – стирание, UPR – напряжение программирования, UCC напряжение питания, 0V – общий.

Рассмотрим обобщенную структурную схему запоминающего устройства, приведенную на рисунке 1.62. Матрица накопителя имеет m строк и n столбцов. На пересечении строки и столбца располагается элемент памяти. Матрица накопителя, имеющая m строк и n столбцов, имеет m·n ячеек памяти. Для выборки строк и столбцов используют дешифраторы или демультиплексоры.

В запоминающих устройствах статического типа в качестве элементов памяти используют триггеры на биполярных или полевых транзисторах. Большее быстродействие имеют устройства на биполярных транзисторах. В качестве запоминающего элемента микросхем памяти статического типа может быть использован, например, D-триггер, снабженный специальным входом разрешения.

Для устойчивой работы микросхемы памяти при записи и чтении информации необходимо сигналы подавать в определенной последовательности и с допустимыми временными задержками. Микросхемы памяти характеризуются различными динамическими (временными) параметрами. Длительность сигнала обозначают tw(B), а интервал между сигналами tREC(B), где B – обозначение сигнала. Для сигнала CS эти записи имеют вид: tw(CS), tREC(CS). Время установления одного сигнала относительно другого tSU(B-C) определяется как интервал времени между началами двух сигналов на разных входах микросхемы, где В – обозначение сигнала, состояние которого изменяется первым, а С – обозначение сигнала, состояние которого изменяется в конце временного интервала. Время установления сигнала выборки микросхемы относительно сигналов адреса запишется в виде tSU(A-CS). Время сохранения одного сигнала после другого tV(B-C) определяется как интервал времени между окончаниями двух сигналов на разных входах микросхемы, например tV(CS-A) – время сохранения сигналов адреса после снятия сигнала выборки микросхемы. Важными динамическими параметрами микросхем памяти являются время выборки адреса tA(A) и время выборки tA(CS) (часто обозначается tCS) сигнала CS.

По режиму доступа микросхемы статических ОЗУ подразделяются на тактируемые и нетактируемые (асинхронные). Тактируемые микросхемы ОЗУ при каждом обращении к любой ячейке памяти требуют подачи импульса на вход CS. Сигналы разрешения выхода, записи-считывания могут быть поданы импульсом или уровнем.

Широкое распространение получили КМДП-микросхемы статических ОЗУ следующих серий К537, КМ1603, К581, К188, К176, К561. Большинство микросхем имеют питающее напряжение 5 В. Микросхемы памяти К561 допускают напряжение питания от 6 до 12 вольт. Микросхемы серии К176 имеют питающее напряжение 9В. В серии К537 имеется более 20 микросхем, отличающихся информационной емкостью, быстродействием и потребляемой мощностью. Среди микросхем этой серии имеются тактируемые и асинхронные.

На рисунке 1.63 приведено условное обозначение микросхемы КР537РУ3. При CS=1 (микросхема не выбрана) выход D0 находится в высоимпедансном состоянии, а сигналы на адресных входах, входе DI и входе WR/RD могут быть любыми. Такой режим работы микросхемы называют режимом хранения. В режиме чтения на входе CS должен быть сигнал логического нуля, на входе WR/RD сигнал логической единицы, на адресных входах установлен адрес необходимой ячейки памяти, а на выходе D0 в этом случае будет содержимое ячейки памяти. Сигнал на входе DI в режиме чтения может быть любым. В режиме записи на входе CS должен быть сигнал логического нуля, на входе WR/RD сигнал логического нуля, на адресных входах установлен адрес необходимой ячейки памяти, а на входе DI данные, которые необходимо записать. Выход D0 находится в высокоимпедансном состоянии.

Запоминающий элемент памяти динамического типа имеет существенно меньше радиотехнических элементов (транзисторы, конденсаторы, резисторы) и следовательно можно на одном кристалле разместить значительно больше запоминающих элементов по сравнению с их числом для памяти статического типа. Микросхемы памяти динамического типа имеют существенно меньшее быстродействие. Время доступа к ячейке памяти динамического типа 60-70 нс, а время доступа к ячейке памяти микросхем статического типа около 2 нс. Микросхемы памяти статического типа в компьютерах используют для так называемой кэш-памяти.

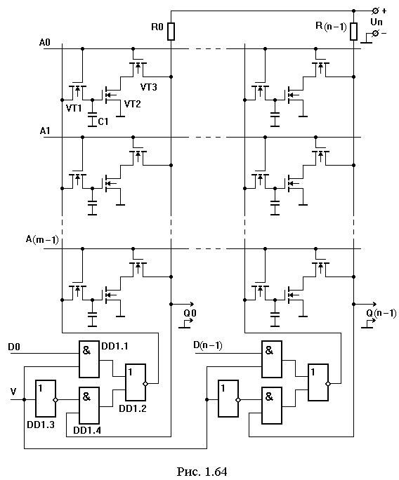
Рассмотрим принцип хранения и регенерации информации в ОЗУ динамического типа. На рисунке 1.64 приведена схема, позволяющая понять принцип записи и регенерации информации в ОЗУ динамического типа. Данное запоминающее устройство содержит m строк по n разрядов каждая. Запоминающим элементом памяти динамического типа является конденсатор. В реальных устройствах конденсатор образован емкостью затвор-исток транзистора VТ2. Если конденсатор заряжен, то транзистор VТ2 будет открыт, и такое состояние ассоциируется с логическим нулем. Если конденсатор разряжен, то транзистор VТ2 будет закрыт, и это соответствует логической единице. Конденсатор с течением времени разряжается, так как электронные ключи VТ1, VТ3 не являются идеальными. В природе нет также идеального конденсатора. По этой причине необходимо конденсатор периодически подзаряжать, если он был заряжен.

Пусть на входе запись «V» уровень логического нуля, а конденсатор С1 был заряжен. Для восстановления заряда конденсатора необходимо периодически читать информацию. Рассмотрим разряд D0. Подадим напряжение логической единицы на линию выборки очередной строки, например, строки А0. В этом случае транзисторы VТ1, VТ3 открываются, транзистор VТ2 также

открыт, так как мы рассматриваем случай, когда конденсатор С1 заряжен. Резистор R0, канал транзистора VТ3 и канал транзистора VТ2 образуют делитель напряжения, подаваемого от источника питания. На линии чтения Q0 будет в этом случае напряжение логического нуля (выходное напряжение мало). Напряжение логического нуля подается на нижний вход элемента DD1.4, следовательно, на выходе элемента DD1.4 будет напряжение логического нуля. На выходе элемента DD1.2 будет напряжение логической единицы, так как на верхнем входе этого элемента в рассматриваемый момент времени напряжение логического нуля (на входе V логический нуль). Конденсатор С1 заряжается по цепи: выход элемента DD1.2 (логическая единица), через канал открытого транзистора VТ1, конденсатор С1, общий провод, минус источника питания.

Пусть конденсатор С1 разряжен. В этом случае на линии чтения будет напряжение, почти равное напряжению источника питания, то есть напряжение логической единицы. Это напряжение подается на нижний по схеме вход элемента DD1.4. На верхнем входе этого элемента в рассматриваемый момент времени напряжение логической единицы, так как на вход запись V подано напряжение логического нуля. На выходе элемента DD1.4 будет логическая единица, а на выходе логического элемента DD1.2 будет напряжение логического нуля и конденсатор С1 будет оставаться разряженным (конденсатор может заряжаться только по следующей цепи: выход элемента DD1.2, канал открытого транзистора VТ1, конденсатор С1, общий провод, минус источника). Таким образом, периодически читая информацию, мы обеспечиваем ее сохранность. Для записи информации на входе D0 устанавливают логический нуль, или логическую единицу, на вход «V» подают напряжение логической единицы и выбирают строку, в которой находится необходимая ячейка памяти.

Занесение информации в микросхемы ПЗУ осуществляется либо при их изготовлении, либо потребителем. Микросхемы, информацию в которые заносит потребитель, называют программируемыми (ППЗУ). Программирование микросхем ПЗУ осуществляется с помощью специального устройства, называемого программатором микросхем. Микросхемы ПЗУ, допускающие неоднократное программирование, называются репрограммируемыми ПЗУ (РПЗУ). По способу стирания информации в РПЗУ микросхемы подразделяют на микросхемы с ультрафиолетовым стиранием информации (СППЗУ) и со стиранием электрическим сигналом (ЭСПЗУ).

Рассмотрим однократно программируемые пользователем микросхемы ПЗУ с пережигаемыми перемычками. На рисунке 1.65 показан фрагмент запоминающего устройства, имеющего n слов по 4 двоичных разряда каждое. Слово выбирается переключателем SA1. В ПЗУ записаны следующие четырехразрядные слова: в строке X(n-3) – 1010, в строке X(n-2) –1000, и в строке X(n-1) –1111. Для записи слова 1000 в строке X(n-2) необходимо поочередно на короткое время (десятые доли секунды) закоротить резисторы R2, R1, R0.

В качестве примера ПЗУ с пережигаемыми перемычками рассмотрим микросхему К155РЕ3, условное обозначение которой приведено на рисунке 1.66.

Упрощенная функциональная схема микросхемы К155РЕ3 приведена на рисунке 1.67. Логические элементы DD1.0-DD1.7 имеют выход с открытым коллектором. С выхода элемента DD1.0 на его вход подключается цепочка резистор R1.2, стабилитрон VD1, резистор R1.1, транзистор VT1, необходимая при программировании микросхемы. Для остальных логических элементов DD1.1-DD1.7 эти цепочки на функциональной схеме не показаны. При программировании на выход микросхемы через ограничительный резистор сопротивлением

390 Ом подается напряжение 10-15 В, в результате чего пробивается стабилитрон VD1 и открывается транзистор VT1. Открывшийся транзистор закорачивает резистор R0 и перемычка в эмиттерной цепи транзистора необходимой ячейки памяти перегорает (для пережигания перемычки на время программирования увеличивают питающее напряжение).

На рисунке 1.68 приведена схема простого программатора для микросхем К155РЕ3. Переключателями SA0-SA4 задается адрес требуемой ячейки памяти размером 8 бит. Логические элементы DD1.1, DD1.2, резистор R4, конденсатор C1 образуют одновибратор, формирующий импульс записи. Длительность импульса определяется сопротивлением резистора R4 и емкостью конденсатора C1. Кнопка SA5 находится в положении, соответствующем выбранной микросхеме. В этом случае светодиод HL1 отображает записанную в разряде D1 информацию. При нажатии на кнопку SA5 выходы программируемой микросхемы оказываются закрытыми, транзистор VT4 на короткое время закрывается, а транзисторы VT1-VT3 – открываются. На вывод 16 программируемой микросхемы подается повышенное напряжение. Кроме этого повышенное напряжение подается на один из выходов микросхемы, который подключается с помощью перемычки П1.

В репрограммируемых ПЗУ элементом памяти является специальный полевой транзистор с плавающим затвором. В зависимости от того имеет, или не имеет затвор заряд, ячейке памяти могут быть поставлены в соответствие либо логическая единица, либо логический нуль, причем любое из этих состояний может сохраняться в отсутствии питающего напряжения десятки тысяч часов.

На рисунке 1.69 схематически изображен полевой транзистор с плавающим затвором с индуцированным каналом p-типа. Если плавающий затвор не имеет заряда, сопротивление между выводами стока и истока транзистора большое. При программировании между истоком и подложкой прикладывается большое импульсное напряжение, в результате чего электроны проходят через тонкий слой диэлектрика и накапливаются в затворе. Между стоком и истоком транзистора образуется канал p-типа.

На рисунке 1.70, а показано схематически устройство полевого транзистора с плавающим и управляющим затворами с каналом n-типа, а на рисунке 1.70, б – стокозатворные характеристики этого транзистора для двух случаев (кривая 1 для случая отсутствия заряда на плавающем затворе, для кривой 2 плавающий затвор имеет отрицательный заряд). Выбрав напряжение считывания так, как показано на рисунке 1.70, б, получаем ячейку памяти для хранения 1 бита информации.

На рисунке 1.71 приведена схема, поясняющая принцип хранения информации в ПЗУ с ультрафиолетовым стиранием информации. Выборка необходимой строки в данном ПЗУ осуществляется подачей сигнала логического нуля на соответствующую строку. Пусть сигнал логического нуля подан на строку Ai и плавающий затвор транзистора VT2 имеет отрицательный заряд. В этом случае открывается транзистор VT1, а так как транзистор VT2 открыт, то на резисторе Rj будет напряжение логической единицы.

На рисунке 1.72 показан фрагмент запоминающего устройства с полевыми транзисторами с плавающим и управляющим затворами. Выборка строки осуществляется сигналом логической единицы. При такой организации запоминающего устройства отрицательный заряд на плавающем затворе соответствет хранению логической единицы.

На рисунке 1.73 приведен фрагмент запоминающего устройства, в котором адресация необходимой ячейки памяти производится с помощью дешифратора строк DCX и дешифратора столбцов DCY. В селекторе происходит выделение необходимого числа разрядов на одну ячейку памяти, и сигналы с селектора поступают на устройство ввода-вывода УВВ.

Микросхема К573РФ2 с ультрафиолетовым стиранием информации, условное обозначение которой приведено на рисунке 1.74, имеет емкость 2 килобайта и допускает 100 циклов программирования. Имеются 4 модификации этой микросхемы: РФ21, РФ22, РФ23, РФ24. Микросхемы РФ21, РФ22 имеют емкость 1К х 8 бит. На адресную линию А10 для микросхемы РФ21 подают логический нуль, а для микросхемы РФ22 – логическую единицу. Микросхемы РФ23, РФ24 имеют емкость 2К х 4 бит. В этих микросхемах используются все адресные линии. В микросхеме РФ23 для ввода-вывода данных используют линии 11, 13, 14, 16, а в микросхеме РФ24 – линии 10, 11, 13, 16.

Напряжение программирования 25 В на микросхему К573РФ2 и ее модификации подают постоянным уровнем. Считывание информации из микросхемы производится в асинхронном режиме доступа к накопителю, при котором сигналы на входы CS и OE подаются уровнями. Указанные сигналы можно подавать и в форме импульсов [29].

В таблице 1.4 приведены режимы программирования (записи), считывания и хранения записанной информации для микросхемы К573РФ2.

Таблица 1.4

Сигнал Запись Считывание Хранение
CS 1*    
OE     X
UPR, В      
DIO DI DO Z

* - сигнал действует в течение 50 мс.

 


Поделиться с друзьями:

mylektsii.su - Мои Лекции - 2015-2026 год. (0.934 сек.)Все материалы представленные на сайте исключительно с целью ознакомления читателями и не преследуют коммерческих целей или нарушение авторских прав Пожаловаться на материал