Студопедия

Главная страница Случайная страница

КАТЕГОРИИ:

АвтомобилиАстрономияБиологияГеографияДом и садДругие языкиДругоеИнформатикаИсторияКультураЛитератураЛогикаМатематикаМедицинаМеталлургияМеханикаОбразованиеОхрана трудаПедагогикаПолитикаПравоПсихологияРелигияРиторикаСоциологияСпортСтроительствоТехнологияТуризмФизикаФилософияФинансыХимияЧерчениеЭкологияЭкономикаЭлектроника






JK-триггер






(микросхема К155ТВ1)

 

Соответствие выводов микросхемы К155ТВ1 светодиодам испытательного стенда показано на рисунке 2.22, а условное обозначение микросхемы – на рисунке 2.23.

Задания:

1. Вставить печатную плату с микросхемой К155ТВ1 в разъем испытательного стенда.

2. Подключить испытательный стенд к источнику постоянного напряжения 5 В с соблюдением полярности (провод в изоляции красного цвета подсоединяют к выводу " +" источника).

3. Составить временную диаграмму работы JK-триггера микросхемы К155ТВ1 (рис. 2.24). Дать ответ на вопрос, в какой момент времени (по фронту, во время действия или по спаду синхронизирующего импульса) происходит передача информации с информационного входа на выход.

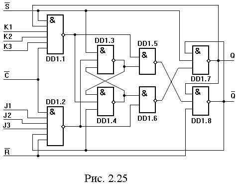
4. Объяснить принцип работы JK-триггера микросхемы К155ТВ1 по функциональной схеме, приведенной на рисунке 2.25.

 


Поделиться с друзьями:

mylektsii.su - Мои Лекции - 2015-2026 год. (1.139 сек.)Все материалы представленные на сайте исключительно с целью ознакомления читателями и не преследуют коммерческих целей или нарушение авторских прав Пожаловаться на материал