Студопедия

Главная страница Случайная страница

КАТЕГОРИИ:

АвтомобилиАстрономияБиологияГеографияДом и садДругие языкиДругоеИнформатикаИсторияКультураЛитератураЛогикаМатематикаМедицинаМеталлургияМеханикаОбразованиеОхрана трудаПедагогикаПолитикаПравоПсихологияРелигияРиторикаСоциологияСпортСтроительствоТехнологияТуризмФизикаФилософияФинансыХимияЧерчениеЭкологияЭкономикаЭлектроника






Обоснование выбора компонентов топлива






 

В ракетных двигателях в случае жидкого топлива раздельной подачи выделение энергии происходит в результате реакции окисления-восстановления.

Горючим является такое вещество, которое независимо от того, содержаться в нём окислительные элементы или нет, для полного окисления своих горючих элементов требует окислителя из вне.

Окислителем является вещество, в котором хотя и могут быть горючие

элементы, но окисляющих элементов имеется в нём значительный избыток, так что при полном окислении его собственных горючих элементов остаётся свободное количество окислительных элементов, которые могут быть, использованы для окисления какого-либо другого горючего.

Ракетные топлива раздельной подачи должны удовлетворять следующим основным условиям:

1. Высокая теплотворная способность;

2. Малое число атомов в продуктах сгорания;

3. Малая молекулярная масса продуктов сгорания;

4. Максимальная доля газов в продуктах сгорания.

Кроме того, к ракетным топливам предъявляют следующие требования:

1. условия хранения и транспортирования;

2. химическая агрессивность;

3. соотношение критических температур;

4. экологическая безопасность;

5. стоимость изготовления.

На основании технического задания рассмотрим возможность применения химической пары " кислород-керосин", для этого сначала рассмотрим химические свойства этих компонентов.

Кислород - самый распространенный элемент земной коры. В свободном состоянии он находится в атмосферном воздухе, в связанном виде входит в состав воды, минералов и горных пород. Массовая доля кислорода в земной коре составляет около 47%.

Кислород самый активный (после фтора) неметалл. С большинством других элементов (водород, галогены, многие металлы) взаимодействует непосредственно (окисление) и, как правило, с выделением энергии.

В ракетостроении широко применяется жидкий кислород как наиболее универсальный окислитель, оставаясь при этом экологически безопасным.

В жидком виде кислород представляет собой прозрачную жидкость. Он не токсичен; по отношению к конструкционным материалам химически не агрессивен, но многие материалы при температуре жидкого кислорода становятся хрупкими. Стойкими в этом отношении являются медь, алюминий и их сплавы.

В чистом виде кислород взрывобезопасен, но попадание в него масла, горючих и некоторых других материалов вызывает образование взрывчатых смесей. Поэтому ёмкости, трубопроводы, детали, соприкасающиеся с жидким кислородом, должны быть очищены и обезжирены.

Керосин - одно из самых распространённых топлив широкого применения в народном хозяйстве. За счёт этого производство керосина недорого и он может производиться в больших количествах.

Таблица 1.1 – Основные характеристики окислителя - жидкого кислорода

 

 

К плюсам этого горючего можно отнести хорошие энергетические показатели, стабильность, и, следовательно, большой срок и малую стоимость хранения. Так же следует отметить экологичность горючего в сравнении с применяемыми компонентами топлив НДМГ и др.

 

 

Таблица 1.2 – Основные характеристики горючего - керосина

 

 

1.2 Выбор и описание работы принципиальной пневмогидравлической схемы (ПГС) двигателя.

1.2.1 Выбор принципиальной структуры ПГС

 

Работа камеры двигателя обеспечивается пневмогидравлической системой (ПГС) двигательной установки. Под ПГС понимается совокупность пневмогидравлических устройств и магистралей, обеспечивающих хранение топливных компонентов и газа на борту, их подачу во время работы двигателя под определённым давлением и с определённым расходом в КС и ГГ двигателя, запуск и останов двигателя, а также выполнение некоторых других операций, определяемых назначением и спецификой эксплуатации ЛА. В свою очередь ПГС состоит из ряда систем, среди которых по функциональному назначению можно выделить следующие основные системы: подачи топлива, наддува топливных баков, запуска, останова, регулирования и некоторые вспомогательные - заправки, блокировки, продувки, аварийного слива и др.

Все системы в той или иной степени функционально и конструктивно взаимосвязаны. Однако для более чёткого определения их особенностей рассмотрим эти системы раздельно.

Наиболее существенным признаком, определяющим тип двигательной установки, является способ подачи топлива. Для двигательных установок с МРД применяются два способа подачи топлива:

- вытеснительная, в которой с помощью сжатого газа создаётся в топливных баках давление, больше чем в камере двигателя;

- насосная, в которой необходимое давление компонентов создаётся насосами, приводимыми обычно от газовой турбины, реже от электрического или механического привода.

 

Двигательные установки с вытеснительной подачей топлива

Двигательные установки с вытеснительной подачей топлива по сравнению с насосной конструктивно более просты, могут быть выполнены более надёжно и не уступающими им в весовом отношении при определённых условиях применения. Их главный недостаток - относительно высокое потребление давления в баках, требующее для обеспечения их надлежащей прочности при тех же габаритах больших толщин стенок, т.е. утяжеления баков. С учётом масштабного фактора это обстоятельство делает практически целесообразным применение таких установок на объектах с двигателями малой тяги, при малой продолжительности работы, когда объёмы баков невелики, а также при небольших давлениях в камере сгорания, т.е. на космических кораблях (маршевые двигательные установки и установки системы ориентации, зенитных ракетах, лёгких ракетах классов " воздух - воздух", " земля - земля", " воздух - земля", на последних ступенях космических ракет, пилотируемых и беспилотных летательных аппаратах, используемых в пределах земной атмосферы (стартовые ускорители или вспомогательные силовые установки). С другой стороны использование вытеснительнои подачи для маршевых двигателей первых и вторых ступеней ракетоносителей среднего и тяжёлого классов не представляется возможным в следствии низких давлений в камере двигателя, и низких значений удельного импульса тяги.

Двигательные установки с насосной подачей топлива

Двигательные установки с насосной подачей топлива являются наиболее распространёнными и применяются при высоких потребных давлениях топлива, когда объём баков не позволяет использовать вытеснительную систему подачи топлива.

В дальнейшем будем рассматривать насосные системы, в которых привод насосов осуществляется от газовой турбины, как наиболее экономичный способ преобразования энергии. Агрегат, состоящий из насосов и приводящей их турбины называется турбонасосным агрегатом (ТНА).

Общая структура двигательной установки с ТНА сложнее установки с безнасосной подачей компонентов. Усложнение касается как собственно системы подачи топлива, так и остальных основных и вспомогательных систем, особенно систем управления и контроля состояния. Посистемное рассмотрение особенностей двигательной установки с ТНА начнём с системы подачи топлива.

В дальнейшем будем рассматривать насосные системы, в которых привод насосов осуществляется от газовой турбины, как наиболее экономичный способ преобразования энергии. Агрегат, состоящий из насосов и приводящих их турбин называется турбонасосным агрегатом (ТНА).

Общая структура двигательной установки с ТНА сложнее установки с безнасосной подачей компонентов. Усложнение касается как собственно системы подачи топлива, так и остальных основных и вспомогательных систем, особенно систем управления и контроля состояния. Посистемнее рассмотрение особенностей двигательной установки с ТНА начнём с системы подачи топлива.

Система подачи топлива

Особенности системы подачи топлива с ТНА рационально рассматривать, расчленив её предварительно на более узкие по своему составу, но частично автономные подсистемы, обеспечивающие своим функционированием подачу топлива в камеру сгорания. Тогда систему подачи топлива можно представить как совокупность следующих подсистем:

- образование рабочего тела для турбины ТНА;

- привода основных и вспомогательных насосов;

- использование обработанного рабочего тела турбины;

- наддува топливных баков.

Система образования рабочего тела для турбины (турбин) ТНА включает в себя устройства, в которых оно получается в необходимом количестве и заданными параметрами и подводится к потребителям.

Система привода основных и вспомогательных топливных насосов состоит из турбин, приводимых от них насосов и механизмов передачи на турбину или газовых связей между ними. Остаточная энергия отработанного рабочего тела турбины, если его масса соизмерима с расходом топлива ЖРД, может быть рационально использована для получения тяги в различных по сложности и устройству системах.

Системы наддува топливных баков и емкостей со вспомогательными рабочими телами служат для улучшений условий работы насосов, иногда -для самостоятельной безнасосной подачи потребителям, а также для обеспечения запуска силовой установки. Когда эти системы используются для обеспечения с высокой точностью заданного давления топлива на входе в насосы, они становятся не менее сложными, чем вытеснительные системы подачи топлива.

Системы образования рабочего тела для ТНА могут быть разделены на три больших класса: автономные, безгенераторные и с жидкостными генераторами газа, работающими на основных компонентах топлива.

К автономным относятся системы, получающие в течение всего времени работы двигателя рабочее тело не от ТНА и не из камеры двигателя, т.е. независимо от условий работы двигателя. Такими автономными устройствами могут служить твердотопливный аккумулятор давления и однокомпонентный газогенератор, работающий на унитарном топливе, не являющимся одним из компонентов основного топлива.

Структурно - функциональная схема автономной системы получения рабочего тела из твердотопливного газогенератора полностью аналогична применяемой для вытеснительной подачи топлива. Она весьма проста, компактна и надёжна. Её недостатком является ограниченное время работы, определяемое массой порохового заряда и потребным секундным расходом газа. ТГГ может обеспечить быстрый выход на режим турбины ТНА. Для обеспечения работоспособности турбины, особенно при её длительной работе, требуется охлаждение выходящих газов.

В системах с однокомпонентным газогенератором в качестве рабочего тела используются продукты разложения (часто в присутствии катализатора) таких топлив как перекись водорода и т.п. Из баллона это топливо с помощью сжатого газа заключённого в баке, подаётся в газогенератор, где разлагается с выделением тепла, частично испаряется, а парогаз по магистрали поступает к турбине ТНА. Получение заданного количества парогаза обеспечивает регулирование давления наддува в баке или баллоне с компонентом. Недостатком этой автономной системы является необходимость иметь на борту летательного аппарата дополнительный компонент и дополнительную ёмкость.

В безгенераторных системах рабочее тело для привода турбины ТНА забирается непосредственно из камеры сгорания двигателя или из её системы охлаждения. При сравнительной простоте этих систем их практическая реализация встречает ряд трудностей. В частности, при отборе газов из камеры сгорания вследствие их высокой температуры возникает необходимость принятия мер по охлаждению магистрали и собственно отбираемого газа, для чего устанавливается теплообменник, где газ охлаждается одним из компонентов топлива. Возможно и применение варианта подобной схемы, когда отбираемый из камеры сгорания газ последовательно проходит через турбины двух ТНА.

Питание турбины ТНА парами компонента, образующего в системе охлаждения камеры двигателя, целесообразно, когда в состав топлива входит жидкий водород. Возможны варианты, при которых через турбину пропускается весь газифицированный в системе охлаждения водород или отбирается его некоторое количество. Работоспособность газа водорода позволяет применять подобные системы далее при использование всего газообразного водорода лишь при относительно невысоких давлениях (порядка 4- 5МПа), развиваемых насосами. Постановкой управляющего клапана в перепускной магистрали регулируется расход рабочего тела через турбину, а следовательно, и режим работы двигателя. При безгенераторных системах для запуска ТНА требуется установка пусковых устройств.

Наиболее распространёнными являются системы с жидкостными газогенераторами, работающие на основных компонентах топлива, отбираемых из магистралей за насосами. Конструктивные формы такого ЖГГ, принцип его работы и способ включения в систему топливопитания определяются принятой схемой двигателя - с дополнением или без дополнения генераторного газа.

В двигателях без дополнения генераторного газа в турбине ТНА срабатывают высокие перепады давления и потребный расход во много раз меньше расхода топлива в камере сгорания двигателя. Отбор топлива для питания ЖГГ производится из магистралей после основных топливных насосов, а его количество, если не применяются регуляторы, рассматриваемые ниже, дозируется при помощи калибровочных шайб. Газогенераторы токай системы достаточно просты, но конструкции, контакты, легко обеспечивается их охлаждение.

 

В двигательных установках, например, баллистических ракет и космических транспортных систем, где требуется получение высокого значения удельного импульса тяги, целесообразно применение двигателей с дожиганием генераторного газа в камере сгорания двигателя. При этом должно учитываться то обстоятельство, что камера двигателя получается более простой, если к её топливоподающим устройствам каждый компонент подаётся в одном агрегатном состоянии - жидкий или газообразный. Отсюда возникает принципиальная необходимость использовать для получения генераторного газа в ЖГГ весь расход одного из компонентов (здесь не учитываются затраты топлива на другие нужды, например, для привода вспомогательных насосов, турбины, которых имеют независимое питание).

Схема включения ЖГГ с подачей в него всего расхода одного из компонентов описывается следующим образом: из магистрали после основного насоса подаётся весь расход одного из компонентов (окислителя или горючего), а другой компонент по магистрали подаётся в количестве, достаточном для образование низкотемпературного газа. Остальная часть этого компонента в жидком виде подводится к смесеобразующим элементам камеры. При подобной схеме ЖГГ получается больших габаритов, поэтому зачастую прибегают к постановке двух ЖГГ, питающих каждый свою турбину ТНА. Ввиду того, что потоки отработанных газов должны смешиваться в магистрали или непосредственно в камере двигателя, производительности ЖГГ и давления генераторного газа подбираются так, чтобы после турбин давления были одинаковые.

Такое использование обоих компонентов для получения низкотемпературного газа возможно лишь при сжигании топлива в двух параллельно работающих ЖГГ. Компоненты топлива от насосов подаются в каждый из ЖГГ соответственно в таких количествах, чтобы в одном образовывался генераторный газ с избытком окислителя, а в другом, наоборот, с избытком горючего. Тогда, если будут выполнены оговоренные выше условия смешения, генераторные газы подаются после турбин в камеру сгорания двигателя. Каждая из турбин приводит во вращение насос одного из компонентов.

ЖГГ двигателей с дожиганием конструктивно сложны, иногда они непосредственно включаются в конструкцию ТНА или камеры двигателя. Для их регулирования требуется сложная автоматическая система.

Системы приводов основных и вспомогательных насосов могут быть составленные из различных сочетаний основных узлов - турбин и насосов образующих в комплексе один или несколько ТНА. Так, в выполненных конструкциях силовых установок применяется от одного до четырёх ТНА. Соответственно турбина каждого ТНА может приводить одно- или многоступенчатый насос компонента.

При двухкомпонентном топливе, относительно небольших расходах компонентов и питании ЖГГ также продуктами сгорания этого топлива, используется один ТНА с турбиной (турбинами), приводящий два насоса компонентов, В случае питания ТНА от генератора, работающего на однокомпонентном топливе, не используемом в основной камере сгорания, при насосной системе подачи вспомогательного рабочего тела в газогенератор турбины приводит соответственно три насоса, а при невозможности привода всех трёх насосов с одной частотой вращения устанавливают промежуточные редукторы.

Находят применение, особенно при криогенных основных компонентах, раздельные ТНА для подачи компонентов. Когда нежелателен наддув баков подогретыми газами, для повышения напора криогенных компонентов перед основными компонентами устанавливают подкачивающие (бустерные) насосы, приводимые от отдельных турбин. Турбины БНА питаются парами одного из компонентов, образованных в системе охлаждения камеры, в теплообменнике или при расширение жидкого кислорода, отбираемого из напорной магистрали.

Система использования отработанного рабочего тела ТНА, обладающего некоторым запасом энергии, в установках, работающих по схеме без дожигания генераторного газа, предусматривает преобразование её в дополнительную тягу. После ТНА газы могут направляться:

- в выхлопную трубу с сопловым насадком;

- в рулевые сопла летательного аппарата;

- в сопло двигателя;

- в камеру дожигания.

Отвод в выхлопную трубу с сопловым насадком применяется при малых расходах газа, когда нецелесообразно усложнение конструкции или когда на установке не требуется управления вектором тяги. При необходимости в выхлопном патрубке (равно как и других ниже рассматриваемых отводных устройствах ТНА) устанавливается теплообменник, где нагревается газ для системы наддува топливных баков.

При использовании отработанных газов ТНА для создания управляющих моментов, при вытекании из рулевых сопел в систему дополнительно включается коллектор с управляемыми от систем управления и стабилизации летательного аппарата клапанами для перераспределения расхода газа по соплам крена и тангажа.

В системах, где на турбинах ТНА срабатывает весь располагаемый перепад давлений, в случае последовательного прохождения газа через турбины двух ТНА, применяется отвод газа в закритическую часть сопла основного двигателя. В трубе, подводящей газ к соплу, при этой схеме удачно компонуется теплообменник.

В большинстве случаев дожигание генераторного газа происходит в камере сгорания двигателя. Обогащённый одним из компонентов генераторный газ из газогенератора отводится в камеру сгорания для последующего дожигания впрыском второго компонента через специальное устройство. При схеме питания двух ТНА газами различного состава, газы от ТНА отводятся по магистралям непосредственно газо-фазную головку камеры двигателя.

Системы наддува топливных баков при турбонасосной системе подачи топлива применяются для обеспечения безкавитационной работы основных топливных насосов, когда не устанавливаются подкачивающие (бустерные) топливные насосы. В отличие от вытеснительной схемы применяются относительно невысокие давления наддува, порядка 0, 1-0, 5 кПа. Принципиально для наддува баков используются системы, подобные применяемым для вытеснительной системы подачи. Рабочее тело может забираться от аккумуляторов давления, из системы охлаждения двигателя, из ЖГГ для наддува, где оно образуется от сжигания основных компонентов топлива. Как особый случай можно отметить использование для наддува баков низкокипящих компонентов, способность этих компонентов этих компонентов образовывать пары в открытых объёмах баков.

При отборе газов из аккумуляторов давления обычно используется возможность их подогрева в теплообменниках выхлопных устройств ТНА. В отличие от рассмотренного ранее способа наддува баков с отбором газа из системы охлаждения, применяется не дополнительное рабочее тело, а один из компонентов топлива (обычно горючее), поступающее в систему охлаждения под высоким давлением. Для целей наддува не обязательно, чтобы в месте отбора компонента он был в газообразном состоянии; возможно применение второй ступени подогрева в теплообменнике, установленном в выхлопной системе ТНА. Требуемое давление наддува обеспечивается постановкой редуктора.

Прошедший через турбину генераторный газ, содержащий избыток одного из компонентов, может быть использован для наддува бака этого же компонента. Для охлаждения генераторный газ пропускается через теплообменник, установленный в топливной магистрали одного из компонентов. В этом случае приходится иметь комбинированную систему наддува, так как для наддува другого бака генераторный газ такого состава непригоден.

При желании иметь общий источник горячего газа, пригодного для наддува баков обоих компонентов, применяются системы с трёхкомпонентным ЖГГ с впрыском охлаждающей жидкости. Подача охлаждающей жидкости применяется как вытеснительная, так и насосная. Как видно из сказанного, в большинстве случаев применяются комбинированные системы наддува, где для каждого бака используется соя система. Это обстоятельство усложняет и утяжеляет силовую установку, снижает её надёжность. Положение усугубляется ещё и тем, что некоторые из рассмотренных систем могут функционировать лишь при работающем двигателе или работающем ТНА. Следовательно, возникает дополнительная необходимость в установке пусковой системы наддува, обычно с аккумулятором давления без подогрева газов. В итоге, системы с бустерными ТНА могут, несмотря на их сложность, конкурировать с системами наддува.

В целом система топливоподачи может быть составлена из различных комбинаций рассмотренных выше систем, причём каждая из них отвечает определённому целевому назначению и обладает своими положительными и отрицательными качествами.

 

Система управления режимами работы двигателя

Так же, как и в двигательных установках с вытеснительной подачей топлива, система управления режимами работы обеспечивает одновременную работу двигателя, причём под многорежимностью понимается и возможность ступенчатого изменения тяги. Как один из вариантов ступенчатого изменения тяги в многокамерной двигательной установке возможно отключение одного или нескольких двигателей, причём от количества ТНА питающих камеры, может одновременно отключаться соответствующий ТНА или один общий ТНА переводится на пониженный режим работы. Этот способ регулирования является частным случаем для описания ниже систем управления и регулирования.

При турбонасосной системе полдачи имеется больше возможностей воздействия на систему подачи топлива для изменения режима работы двигателя. Не касаясь частных функций систем управления и регулирования в процессе в процессе запуска и останова двигателя, рассмотрим структорно-функциональные схемы однорежимных и многорежимных силовых установок.

Наиболее распространённым способом воздействия на подачу топлива является изменение гидравлического сопротивления магистралей горючего и окислителя постановкой в них клапанов с переменным проходным сечением (регуляторов). Всё разнообразие вариантов возможного места расположения регулирующих клапанов сводится к трём характерным случаям: установка в магистрали подвода компонентов в камеру сгорания, в магистрали подвода к ЖГГ ТНА и одновременно в обеих магистралях. Количество устанавливаемых клапанов принятой программой регулирования и зависит от числа регулируемых величин. Здесь отметим только следующее: включение одного регулирующего органа в магистраль компонента в камеру двигателя можно регулировать либо тягу двигателя, либо соотношение компонентов в камере двигателя; включение двух клапанов - тягу и соотношение компонентов; добавление ещё одного регулирующего органа в магистраль подвода компонента к ЖГГ позволяет регулировать дополнительно ещё и соотношение компонентов в ЖГГ ТНА.

При однокомпонентном газогенераторе один из регуляторов, например, тяги, воздействует на регулирующий орган магистрали подвода рабочего тела в газогенераторе, а второй регулятор обеспечивает заданное соотношение в камере двигателя, воздействуя через клапан на гидравлическое сопротивление в магистрали горючего перед входом в головку камеры сгорания.

Помимо способа изменения расхода компонентов путём изменения гидравлического сопротивления магистрали, применяется и способ, основанный на перепуске части рабочего тела, направляемого к турбине ТНА, в выходную магистраль ТНА. В обоих случаях включение перепускных клапанов сказывается на изменение частоты вращения турбины ТНА, а следовательно, и на подачи компонентов.

Комбинацией рассмотренных схем включения регулирующих органов может быть получена любая схема САР ЖРД - с одной, двумя или тремя управляемыми величинами. По условиям применения летательных аппаратов, на которых устанавливаются двигатели большой тяги с турбонасосной подачей, как правило, требуются сложные системы регулирования, по крайней мере по трём параметрам процесса с соответствующим количеством регулирующих органов. Следует учесть, что хотя при регулирование соотношения компонентов достаточно поставить регулирующий орган лишь в магистраль одного компонента (он будет приравнивать расход этого компонента к соответствующей пропорциональной для второго компонента), в целях более точного поддержания заданного соотношения компонентов устанавливаются взаимосвязанные регулирующие органы в обе магистрали.

 

Система управления вектором тяги

Помимо описанных способов управления вектором тяги (отклонение маршевого и рулевого двигателя на шарнирном подвесе), в системах с ТНА имеется возможность управлять путём подачи инертного газа в рулевые сопла.

Двигатели с дожиганием часто устанавливаются на шарнирном подвесе. При этом камера отклоняется на малые углы без изменения величины заданной тяги. Применение этого способа осложняется необходимостью иметь в системе подачи топлива гибкие участки трубопровода. Гибкие участки конструктивно более просты в магистралях низкого давления, до входа в ТНА, но тогда сам ТНА должен крепиться к камере двигателя и поворачиваться вместе с ней, что увеличивает инерционность системы управления и потребные усилия для изменения положения камеры. С учётом этого обстоятельства некоторые конструктивные преимущества могут дать схемы управления с рулевыми двигателями, подвижными или неподвижными, или с рулевыми соплами, питаемыми газами из ТНА. Изменение тяги неподвижных рулевых сопел двигателей достигается изменением подачи топлива, а рулевых сопел - изменением подачи рабочего тела, осуществляется клапанами.

Вспомогательные системы

Круг вспомогательных систем также может расширяться, а сами системы усложняются в силу специфических свойств ТНА.

Так, системы запуска усложняются необходимость в процессе запуска обеспечить розжиг основной камеры и камеры газогенератора и вывод камеры и ТНА по заданной программе на установленный режим. Цели, задачи и структуры систем запуска различны в зависимости от того, автономен ли ТНА от камеры двигателя. В первом случае раскрутка ТНА от любого постоянного источника рабочего тела, подаваемого на турбину, приводит к возможности обеспечить независимое питание ТНА теперь уже основным рабочим телом, отбираемым в газогенератор из питающих магистралей насосов, так что работоспособность ТНА не связана с тем, произошёл или не произошёл к этому моменту запуск двигателя. Процесс запуска камеры может быть смещён во времени и осуществляется при полностью подготовленной к действию топливоподающей системы. При этом возможен любой вид запуска: пушечный, ступенчатый или плавный, что обеспечивается соответствующей последовательностью и способом действия главных клапанов, а также, если это необходимо, мероприятиями по розжигу камеры при несамовоспламеняющихся компонентах.

При необходимости многократного запуска устанавливается несколько твердотопливных стартеров, срабатывающих последовательно и снабжённых устройствами, предотвращающими воспламенение от горячих газов шашек других стартеров при включении одного из них.

Вариантами рассмотренной схемы будут системы с другими пусковыми устройствами ТНА - с пусковыми газогенераторами с вытеснительной системой подачи компонентов, с наземным источником сжатого газа, в частном случае, и горячего зажигания несамовоспламеняющихся компонентов топлива основного газогенератора. Первая система удобна при многократном запуске в полёте двигателя, вторая обеспечивает пусковую систему летательного аппарата.

Для многократного запуска в полёте ТНА используются дополнительные аккумуляторы рабочего тела турбины. Каждый аккумулятор представляет собой цилиндр с подпружинным поршнем; одна из полостей цилиндра заполнена порцией топлива для запуска ТНА. вторая полость заполняется газом, выпускаемым в процессе первого запуска из баллона рабочего тела. При этом происходит выталкивание пускового топлива через электроклапан запуска ТНА. Когда ТНА выходит на расчётный режим в ЖГГ поступает топливо от насосов и одновременно происходит зарядка аккумуляторов, в процессе которой поршни принимают исходное положение, сжимая газ, заполняющий вторую полость. Аккумуляторы подготовлены к следующему запуску.

Система запуска включает при необходимости устройство для предпускового заполнения магистралей системы охлаждения двигателя, его головки и камеры сгорания нейтральным газом, если нежелательно соприкосновение топлива с воздухом при заполнение указанных объёмов. Вступление в работу системы запуска ТНА бывает сблокированно с заполнением системы.

В схеме безстартерного запуска по команде " запуск" открываются электроклапаны и компоненты топлива поступают под давлением столба жидкости в баках и магистралях к пусковым воспламенителя ЖГГ и камеры двигателя. При возникновении устойчивого горения в воспламенителях датчиками давления подаются сигналы на открытие главных клапанов камеры двигателя и клапанов пуска компонентов в ЖГГ и происходит раскрутка турбины ТНА. При такой относительно простой схеме запуск растягивается на несколько секунд.

Системы запуска с неавтономными ТНА, т.е. получающими рабочее тело в результате процесса в камере двигателя, имеют ряд особенностей. В системе, где турбина ТНА питается парами горючего, образующимися в системе охлаждения камеры сгорания, захолаживание и продувка системы охлаждения камеры перед запуском производится за счёт давления столба горючего в баках и магистралях. Режим захолаживания подбирается так, чтобы образовывалось достаточное количество газа для раскрутки турбины ТНА и вывода двигателя на расчётный режим. При этом может и не требоваться предварительный наддув баков.

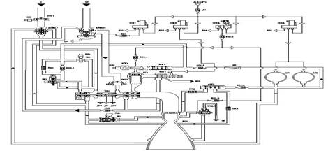
На основании выданного технического задания на выполнение дипломного проекта составляем следующую схему ПГС:

 

Тип двигательной установки:

Двигательная установка с насосной подачей топлива.

Система образования рабочего тела:

трехкомпонентный газогенератор, работающий на основных компонентах топлива и водороде.

Наддув третьим веществом - инертным газом, подогретым в теплообменнике.

Система управления режимами работы:

- многорежимная работа с управлением по трём параметрам, с установкой регулирующих механизмов:

а) регулятор расхода;

б) регулятор соотношения компонентов;

в) регулятор наддува газа.

Система управления вектором тяги с помощью качания камеры двигателя.

Вспомогательные системы - система запуска и останова двигателя.


Поделиться с друзьями:

mylektsii.su - Мои Лекции - 2015-2026 год. (2.173 сек.)Все материалы представленные на сайте исключительно с целью ознакомления читателями и не преследуют коммерческих целей или нарушение авторских прав Пожаловаться на материал