Студопедия

Главная страница Случайная страница

КАТЕГОРИИ:

АвтомобилиАстрономияБиологияГеографияДом и садДругие языкиДругоеИнформатикаИсторияКультураЛитератураЛогикаМатематикаМедицинаМеталлургияМеханикаОбразованиеОхрана трудаПедагогикаПолитикаПравоПсихологияРелигияРиторикаСоциологияСпортСтроительствоТехнологияТуризмФизикаФилософияФинансыХимияЧерчениеЭкологияЭкономикаЭлектроника






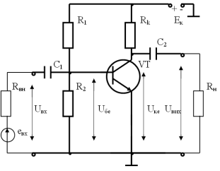
На малюнку представлена принципова електрична схема






 

   підсилювального каскаду на біполярному тирмисторі із загальним емітером

   підсилювального каскаду на біполярному транзисторі із загальним емітером

   підсилювального каскаду на біполярному тиристорі із загальним емітером

   підсилювального каскаду на біполярному трансформаторі із загальним емітером

 

35. Суттєвим недоліком транзисторів є залежність їх параметрів від:

   повітря

   температури

   психологічного стану

   частоти

 

36. Виконавчим механізмом називається –

   пристрій, що перетворює керуючий сигнал регулятора в переміщення регулювального органа

   пристрій, який сприймає різницю між поточним і заданим значеннями регульованої величини та перетворює її у вплив на регулювальний орган відповідно до закладеного в регулятор закону регулювання

   пристрій, що дозволяє змінювати напрямок або витрату потоку речовини або енергії відповідно до вимог технологічного процесу

   пристрій, що характеризується залежністю між вихідний і вхідний величинами в усталеному та перехідному режимах

 

37. Регулювальним органом називається –

   пристрій, який сприймає різницю між поточним і заданим значеннями регульованої величини та перетворює її у вплив на регулювальний орган відповідно до закладеного в регулятор закону регулювання

   пристрій, що дозволяє змінювати напрямок або витрату потоку речовини або енергії відповідно до вимог технологічного процесу

   пристрій, що характеризується залежністю між вихідний і вхідний величинами в усталеному та перехідному режимах

   пристрій, що перетворює керуючий сигнал регулятора в переміщення регулювального органа

 

38. Пристрій, який складається з виконавчого двигуна, передатного або перетворюючого вузла, а також систем захисту, контролю та сигналізації положення вихідного елемента, блокування та відключення, називається

   автоматичним регулятором

   виконавчим механізмом

   регулювальним органом

   вимірювальним перетворювачем

 

39. Класифікація виконавчого механізму по виду споживаної енергії:

   електродвигунні

   електромагнітні

   пневматичні

   гідравлічні

 

40. Класифікувати виконавчий механізм по виду споживаної енергії за представленим малюнком

   гідравлічні

   електродвигунні

   пневматичні

   електромагнітні

 

41. Класифікувати виконавчий механізм по виду споживаної енергії за представленим малюнком

   пневматичні

   гідравлічні

   електромагнітні

   електродвигунні

 

42. Класифікувати виконавчий механізм по виду споживаної енергії за представленим малюнком

 

   пневматичні

   гідравлічні

   електромагнітні

   електродвигунні

43. Класифікувати виконавчий механізм по виду споживаної енергії за представленим малюнком

   електромагнітні

   електродвигунні

   гідравлічні

   пневматичні

 

44. Електромагнітні муфти можуть бути

   асинхронними

   порошковими

   синхронними

   фрикційними

 

45. Регулювальні органи поділяються на типи:

   дросельного типу

   масового типу

   швидкісного типу

   об'ємного типу

 

46. Регулювальні органи, які змінюють витрату середовища за рахунок зміни її обсягу

   масового типу

   дросельного типу

   швидкісного типу

   об'ємного типу

 

47. Регулювальні органи, які змінюють продуктивність за рахунок зміни своєї частоти обертання

   масового типу

   дросельного типу

   швидкісного типу

   об'ємного типу

 

48. Регулювальні органи, які змінюють витрату речовини за рахунок зміни швидкості та площі перетину потоку рідини або газу при проходженні його через дроселюючий пристрій, гідравлічний опір якого — змінна величина

   дросельного типу

   масового типу

   об'ємного типу

   швидкісного типу

49. До якого способу регулювання відносяться дані механічні характеристики:

   включення додаткових резисторів R у ланцюг ротора

   зміна числа пар полюсів

   зміна напруги живлення статора АД

   включення додаткових резисторів R у ланцюг статора

 

50. До якого способу регулювання відносяться дані механічні характеристики:

 

   включення додаткових резисторів R у ланцюг статора

   зміна числа пар полюсів

   зміна напруги живлення статора АД

   включення додаткових резисторів R у ланцюг ротора

 

51. До якого способу регулювання відносяться дані механічні характеристики:

   зміна числа пар полюсів

   зміна напруги живлення статора АД

   включення додаткових резисторів R у ланцюг статора

   включення додаткових резисторів R у ланцюг ротора

 

52. Аналіз характерних крапок штучних механічних характеристик: швидкість холостого ходу не змінюється; крапки екстремуму Мк і sк – зменшуються, як і пусковий момент. До якого способу регулювання координат АД відноситься даний аналіз.

   зміна напруги живлення статора АД

   включення додаткових резисторів R у ланцюг статора

   включення додаткових резисторів R у ланцюг ротора

   зміна числа пар полюсів

 

53. Аналіз характерних крапок штучних механічних характеристик: швидкість холостого ходу не змінюється; не впливає на критичне ковзання sk, але суттєво змінює критичний момент Мк. До якого способу регулювання координат АД відноситься даний аналіз.

   включення додаткових резисторів R у ланцюг статора

   включення додаткових резисторів R у ланцюг ротора

   зміна числа пар полюсів

   зміна напруги живлення статора АД

 

54. Аналіз характерних крапок штучних механічних характеристик: швидкість холостого ходу не змінюється; пусковий момент можна підвищувати до критичного значення Мкпри одночасному зниженні пускового струму; критичний момент Мк залишається незмінним. До якого способу регулювання координат АД відноситься даний аналіз.

   включення додаткових резисторів R у ланцюг статора

   зміна напруги живлення статора АД

   включення додаткових резисторів R у ланцюг ротора

   зміна числа пар полюсів


Поделиться с друзьями:

mylektsii.su - Мои Лекции - 2015-2026 год. (1.657 сек.)Все материалы представленные на сайте исключительно с целью ознакомления читателями и не преследуют коммерческих целей или нарушение авторских прав Пожаловаться на материал