Студопедия

Главная страница Случайная страница

КАТЕГОРИИ:

АвтомобилиАстрономияБиологияГеографияДом и садДругие языкиДругоеИнформатикаИсторияКультураЛитератураЛогикаМатематикаМедицинаМеталлургияМеханикаОбразованиеОхрана трудаПедагогикаПолитикаПравоПсихологияРелигияРиторикаСоциологияСпортСтроительствоТехнологияТуризмФизикаФилософияФинансыХимияЧерчениеЭкологияЭкономикаЭлектроника






В частотно-регульованих електроприводах використовують






   АД загального призначення

   двигуни постійного струму з паралельним збудженням

   двигуни постійного струму з незалежним збудженням

   спеціальні багатошвидкістні двигуни

 

72. Для сільськогосподарських машин і агрегатів розроблені частотно-регульовані двигуни з межами регулювання

   частоти 150-600 Гц, а напруги 30 - 380 В

   частоти 50-60 Гц, а напруги 30 - 380 В

   частоти 50-60 Гц, а напруги 380 - 6000 В

   частоти 5-60 Гц, а напруги 30 - 380 В

 

73. До якого способу регулювання відносяться дані механічні характеристики:

   зміна числа пар полюсів

   включення додаткових резисторів R у ланцюг ротора

   включення додаткових резисторів R у ланцюг статора

   зміна напруги живлення статора АД

 

74. До якого способу регулювання відносяться дані механічні характеристики:

   включення додаткових резисторів R у ланцюг статора

   зміна числа пар полюсів

   включення додаткових резисторів R у ланцюг ротора

   зміна напруги живлення статора АД

 

75. До якого способу регулювання відносяться дані механічні характеристики:

 

   зміна числа пар полюсів

   включення додаткових резисторів R у ланцюг статора

   зміна напруги живлення статора АД

   включення додаткових резисторів R у ланцюг ротора

 

76. До якого способу регулювання відносяться дані механічні характеристики:

 

   зміна напруги живлення статора АД

   включення додаткових резисторів R у ланцюг ротора

   зміна числа пар полюсів

   включення додаткових резисторів R у ланцюг статора

 

77. Аналіз характерних крапок штучних механічних характеристик: швидкість холостого ходу не змінюється; крапки екстремуму Мк і sк – зменшуються, як і пусковий момент. До якого способу регулювання координат АД відноситься даний аналіз.

   включення додаткових резисторів R у ланцюг ротора

   зміна напруги живлення статора АД

   зміна числа пар полюсів

   включення додаткових резисторів R у ланцюг статора

 

78. Аналіз характерних крапок штучних механічних характеристик: швидкість холостого ходу не змінюється; не впливає на критичне ковзання sk, але суттєво змінює критичний момент Мк. До якого способу регулювання координат АД відноситься даний аналіз.

   зміна числа пар полюсів

   включення додаткових резисторів R у ланцюг статора

   включення додаткових резисторів R у ланцюг ротора

   зміна напруги живлення статора АД

 

79. Аналіз характерних крапок штучних механічних характеристик: швидкість холостого ходу не змінюється; пусковий момент можна підвищувати до критичного значення Мкпри одночасному зниженні пускового струму; критичний момент Мк залишається незмінним. До якого способу регулювання координат АД відноситься даний аналіз.

   зміна числа пар полюсів

   включення додаткових резисторів R у ланцюг ротора

   зміна напруги живлення статора АД

   включення додаткових резисторів R у ланцюг статора

 

80. Аналіз характерних крапок штучних механічних характеристик: швидкість холостого ходу змінюється вдвічі; пусковий момент зменшується; критичний момент Мк залишається незмінним. До якого способу регулювання координат АД відноситься даний аналіз.

   включення додаткових резисторів R у ланцюг ротора

   включення додаткових резисторів R у ланцюг статора

   зміна числа пар полюсів (перемикання зірка - подвійна зірка)

   зміна числа пар полюсів (перемикання трикутник - подвійна зірка)

 

81. Представлені механічні характеристики отримані шляхом різного з’єднання фаз обмоток статора, яким чином:

   зірка - подвійна зірка

   трикутник – подвійна зірка

   трикутник - зірка

   подвійна зірка – потрійний трикутник

82. Представлені механічні характеристики отримані шляхом різного з’єднання фаз обмоток статора, яким чином:

   трикутник – подвійна зірка

   подвійна зірка – потрійний трикутник

   зірка - подвійна зірка

   трикутник - зірка

 

83. Представлені механічні характеристики отримані шляхом різного з’єднання фаз обмоток статора, визначте залежність характеристик від числа пар полюсів:

   1 механічна характеристика має в 2 рази більше число пар полюсів, ніж 2

   1 механічна характеристика має в 3 рази більше число пар полюсів, ніж 2

   2 механічна характеристика має в 2 рази більше число пар полюсів, ніж 1

   1 і 2 механічні характеристики мають однакове число пар полюсів

 

84. Представлені механічні характеристики отримані шляхом різного з’єднання фаз обмоток статора, визначте залежність характеристик від числа пар полюсів:

   1 і 2 механічні характеристики мають однакове число пар полюсів

   1 механічна характеристика має в 3 рази більше число пар полюсів, ніж 2

   1 механічна характеристика має в 2 рази менше число пар полюсів, ніж 2

   1 механічна характеристика має в 2 рази більше число пар полюсів, ніж 2

85. Який спосіб регулювання координат трифазного АД може бути реалізований тільки при використанні спеціальних АД, що одержали назву багатошвидкістних?

   включення додаткових резисторів R у ланцюг ротора

   включення додаткових резисторів R у ланцюг статора

   зміна напруги живлення статора АД

   зміна числа пар полюсів

 

86. Представлена схема з'єднання секцій обмотки статора для зміни числа пар полюсів АД

   секції з'єднані паралельно та зустрічно р = 2

   секції з'єднані паралельно р = 1

   секції з'єднані послідовно та зустрічно р = 1

   секції з'єднані послідовно та згідно р = 2

 

87. Представлена схема з'єднання секцій обмотки статора для зміни числа пар полюсів АД

   секції з'єднані послідовно та зустрічно р = 1

   секції з'єднані послідовно та згідно р = 2

   секції з'єднані паралельно та зустрічно р = 2

   секції з'єднані паралельно р = 1

 

88. Представлена схема з'єднання секцій обмотки статора для зміни числа пар полюсів АД

   секції з'єднані паралельно р = 1

   секції з'єднані паралельно та зустрічно р = 2

   секції з'єднані послідовно та зустрічно р = 1

   секції з'єднані послідовно та згідно р = 2


Модуль №3 «Автоматизація виробничих процесів. Замкнені схеми управління електроприводом»

1. Визначити за яким принципом побудована дана замкнена структура електропривода:

 

   принцип відхилення

   частотне регулювання

   принцип зворотного зв'язку

   компенсації зовнішніх збурювань

 

2. Визначити за яким принципом побудована дана замкнена структура електропривода:

   компенсації зовнішніх збурювань

   частотне регулювання

   принцип відхилення

   програмно-керований електропривод

 

3. Зворотні зв'язки, які використовуються в замкненому електроприводі діляться на

   жорсткий та гнучкі

   лінійні та нелінійні

   диференційні та інтегральні

   позитивні та негативні

 

4. В замкненому електроприводі позитивним називається такий зворотний зв'язок

   сигнал якого діє тільки в перехідних режимах електропривода

   сигнал якого діє як в перехідному режимі, так і в режимі, що встановився

   сигнал якого спрямований згідно із сигналом, що задається

   спрямований зустрічно із сигналом, що задається

 

5. В замкненому електроприводі негативним називається такий зворотний зв'язок

   сигнал якого спрямований згідно із сигналом, що задається

   сигнал якого діє тільки в перехідних режимах електропривода

   сигнал якого діє як в перехідному режимі, так і в режимі, що встановився

   спрямований зустрічно із сигналом, що задається

6. В замкненому електроприводі жорстким називається такий зворотний зв'язок

   сигнал якого діє тільки в перехідних режимах електропривода

   спрямований зустрічно із сигналом, що задається

   сигнал якого спрямований згідно із сигналом, що задається

   сигнал якого діє як в перехідному режимі, так і в режимі, що встановився

 

7. В замкненому електроприводі гнучким називається такий зворотний зв'язок

   сигнал якого діє тільки в перехідних режимах електропривода

   сигнал якого діє як в перехідному режимі, так і в режимі, що встановився

   сигнал якого спрямований згідно із сигналом, що задається

   спрямований зустрічно із сигналом, що задається

 

8. Представлена схема замкненого електропривода із загальним підсилювачем забезпечує регулювання

 

   двох координат – положення та ЕРС

   двох координат – напруги та струму (моменту)

   двох координат – швидкості та струму (моменту)

   двох координат – ЕРС та магнітного потоку

 

9. Представлена схема замкненого електропривода реалізує регулювання координат яким способом?

 

   сумуються всі сигнали пристроєм керування

   підлеглим регулюванням координат

   компенсація зовнішніх збурювань

   незалежним регулюванням координат

 

10. Дайте визначення основній перевазі для схеми замкненого електропривода підлеглого регулювання координат

 

   основна перевага такої схеми полягає у відсутності можливості регулювання кожної координати, а підпорядкованість контурів струму та швидкості не дозволяє спростити перехідні процеси

   основна перевага такої схеми полягає в простоті реалізації, але недолік – вона має високі експлуатаційні витрати

   основна перевага такої схеми полягає в можливості оптимального настроювання регулювання кожної координати, а підпорядкування контуру струму контуром швидкості дозволяє спростити процес обмеження струму та моменту

   основна перевага такої схеми полягає в простоті реалізації, але вона не дозволяє регулювати координати електропривода незалежно один від одного

 

11. Визначте закон регулювання автоматичного регулятора по представленому диференційному рівнянню:

   П

   ПІ

   ПД

   І

 

12. Визначте закон регулювання автоматичного регулятора по представленому диференційному рівнянню:

   П

   І

   ПД

   ПІ

13. Визначте закон регулювання автоматичного регулятора по представленому диференційному рівнянню:

   ПД

   І

   П

   ПІ

 

14. Визначте закон регулювання автоматичного регулятора по представленому диференційному рівнянню:

   ПД

   П

   І

   ПІ

15. Визначте закон регулювання автоматичного регулятора по представленому диференційному рівнянню:

   ПІД

   ПІ

   І

   П

 

16. Визначте закон регулювання автоматичного регулятора по представленій передатній характеристиці:

   ПІД

   П

   ПІ

   І

 

17. Визначте закон регулювання автоматичного регулятора по представленій передатній характеристиці:

   І

   ПІ

   П

   ПІД

18. Визначте закон регулювання автоматичного регулятора по представленій передатній характеристиці:

   І

   П

   ПІ

   ПД

 

19. Визначте закон регулювання автоматичного регулятора по представленій передатній характеристиці:

   ПІ

   П

   І

   ПД

 

20. Визначте закон регулювання автоматичного регулятора по представленій передатній характеристиці:

   П

   ПД

   ПІ

   ПІД

 

21. Автоматичний регулятор з реалізацією якого закону забезпечуює високу якість стабілізації параметру незалежно від навантаження об'єкта:

   І

   ПІД

   П

   ПІ

22. Автоматичний регулятор з реалізацією якого закону може стійко працювати тільки на об'єктах, що мають значне самовирівнювання:

   ПІД

   І

   П

   ПІ

23. Автоматичний регулятор з реалізацією якого закону може стійко працювати практично в будь-яких технологічних системах, однак його недолік — залежність регульованої величини від навантаження об'єктів:

   ПІД

   ПІ

   П

   І

24. Пристрій, який сприймає різницю між поточним і заданим значеннями регульованої величини та перетворює її у вплив на регулювальний орган відповідно до закладеного закону регулювання, називають

   об’єктом керування

   регулювальним органом

   виконавчим механізмом

   автоматичним регулятором

 

25. У більшості випадків під автоматичним регулятором розуміють пристрій, що ухвалює сигнал від первинного перетворювача і формує керуючий сигнал, який передається на:

   об’єкт керування

   виконавчий механізм

   автоматичний регулятор

   регулювальний орган

 

26. Автоматичні регулятори класифікуються по наступних ознаках:

   по виду диференційного рівняння

   по виду регульованого параметру та по виду регулюючого впливу

   по роду енергії та по конструктивному виконанню

   за законом регулювання

27. Що визначає представлена формула

   втрати потужності в ланцюзі обмоток статора

   змінні втрати потужності у трифазному асинхронному двигуні

   втрати потужності в ланцюзі обмоток ротора

   постійні втрати потужності у трифазному асинхронному двигуні

28. Що визначає представлена формула

   втрати потужності в ланцюзі обмоток ротора

   повні втрати енергії при роботі двигуна з постійним навантаженням

   втрати потужності в ланцюзі обмоток статора

   повні втрати енергії при роботі двигуна із циклічно мінливим навантаженням

29. Що визначає представлена формула

   повні втрати енергії при роботі двигуна із циклічно мінливим навантаженням

   втрати потужності в ланцюзі обмоток статора

   втрати потужності в ланцюзі обмоток ротора

   повні втрати енергії при роботі двигуна з постійним навантаженням

 

30. У перехідних режимах струми, що протікають по обмотках двигуна, істотно перевищують номінальні значення:

   що викликає підвищені втрати енергії, тобто додаткове нагрівання двигуна

   майже не викликають втрати енергії, за причиною своєї короткочасності

   невеликі втрати енергії не призводить до додаткового нагрівання двигуна

   що викликає підвищені втрати енергії, тобто додаткове охолодження двигуна

 

31. Втрати енергії за час перехідного процесу визначаються:

  

  

  

  

 

32. Втрати енергії під час пуску двигунів вхолосту () дорівнюють:

  

  

  

  

 

33. Втрати енергії при динамічному гальмуванні двигунів () дорівнюють:

  

  

  

  

 

34. Втрати енергії при гальмуванні двигунів противімкненням () дорівнюють:

  

  

  

  

35. Втрати енергії при реверсі двигунів () дорівнюють:

  

  

  

  

 

36. Визначте основні способи зниження втрат електроенергії в перехідних процесах двигунів:

   регулювання швидкості в перехідних процесах

   збільшення моменту інерції електропривода

   зменшення моменту інерції електропривода

   регулювання швидкості холостого ходу в перехідних процесах

 

37. Як можна зменшити момент інерції привода:

   застосовувати перетворювачі енергії

   заміною одного двигуна двома, що мають половинну потужність замінюваного двигуна

   застосуванням малоінерційних електродвигунів, що мають знижений момент інерції ротора

   раціональним конструюванням механічної передачі

 

38. Найбільш ефективний спосіб зниження втрат під час перехідних режимів – це керовані перехідні процеси. Визначте залежність зменшення втрат енергії в роторі при пуску у декілька ступенів:

  

  

  

  

39. Коефіцієнт корисної дії електродвигуна являє собою

   відношення повної механічної потужності на валу до потужності, споживаної з мережі

   відношення реактивної потужності на валу до потужності, споживаної з мережі

   відношення реактивної потужності на валу до активної потужності, споживаної з мережі

   відношення активної потужності на валу до реактивної потужності, споживаної з мережі

 

40. Номінальне значення навантаження ((0, 6-0, 7) Р н) вибирається при ККД трохи нижчому, ніж максимальне значення. Чим це пояснюється:

   багато установок працюють зі змінним навантаженням

   реактивна потужність забезпечує створення електромагнітних полів двигуна, а безпосередньо корисної роботи не виконує

   при розрахунку електродвигунів передбачається запас потужності

   при збільшенні навантаження АД зростає і cos, досягаючи свого максимального значення в області номінального навантаження

 

41. Визначте вірні затвердження:

   коефіцієнт потужності електропривода характеризує його як споживача електроенергії

   асинхронні двигуни є основними споживачами реактивної потужності в системі електропостачання

   малопотужні електродвигуни звичайно мають кращі енергетичні характеристики, ніж потужні

   потужні електродвигуни звичайно мають кращі енергетичні характеристики, ніж малопотужні

 

42. Електропривод змінного струму споживає з мережі

   кут φ

   cosφ

   активну Р потужність

   реактивну Q потужність

 

43. Активна потужність витрачається електроприводом

   на створення електромагнітних полів двигуна

   на зсув фаз між напругою мережі й струмом електропривода

   на зниження споживання АД реактивної потужності

   на здійснення корисної роботи

 

44. Реактивна потужність витрачається електроприводом

   на зсув фаз між напругою мережі й струмом електропривода

   на зниження споживання АД реактивної потужності

   на здійснення корисної роботи

   на створення електромагнітних полів двигуна

 

45. Коефіцієнт потужності cosφ електропривода характеризує його як споживача електроенергії і визначається:

  

  

  

  

 

46. Коефіцієнт потужності cosφ електропривода характеризує його як споживача електроенергії, а кут φ визначає

   зсув фаз у трьохфазній мережі напруги

   здійснення корисної роботи

   зсув фаз між напругою мережі й струмом електропривода

   зниження споживання АД активної потужності

 

47. Для більшості АД . Для цих значень на кожен кіловат активної потужності АД споживає з мережі:

   0, 95 квар реактивної потужності

   0, 95 кВт реактивної потужності

   0, 5...0, 75 квар реактивної потужності

   0, 5...0, 75 кВт реактивної потужності

 

48. Що необхідно виконати для зниження споживання АД реактивної потужності і тим самим підвищити коефіцієнт потужності

   замінити недовантажені АД двигуном меншої потужності або понизити напругу в АД, що працює з малим завантаженням

   обмежити холостий хід АД

   використати компенсуючи пристрої

   застосувати СД замість АД

49. Визначте, який саме датчик рівня представлений на малюнку -

   електродний датчиків рівня

   електроконтактний манометр

   диффиренційний манометр

   поплавковий датчик рівня

 

50. Контроль за рівнем води у водонапірному баку може здійснюватись за допомогою

   поплавкових датчиків рівня

   електродних датчиків рівня

   електроконтактних манометрів

   індуктивних датчиків

 

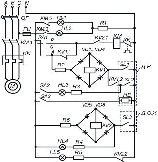
51. Представлена електрична схема автоматизації заглибного насоса за рівнем води у водонапірній вежі. Визначте, який саме датчик захищає насос від сухого ходу -

   датчика сухого ходу SL2

   датчика сухого ходу SL1

   датчика сухого ходу HL3

   датчика сухого ходу SL3

 

52. Представлена електрична схема автоматизації заглибного насоса за рівнем води у водонапірній вежі. Визначте, які саме датчики рівня слідкують за нижнім та верхнім рівнем води -

   датчики рівня HL1 та HL2

   датчики рівня HL3 та HL4

   датчики рівня SL2 та SL3

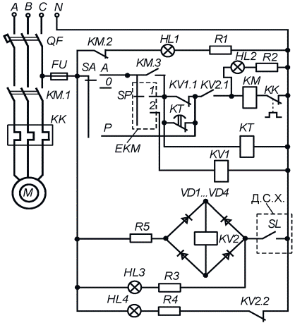
   датчики рівня SL1 та SL2

 

53. Представлена електрична схема автоматизації заглибного насоса за рівнем води у водонапірній вежі. Визначте, за що відповідає елемент схеми SА1 -

   SА1 слідкує за нижнім та верхнім рівнем води

   датчик сухого ходу SА1

   SА1 вмикає сигнальні лампочки

   режим роботи схеми задається перемикачем SА1

 

54. Представлена електрична схема автоматизації заглибного насоса за тиском водяного стовпа водонапірної вежі. Визначте, який саме датчик захищає насос від сухого ходу

   датчик сухого ходу KM

   датчика сухого ходу HL3

   датчика сухого ходу SL

   датчика сухого ходу KV2

 

55. Представлена електрична схема автоматизації заглибного насоса за тиском водяного стовпа водонапірної вежі. Визначте, який саме датчик слідкує за нижнім та верхнім рівнем води -

   KV2

   SL

   HL3

   SP

 

56. Представлена електрична схема автоматизації заглибного насоса за тиском водяного стовпа водонапірної вежі. Визначте, яку саме функцію відпрацьовує реле часу КТ -

   захищає від ложного спрацювання електроконтактного манометра

   подає напругу на схему керування

   дистанційно керує електродвигуном

   захищає від сухого ходу

 

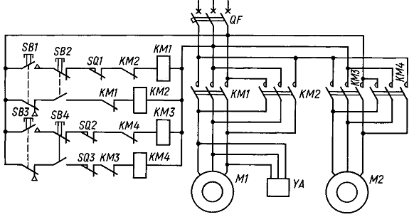
57. Схема пуску електродвигунів у потоковій лінії може бути:

   одночасний пуск

   музичний пуск

   лавинний пуск

   пуск з витримкою часу

 

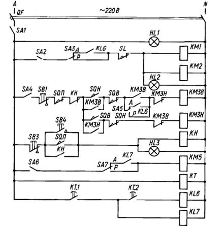
58. Представлена схема керування електроприводом кормороздавача РКА-2000. Щоб здійснити ручне керування, які дії необхідно здійснити:

   встановити перемикачі SA3, SA5, SA 7 у положення " Ручне"

   встановити перемикачі SA3, SA5, SA 7 у положення " Автоматичне"

   встановити перемикач SA1 і подати напругу на схему керування

   ввімкнути автомат QF

 


59. Представлена схема керування електроприводом кормороздавача РКА-2000. Який саме елемент системи контролює живлення двигунів M1 та M2:

 

   автомат QF

   перемикач SA5

   датчика рівня SL

   сигнальна лампочка HL1

 


60. Представлена схема керування електроприводом кормороздавача РКА-2000. Який із двигунів потокової системи реверсивний?

   двигун M5

   двигун M3

   двигун M2

   двигун M1

 


61. Представлена схема керування електроприводом талі. За допомогою яких елементів системи керують електродвигунами талі?

   автоматичних вимикачів

   рубильників

   кінцевих вимикачів

   реверсивних магнітних пускачів і пускових кнопок

 

62. Представлена схема керування електродвигуном талі. За допомогою яких елементів системи обмежується рух підйомного пристрою?

   рубильників

   кінцевих вимикачів

   реверсивних магнітних пускачів і пускових кнопок

   автоматичних вимикачів

63. Автоматизація виробничих процесів на промислових підприємствах тісно пов'язана з телемеханізацією та диспетчеризацією. Диспетчеризація являє собою

   пристрій, який сприймає різницю між поточним і заданим значеннями регульованої величини та перетворює її у вплив на регулювальний орган відповідно до закладеного в регулятор закону регулювання

   пристрій, що характеризується залежністю між вихідний і вхідний величинами в усталеному та перехідному режимах

   систему централізованого керування

   є одним з основних технічних засобів диспетчеризації

 

64. Автоматизація виробничих процесів на промислових підприємствах тісно пов'язана з телемеханізацією та диспетчеризацією. Телемеханізація –

   систему централізованого керування

   пристрій, що характеризується залежністю між вихідний і вхідний величинами в усталеному та перехідному режимах

   пристрій, який сприймає різницю між поточним і заданим значеннями регульованої величини та перетворює її у вплив на регулювальний орган відповідно до закладеного в регулятор закону регулювання

   є одним з основних технічних засобів диспетчеризації

 

65. У якості каналів зв'язку при телемеханізації звичайно використовують

   стандартні кабельні канали, що пропускають спектр частот від 30 до 340 Гц

   стандартні телефонні канали, що пропускають спектр частот від 300 до 3400 Гц

   стандартні радіочастотні канали, що пропускають спектр частот від 300 до 400 Гц

   стандартні повітряні канали, що пропускають спектр частот від 30 до 400 Гц

 

66. Необхідною умовою використання ТМС на промисловому підприємстві є

   оснащення виробничого процесу засобами автоматизації, пристроями захисту, контрольно-вимірювальними приладами та автоматичними виконавчими пристроями

   оснащення виробничого процесу пристроями захисту

   оснащення виробничого процесу санітарно-гігієнічними засобами

   оснащення виробничого процесу засобами телемеханізації та диспетчеризації

 

67. Залежно від відстані між керованим об'єктом і пунктом керування може застосовуватися місцеве, дистанційне або телемеханічне керування. Місцеве керування застосовується

   з економічних міркувань доцільно застосовувати при відстані не більше декількох десятків метрів

   з економічних міркувань доцільно застосовувати при відстані не більше декількох сотень кілометрів

   здійснює передачу команд на багато десятків і сотні кілометрів

   якщо по проводах передається не вся потужність, споживана керованим об'єктом, а тільки частина її, достатня для спрацьовування проміжного органа

 

68. Залежно від відстані між керованим об'єктом і пунктом керування може застосовуватися місцеве, дистанційне або телемеханічне керування. Дистанційне керування застосовується

   з економічних міркувань доцільно застосовувати при відстані не більше декількох сотень кілометрів

   здійснює передачу команд на багато десятків і сотні кілометрів

   якщо по проводах передається не вся потужність, споживана керованим об'єктом, а тільки частина її, достатня для спрацьовування проміжного органа

   з економічних міркувань доцільно застосовувати при відстані не більше декількох десятків метрів

 

69. Залежно від відстані між керованим об'єктом і пунктом керування може застосовуватися місцеве, дистанційне або телемеханічне керування. Телемеханічне керування застосовується

   якщо по проводах передається не вся потужність, споживана керованим об'єктом, а тільки частина її, достатня для спрацьовування проміжного органа

   з економічних міркувань доцільно застосовувати при відстані не більше декількох десятків метрів

   з економічних міркувань доцільно застосовувати при відстані не більше декількох сотень кілометрів

   здійснює передачу команд на багато десятків і сотні кілометрів

 

70. Визначте вірні твердження

   при дистанційному керуванні для передачі кожної команди керування необхідна окрема лінія зв'язку

   у телемеханіці прийнятий двоступінчастий процес керування: спочатку диспетчер вибирає об'єкт (знаходить його адресу), а потім посилає команду («включити» або «виключити»)

   при телемеханічному керуванні одну лінію зв'язку застосовують для керування багатьма об'єктами шляхом посилки по ній спеціальних (кодованих) сигналів

   наявність ланцюга керування є головною ознакою дистанційного керування, що відрізняє його від місцевого

 

71. Передача сигналів у телемеханічних системах відбувається по каналах зв'язку. Лінія зв'язку —

   це фізичне середовище, по якому передають сигнали

   це сукупність технічних засобів, що забезпечують передачу повідомлень по лінії зв'язку від джерела до приймача

   це система централізованого керування

   це пристрій, що характеризується залежністю між вихідний і вхідний величинами в усталеному та перехідному режимах

 

72. Передача сигналів у телемеханічних системах відбувається по каналах зв'язку. Канал зв'язку —

   це система централізованого керування

   це фізичне середовище, по якому передають сигнали

   це пристрій, що характеризується залежністю між вихідний і вхідний величинами в усталеному та перехідному режимах

   це сукупність технічних засобів, що забезпечують передачу повідомлень по лінії зв'язку від джерела до приймача

 


4. Навчально-методична література

4.1. Основна і додаткова література (із наскрізною нумерацією)

4.1.1. Основна література

1. Жулай Є.Л., Зайцев Б.В., Лавріненко Ю.М., Марченко О.С., Войтнюк Д.Г. Електропривід сільськогосподарських машин, агрегатів та потокових ліній. – К.: Вища освіта, 2001. –288 с.

2. Практикум з електропривода / В.С. Олійник, О.С. Марченко, Е.Л. Жулай, Ю.М. Лавриненко. - К.: Урожай, 1999, 192 с.

3. Дайнеко В.А. Электрооборудование сельскохозяйственных предприятий - Минск: Новое знание, 2008.- 320 с.

4. Бородин И.Ф., Кирилин Н.И. Основы автоматики и автоматизации производственных процессов. – М.: Колос, 1972, –328 с.

5. Мартыненко Н.И. Автоматика и автоматизация производственных процессов. – М., Агропромиздат, 1985, 324 с.

6. М.Г. Чиликин, М.М. Соколов, В.М. Терехов, А.В. Шинянский Основы автоматизированного электропривода. Учеб. пособие для вузов. М., «Энергия», 1974. 508 с.

7. Электрооборудование и автоматизация сельскохозяйственных агрегатов и установок (И.Ф. Кудрявцев, Л.А. Калинин, В.А. Карасенко и др./Под ред. Кудрявцева И.Ф. - М.: Агропромиздат, 1988. - с. 480.

8. Москаленко В. В. Электрический привод. - М.: Издательский центр «Академия», 2004. - 368 с.

9. Фоменков А. П. Электропривод сельскохозяйственных машин, агрегатов и поточных линий. - М.: Колос, 1984. - 288 с.

10. Подобайло В. Г., Зініч В. П., Байгер М. А. Застосування електроенергії у сільському господарстві. - К.: Урожай, 1989. - 166 с.

11. Електрообладнання тваринницьких підприємств і автоматизація виробничих процесів у тваринництві / В. Ф. Гончар, Л. П. Тищенко -2-е вид. перероб. і доп. - К.: Вища школа, 1986, 287 с.

12. Фокин В. В. Практикум по электрооборудованию сельскохозяйственного производства. - М.: Агропромиздат, 1991, 160 с.

13. Автоматика и автоматизация производственных процессов / Н. Н. Мартиненко, Б. Л. Головенский, Р. Д. Проценко, Т. Ф. Резниченко. - М.: Агропромиздат, 1985, 335с.

 

4.1.2.Додаткова література

 

14. Марголин Ш. М. Дифференциальный электропривод. - М.: Энергия, 1975. -168 с.

15. Транзисторный электропривод на базе синхронных двигателей с возбуждением от постоянных магнитов для станков и промышленных роботов / А. Д. Поздеев, В. В. Горчаков, Н. В.Донской и др. //Электротехника. - 1988. -№2. -

16. Москаленко В. В. Электрический привод. - М.: Высш. шк., 1991. - 430 с.

17. Применение микропроцессорных систем в энергетике и радиоэлектронике / А. Н.Дорошенко, Ю. Н. Евланов, Л. А. Ильяшенко, и др.; Под ред. B. А. Мясникова, А. А. Дерюгина. - М.: Моск. энерг. ин-т, 1986. - 100 с.

18. Терехов В.М. Элементы автоматизированного электропривода. - М.: Энергоатомиздат, 1987. - 224 с.


 

Методичні вказівки до самостійної роботи з дисципліни

«Електропривод і автоматизація»,

для студентів денної форми навчання факультету механізації сільського господарства, бакалаврів за напрямом підготовки 6.100102 «Процеси, машини та обладнання агропромислового виробництва» кваліфікації 6.100102 «Технічний фахівець-механік».

Ухвалено науково-методичною радою факультету механізації сільського господарства.

 

 


Поделиться с друзьями:

mylektsii.su - Мои Лекции - 2015-2026 год. (5.514 сек.)Все материалы представленные на сайте исключительно с целью ознакомления читателями и не преследуют коммерческих целей или нарушение авторских прав Пожаловаться на материал