Студопедия

Главная страница Случайная страница

КАТЕГОРИИ:

АвтомобилиАстрономияБиологияГеографияДом и садДругие языкиДругоеИнформатикаИсторияКультураЛитератураЛогикаМатематикаМедицинаМеталлургияМеханикаОбразованиеОхрана трудаПедагогикаПолитикаПравоПсихологияРелигияРиторикаСоциологияСпортСтроительствоТехнологияТуризмФизикаФилософияФинансыХимияЧерчениеЭкологияЭкономикаЭлектроника






Характеристики однофазных асинхронных двигателей






 

Известны четыре исполнения асинхронных однофазных электродвигателей с двумя обмотками на статоре и короткозамкнутым ротором.

Исполнение Е. Они выпускаются мощностью до 3 кВт – двухполюсные, до 2, 2 кВт – четырехполюсные. Исполнение Е имеет на статоре две обмотки, расположенные под углом 90 градусов. Для образования кругового вращающегося электромагнитного поля необходимо, чтобы токи в обмотках были сдвинуты также на 90 градусов. Для этого в одну обмотку включают ёмкостное сопротивление, которое вызывает опережающие напряжения ток I2. Емкость собирается такой величины, чтобы угол между токами I1 и I2 были 90 градусов (рисунок 3.19).

 

Рисунок 3.19. Принципиальная электрическая схема однофазного электродвигателя исполнения (а) и его векторная диаграмма (б).

 

Исполнение ЕR. Имеет повышенное сопротивления, а схема включения обмоток аналогично рисунку 3.19.

Исполнение R. Не имеетконденсатора в пусковой обмотке, но эта обмотка выполнена более тонким проводом и имеет повышенное сопротивление. Фаза тока I2 отличается от фазы тока I1 на угол ψ (рисунок 3.20), поэтому при нажатии на кнопку SB «Пуск» образуется не круговое вращающееся электромагнитное поле, а в виде эллипса, создается не большой пусковой момент. После запуска двигателя кнопку SB отпускают.

Рисунок 3.20. Принципиальная электрическая схема включения асинхронного однофазного двигателя исполнения R и его векторная диаграмма.

 

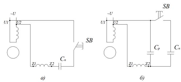
Исполнение U. Отличается тем, что в пусковую обмотку включается на время пуска конденсатор, который называется пусковым. По емкости он в 2 – 3 раза больше, чем рабочий конденсатор в схеме рисунка 3.19. Он обеспечивает значительный пусковой момент и быстрый разбег электродвигателя.

Рисунок 3.21. Принципиальная электрическая схема включения асинхронного однофазного двигателя исполнение U (а) и исполнения D (б).

 

Исполнение D. Отличается тем, что имеет рабочий и пусковой конденсаторы, включаемые в пусковую обмотку.

Встречается в бытовой технике однофазные двигатели с расщепленными полюсами. Они изготавливаются мощностью до 60 Вт, двух или четырех полюсные. Они не реверсируются, имеют только одно направление вращения. Это объясняется их конструкцией. На каждом полюсе двигателя имеются короткозамкнутый виток, в виде медного кольца, охватывающий часть магнитопровода полюса.

При включении обмотки возбуждения в сеть создается в магнитопроводе пульсирующие электромагнитное поле. Часть его Фкз (рисунок 3.22) проходит через магнитопровод, охваченный короткозамкнутым витком. Другая часть магнитного потока Ф0 проходят через неохваченный витком магнитопровод. Эти магнитные потоки сдвинуты в пространстве и по фазе, поскольку поток Фкз задерживается токами короткозамкнутого витка. Этого условия достаточно, чтобы в короткозамкнутом роторе индуктировались токи, сдвинутые по фазе, вызывающие момент двигателя при пуске и в установившемся режиме работы.

Рисунок 3.23. Упрощенное изображение конструкции однофазного электродвигателя с расщепленными полюсами.

 

Из рисунка 3.22 следует, что:

1) однофазные асинхронные двигатели исполнения U и D обеспечивают в два раза больший пусковой момент, чем двигатели исполнения E, ER или R. Пусковой момент: последних на уровне номинального;

2) в рабочей зоне механических характеристик наибольший момент обеспечивают исполнение Е и D. Они имеют наилучшие показатели КПД и коэффициент мощности;

3) наибольший пусковой ток имеет исполнение R. Он более чем в два раза превышает пусковой ток исполнений D или ER или E;

4) исполнение ER имеет повышенное скольжение и предназначено для повторно – кратковременного режима работы.

Для обеспечения автоматического отключения пусковых емкостей или пусковой обмотки, после разбега однофазных двигателей используют специальные центробежные выключатели или специальные токовые пусковые реле.

Однофазные характеристики:

Рисунок 3.22.

 

 


Поделиться с друзьями:

mylektsii.su - Мои Лекции - 2015-2026 год. (2.841 сек.)Все материалы представленные на сайте исключительно с целью ознакомления читателями и не преследуют коммерческих целей или нарушение авторских прав Пожаловаться на материал