Студопедия

Главная страница Случайная страница

КАТЕГОРИИ:

АвтомобилиАстрономияБиологияГеографияДом и садДругие языкиДругоеИнформатикаИсторияКультураЛитератураЛогикаМатематикаМедицинаМеталлургияМеханикаОбразованиеОхрана трудаПедагогикаПолитикаПравоПсихологияРелигияРиторикаСоциологияСпортСтроительствоТехнологияТуризмФизикаФилософияФинансыХимияЧерчениеЭкологияЭкономикаЭлектроника






Цель работы. 4.1.1. Установите основные закономерности потери напряжения в проводах при передаче электрической энергии на расстояние.






 

4.1.1. Установите основные закономерности потери напряжения в проводах при передаче электрической энергии на расстояние.

 

Оборудование.

 

4.2.1. Амперметр (0-0, 5)А – 1 шт.

4.2.2. Вольтметр (0-100)В – 2 шт.

 

Прядок выполнения работы.

 

4.3.1. Записать технические характеристики измерительных приборов в таблицу 4.

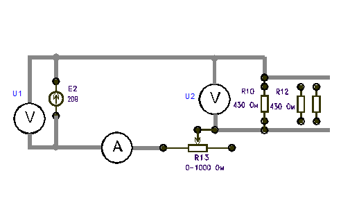
4.3.2. Изучить и собрать электрическую цепь (рис. 4).

 

 
 

Рис. 4.

 

4.3.3. Получив разрешение преподавателя, включить стенд и подать напряжение в схему от источника Е2 порядка (90-100)В.

4.3.4. Изменяя число ламп от 0 до 5 записать показания приборов в таблицу 4. Длина линии определяется по одному из значений сопротивления линии R и заданными m и S.

4.3.5. Таблица показаний и расчетов.

 

 

Таблица 4.

№ п/п Замеры Расчеты
n I U1 U2 DU DU% DP R h m S l
В А В В В % Вт Ом % м/Ом мм2 мм2 м
                        3, 2    
                   
                   
                   
                   
                   

 

4.3.6. Расчетные формулы.

 

 

 

 

 

4.3.7. По данным таблицы построить графики зависимостей.

 

h = f(I); U2 = f(I); DU = f(I);

 
 

 

 

Сделать заключение по данной лабораторной работе.

4.4.1. Влияние отдельных факторов на потерю напряжения в линии.

4.4.2. Влияние отдельных факторов на потерю мощности в линии.

4.4.3. Зависимость к.п.д. от нагрузки.

 

 

5. Лабораторная работа № 5

 

«Режимы работы источника электрической энергии»

 


Поделиться с друзьями:

mylektsii.su - Мои Лекции - 2015-2026 год. (2.491 сек.)Все материалы представленные на сайте исключительно с целью ознакомления читателями и не преследуют коммерческих целей или нарушение авторских прав Пожаловаться на материал