Студопедия

Главная страница Случайная страница

КАТЕГОРИИ:

АвтомобилиАстрономияБиологияГеографияДом и садДругие языкиДругоеИнформатикаИсторияКультураЛитератураЛогикаМатематикаМедицинаМеталлургияМеханикаОбразованиеОхрана трудаПедагогикаПолитикаПравоПсихологияРелигияРиторикаСоциологияСпортСтроительствоТехнологияТуризмФизикаФилософияФинансыХимияЧерчениеЭкологияЭкономикаЭлектроника






Прядок выполнения работы. 5.3.1. Записать технические характеристики измерительных приборов в таблицу 5.1.






 

5.3.1. Записать технические характеристики измерительных приборов в таблицу 5.1.

5.3.2. Измерить э.д.с. исследуемых источников электрической энергии.

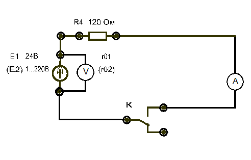
5.3.3. Собрать цепь для генераторного режима источника Е1 и Е2 (рис. 5.1.).

 
 

Рис. 5.1.

 

5.3.4. Таблица показаний и расчетов.

 

Таблица 5.1.

Источник 1 Источник 2
Е1 U1 I1 r01 Е2 U2 I2 r02
В В А Ом В В А Ом
               

 

 

 

Э.д.с. источника Е2. устанавливаем порядка (45-60)В.

 

5.3.5. Собрать и изучить схему электрической цепи (рис. 5.2.).

5.3.6. При разомкнутом тумблере «К» измерить э.д.с. и записать показания в таблицу 5.2.

5.3.7. Замкнуть тумблер «К» и для трех значений сопротивления резистора R13 (140, 120, 100) записать в таблицу 5.2. значения тока и напряжения.

 

 
 

 

Рис. 5.2.

 

Таблица 5.2.

№ п/п Замеры Расчеты Режимы
E I U   U01 U02 P01 P02 Pr1 Pr2 DP P R h
В А В В В Вт Вт Вт Вт Вт Вт Ом %
                            х.х.
                        Рабочий режим
                       
                       
                        к.з.

 

 

5.3.8. Расчетные формулы.

 

 

 

 

 

 

 

 

5.3.9. Убедится, что

5.3.10. По данным таблицы построить внешнюю характеристику источника.

 

 

U = f(I);

 
 

Сделать заключение по данной лабораторной работе.

5.4.1.

5.4.2. Изменение напряжения на зажимах источника с ростом нагрузки.

5.4.3. Значение потерь и к.п.д. источника.

 

 

6. Лабораторная работа № 6

 

«Измерение потенциалов в электрической цепи, построение потенциальной диаграммы»

 


Поделиться с друзьями:

mylektsii.su - Мои Лекции - 2015-2026 год. (1.528 сек.)Все материалы представленные на сайте исключительно с целью ознакомления читателями и не преследуют коммерческих целей или нарушение авторских прав Пожаловаться на материал