Студопедия

Главная страница Случайная страница

КАТЕГОРИИ:

АвтомобилиАстрономияБиологияГеографияДом и садДругие языкиДругоеИнформатикаИсторияКультураЛитератураЛогикаМатематикаМедицинаМеталлургияМеханикаОбразованиеОхрана трудаПедагогикаПолитикаПравоПсихологияРелигияРиторикаСоциологияСпортСтроительствоТехнологияТуризмФизикаФилософияФинансыХимияЧерчениеЭкологияЭкономикаЭлектроника






Цель работы. 9.1.1. Опытная проверка метода узлового напряжения.






 

9.1.1. Опытная проверка метода узлового напряжения.

 

Оборудование.

 

9.2.1. Источник электроэнергии – 2 шт.

9.2.2. Амперметр (0-0, 5)А – 3 шт.

9.2.3. Вольтметр (0-25)В – 1 шт.

9.2.4. Вольтметр (0-100)В – 1 шт.

 

Прядок выполнения работы.

 

9.3.1. Записать технические характеристики измерительных приборов в таблицу 9.

9.3.2. Измерить э.д.с. исследуемых источников электрической энергии.

9.3.3. Измерить сопротивлений резисторов омметром.

9.3.4.

 
 

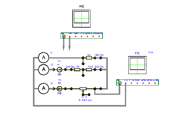
Собрать и изучить схему электрической цепи (рис. 9.).

 

Рис. 9.

 

9.3.5. Вольтметром V1 измерить напряжение на резисторах R8, R9-10, и R13 (R13).

9.3.6. Э.д.с. источника Е2 установить порядка (45-60)В.

9.3.7. Значения внутренних сопротивлений r01 и r02, взять из лабораторной работы №

9.3.8. Результаты наблюдений записать в таблицу 9.

 

 

Таблица 9.

Замеры Расчеты  
Е1 Е2 r01 r02 I1 I2 I3 U1 U2 U3 UАВ P1 P2 P3 R8 R9-10 R13  
В В Ом Ом А А А В В В В Вт Вт Вт Ом Ом Ом  
                                  Из опыта
                                  МУН
                                  МКТ

 

9.3.9. Расчет токов произвести методом узлового напряжения (МУН).

9.3.10. Расчет токов произвести методом контурных токов (МКТ). Расчет токов двумя способами записать в таблицу 9.

 

Сделать заключение по данной лабораторной работе.

9.4.1. Опытное подтверждение метода узлового напряжения.

 

 

10. Лабораторная работа № 10

 

«Изучение магнитной цепи»

 

Цель работы.

 

10.1.1. Опытная проверка метода узлового напряжения.

 

Оборудование.

 

10.2.1. Катушка с ферромагнитным сердечником – 1 шт.

10.2.2. Амперметр (0-0, 5)А – 1 шт.

10.2.3. Ваттметр (0-50)Вт – 1 шт.

10.2.4. Вольтметр (0-100)В – 1 шт.

 


Поделиться с друзьями:

mylektsii.su - Мои Лекции - 2015-2026 год. (0.464 сек.)Все материалы представленные на сайте исключительно с целью ознакомления читателями и не преследуют коммерческих целей или нарушение авторских прав Пожаловаться на материал