Студопедия

Главная страница Случайная страница

КАТЕГОРИИ:

АвтомобилиАстрономияБиологияГеографияДом и садДругие языкиДругоеИнформатикаИсторияКультураЛитератураЛогикаМатематикаМедицинаМеталлургияМеханикаОбразованиеОхрана трудаПедагогикаПолитикаПравоПсихологияРелигияРиторикаСоциологияСпортСтроительствоТехнологияТуризмФизикаФилософияФинансыХимияЧерчениеЭкологияЭкономикаЭлектроника






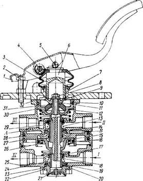
Приборы пневматического тормозного привода






Компрессор (рис. 294) поршневого типа, одноцилин­дровый, одноступенчатого сжатия. Компрессор закреп­лен на переднем торце картера маховика двигателя.

Поршень алюминиевый, с плавающим пальцем. От осевого перемещения палец в бобышках поршня фиксируется упорными кольцами. Воздух из кол­лектора двигателя поступает в цилиндр компрессора через пластинчатый впускной клапан. Сжатый пор­шнем воздух вытесняется в пневмосистему через расположенный в головке цилиндра пластинчатый нагнетательный клапан.

Головка охлаждается жидкостью, подводимой из системы охлаждения двигателя. Масло к трущимся поверхностям компрессора подается из масляной магистрали двигателя: к заднему торцу коленчатого вала компрессора и по каналам коленчатого вала к шатуну. Поршневой палец и стенки цилиндра сма­зываются разбрызгиванием.

При достижении в пневмосистеме давления 80020 кПа (8, 0°'2кгс/см2) регулятор давления сообщает нагнетательную магистраль с окружающей средой, прекращая подачу воздуха в пневмосистему.

Когда давление воздуха в пневмосистеме снизится до 650+50кПа (6, 5+0> 5 кгс/см2), регулятор перекрывает выход воздуха в окружающую среду и компрессор снова начинает нагнетать воздух в пневмосистему.

Влагоотделитель предназначен для выделения кон­денсата из сжатого воздуха и его автоматического удаления из питающей части привода. Устройство влагоотделителя показано на рис. 295.

Сжатый воздух от компрессора через подвод II подается в оребренную алюминиевую трубку-ох­ладитель (радиатор) 1, где постоянно охлаждается


Рис. 295. Влагоотделитель: 1 - радиатор с ребристыми трубками; 2 - корпус; 3 - винт пустотелый; 4 - аппарат направляющий; 5 - фильтр; 6 - мембрана; 7 - крышка; 8 - клапан слива конденсата; I - к регулятору давления; II - от компрессора; III - в атмосферу

потоком встречного воздуха. Затем воздух проходит по центробежным направляющим дискам на­правляющего аппарата 4 через отверстие пустотело­го винта 3 в корпусе 2 к выводу I и далее в пнев­матический тормозной привод. Выделявшаяся за счет термодинамического эффекта влага, стекая че­рез фильтр 5, скапливается в нижней крышке 7. При срабатывании регулятора давление во влагоотдели-теле падает, при этом мембрана 6 перемещается вверх. Клапан 8 слива конденсата открывается, ско­пившаяся смесь воды и масла через вывод III удаля­ется в атмосферу.

Направление потока сжатого воздуха показано стрелками на корпусе 2.

Регулятор давления (рис. 296) предназначен:

—для регулирования давления сжатого воздуха в
пневмосистеме;

—предохранения пневмосистемы от перегрузки
избыточным давлением;

—очистки сжатого воздуха от влаги и масла;

—обеспечения накачки шин.

Сжатый воздух от компрессора через вывод IV регулятора, фильтр 2, канал 12 подается в кольцевой канал. Через обратный клапан 11 сжатый воздух поступает к выводу II и далее в ресиверы пневмоси­стемы автомобиля. Одновременно по каналу 9 сжа­тый воздух проходит под поршень 8, который нагру­жен уравновешивающей пружиной 5. При этом выпускной клапан 4, соединяющий полость над разгрузочным поршнем 14 с атмосферой через вывод I, открыт, а впускной клапан 13 под действием пружины закрыт. Под действием пружины закрыт также и разгрузочный клапан 1. При таком состоя­нии регулятора система наполняется сжатым возду­хом от компрессора. При давлении в полости под поршнем 8, ð à â í î ì 686, 5... 735, 5 ê Ï a (7... 7, 5 ê ã ñ / см2), поршень, преодолев усилие уравновешиваю­щей пружины 5, поднимается вверх, клапан 4 закры­вается, впускной клапан 13 открывается.

Под действием сжатого воздуха разгрузочный пор­шень 14 перемещается вниз, разгрузочный клапан 1 открывается, и сжатый воздух из компрессора через вывод III выходит в атмосферу вместе со скопившим­ся в полости конденсатом. При этом давление в кольцевом канале падает и обратный клапан 11 зак­рывается. Таким образом, компрессор работает в разгруженном режиме без противодавления.

Когда давление в выводе II понизится до 608... 637, 5 кПа(6, 2... 6, 5 кгс/см2), поршень 8 под действи­ем пружины 5 перемещается вниз, клапан 13 зак­рывается, а выпускной клапан 4 открывается. При


Раздел IV. Системы управления автомобилем



 



А-А

Рис. 296. Регулятор давления: 1 - клапан разгрузочный; 2 -фильтр; 3 - пробка канала отбора воздуха; 4 - клапан выпускной; 5 - пружина уравновешивающая; 6 - винт регулировочный; 7 - чехол защитный; 8 - поршень следящий; 9, 10, 12 - каналы; 11 - клапан обратный; 13 - клапан впускной; 14 - поршень разгрузочный; 15 - седло разгрузочного клапана; 16 - клапан для накачки шин; 17 -колпачок; I, III - выводы атмосферные; II - в пневмосистему; IV - от компрессора; С - полость под следящим поршнем; D - полость под разгрузочным поршнем

этом разгрузочный поршень 14 под действием пру­жины поднимается вверх, клапан 1 под действием пружины закрывается, и компрессор нагнетает сжа­тый воздух в пневмосистему.

Разгрузочный клапан 1 служит также предохра­нительным клапаном. Если регулятор не срабаты­вает при давлении 686, 5... 735, 5 кПа(7... 7, 5 кгс/см2), то клапан 1 открывается, преодолев сопротивление своей пружины и пружины поршня 14. Клапан 1 открывается при давлении 980, 7... 1274, 9 кПа (10... 13 кгс/см2). Давление открытия регулируют измене­нием количества прокладок, установленных под пру­жиной клапана.

Для присоединения специальных устройств ре­гулятор давления имеет вывод, который соединен с выводом IV через фильтр 2. Этот вывод закрыт резьбовой пробкой 3. Кроме того, предусмотрен клапан отбора воздуха для накачки шин, который закрыт колпачком 17. При навинчивании штуцера шланга для накачки шин клапан утапливается, от­крывая доступ сжатому воздуху в шланг и преграж­дая проход сжатого воздуха в тормозную систему. Перед накачиванием шин давление в ресиверах следует понизить до давления, соответствующего давлению включения регулятора, так как во время холостого хода нельзя произвести отбор воздуха.

Предохранитель от замерзания предназначен для предотвращения замерзания конденсата в тру­бопроводах и приборах пневматического тормоз­ного привода. Он установлен на правом лонжероне автомобиля за регулятором давления в вертикаль­ном положении и крепится двумя болтами.

Устройство предохранителя показано на рис.297. Нижний корпус 2 предохранителя четырьмя болта-


Рис. 297. Предохранитель от замерзания: 1 - пружина; 2 -корпус нижний; 3 - фитиль; 4, 9, 12 - кольцауплотнительные: 5 - сопло; 6 - пробка с уплотнительным кольцом; 7 - корпус верхний; 8 - ограничитель тяги; 10 - тяга; 11 - обойма; 13 - кольцо упорное; 14 - пробка; 15 - шайба уплотнительная

ми соединен с верхним корпусом 7. Оба корпуса изготовлены из алюминиевого сплава. Для герме­тизации стыка между корпусами проложено уплот-нительное кольцо 4. В верхнем корпусе 7 смонтиро­вано выключающее устройство, состоящее из тяги 10 с запрессованной в нее рукояткой, ограничителя 8 тяги и пробки 6 с уплотнительным кольцом. Тяга 10 в верхнем корпусе 7 уплотняется резиновым кольцом 9. В верхнем корпусе 7 находится также обойма 11с уплотнительным кольцом 12, удержива­емая упорным кольцом 13. Между дном нижнего корпуса 2 и пробкой 6 установлен фитиль 3, растягиваемый пружиной 1. Фитиль закреплен на пружине 1 при помощи конца тяги 10 и пробки 14.

В заливном отверстии верхнего корпуса 7 уста­новлена пробка с указателем уровня спирта. Сливное отверстие нижнего корпуса 2 заглушено пробкой 14 с уплотнительной шайбой 15. В верхнем корпусе 7 уста­новлено также сопло 5 для выравнивания давления воздуха в нижнем корпусе при выключенном положе­нии. Вместимость резервуара предохранителя 200 cm3.

Когда рукоятка тяги 10 находится в верхнем поло­жении, воздух, нагнетаемый компрессором, прохо­дит мимо фитиля 3 и уносит с собой спирт, который отбирает из воздуха влагу и превращает ее в незамер­зающий конденсат.

При температуре окружающего воздуха выше 5°С предохранитель следует выключить. Для этого тяга 10 опускается в крайнее нижнее положение, поворачи­вается и фиксируется при помощи ограничителя 8 тяги. Пробка 6, сжимая расположенную внутри фити­ля 3 пружину 1, входит в обойму 11 и отделяет нижний корпус 2, содержащий спирт, от пневмопривода, вследствие чего испарение спирта прекращается.

Четырехконтурный защитный клапан (см. рис.298) предназначен для разделения сжатого воздуха, по­ступающего от компрессора, на два основных и один дополнительный контуры: для автоматического от­ключения одного из контуров при нарушении его герметичности и сохранения сжатого воздуха в гер­метичных контурах; для сохранения сжатого воздуха



Автомобили КамАЗ


 


Рис. 298. Клапан защитный четырехконтурный: 1 -

колпачок защитный; 2 - тарелка пружины; 3, 8, 10 -пружины; 4 - направляющая пружины; 5 - мембрана; 6 -толкатель; 1, 9 - клапаны; 11, 12 - винты; 13 - пробка транспортная; 14 - корпус; 15 - крышка.

во всех контурах при нарушении герметичности питающей магистрали; для питания дополнительно­го контура от двух основных контуров (до тех пор, пока давление в них не снизится до заданного уровня). Четырехконтурный защитный клапан при­креплен к лонжерону рамы автомобиля.

Сжатый воздух, поступающий в четырехконтур­ный защитный клапан из питающей магистрали, при достижении заданного давления открытия, ус­танавливаемого усилием пружин 3, открывает кла­паны 7, воздействуя на мембрану 5, поднимает ее, и поступает через выводы в два основных контура. После открытия обратных клапанов сжатый воздух поступает к клапанам 7, открывает их и через вывод проходит в дополнительный контур.

При нарушении герметичности одного из основ­ных контуров давление в этом контуре, а также на входе в клапан падает до заданной величины. Вслед­ствие этого клапан исправного контура и обратный клапан дополнительного контура закрываются, пре­дотвращая уменьшение давления в этих контурах. Таким образом, в исправных контурах будет поддер­живаться давление, соответствующее давлению от­крытия клапана неисправного контура, излишнее количество сжатого воздуха при этом будет выходить через неисправный контур.

При отказе в работе дополнительного контура давление падает в двух основных контурах и на входе в клапан. Это происходит до тех пор, пока не закроется клапан 6 дополнительного контура. При дальнейшем поступлении сжатого воздуха в защит­ный клапан 6 в основных контурах будет поддержи­ваться давление на уровне давления открытия клапа­на дополнительного контура.

Ресиверы предназначены для накопления сжатого воздуха, производимого компрессором, и для пита­ния им приборов пневматического тормозного при­вода, а также для питания других пневматических узлов и систем автомобиля.


 

Рис. 299. Кран слива конденсата:

1 - ø ò î ê; 2 - ï ð ó æ è í à; 3 - ê î ð ï ó ñ; 4 - кольцо опорное; 5 - шайба; 6 -клапан

На автомобиле КамАЗ установлено шесть ре­сиверов вместимостью по 20 л, причем четыре из них соединены между собой попарно, образуя два резер­вуара вместимостью по 40 л. Ресиверы закреплены хомутами на кронштейнах рамы автомобиля. Три ресивера объединены в блок и установлены на еди­ном кронштейне.

Кран слива конденсата (рис. 299) предназначен для принудительного слива конденсата из ресивера пнев­матического тормозного привода, а также для выпус­ка из него сжатого воздуха при необходимости. Кран слива конденсата ввернут в резьбовую бобышку на нижней части корпуса ресивера. Соединение между краном и бобышкой ресивера уплотнено прокладкой.

Двухсекционный тормозной кран (см. рис. 300) слу­жит для управления исполнительными механизмами двухконтурного привода рабочей тормозной системы автомобиля.

Рис. 300. Кран тормозной с приводом от педали: 1 - педаль; 2 - регулировочный болт; 3 - защитный чехол; 4 - ось ролика; 5 - ролик; 6 - толкатель; 7 - опорная плита; 8 -гайка; 9 - тарелка; 10, 16, 19, 27 - уплотнительные кольца; 11 - шпилька; 12 - пружина следящего поршня; 13, 24 -пружины клапанов; 14, 20 - тарелки пружин клапанов; 15 - малый поршень; 17 - клапан нижней секции; 18 -толкатель малого поршня; 21 - атмосферный клапан; 22 -упорное кольцо; 23 - корпус атмосферного клапана; 25 -нижний корпус; 26 - пружина малого поршня; 28 -большой поршень; 29 - клапан верхней секции; 30 -следящий поршень; 31 - упругий элемент; 32 - верхний корпус; А - отверстие; В - полость над большим поршнем; I, II - ввод от ресивера; III, IV - вывод к тормозным камерам соответственно задних и передних колес



Поделиться с друзьями:

mylektsii.su - Мои Лекции - 2015-2026 год. (0.424 сек.)Все материалы представленные на сайте исключительно с целью ознакомления читателями и не преследуют коммерческих целей или нарушение авторских прав Пожаловаться на материал