Студопедия

Главная страница Случайная страница

КАТЕГОРИИ:

АвтомобилиАстрономияБиологияГеографияДом и садДругие языкиДругоеИнформатикаИсторияКультураЛитератураЛогикаМатематикаМедицинаМеталлургияМеханикаОбразованиеОхрана трудаПедагогикаПолитикаПравоПсихологияРелигияРиторикаСоциологияСпортСтроительствоТехнологияТуризмФизикаФилософияФинансыХимияЧерчениеЭкологияЭкономикаЭлектроника






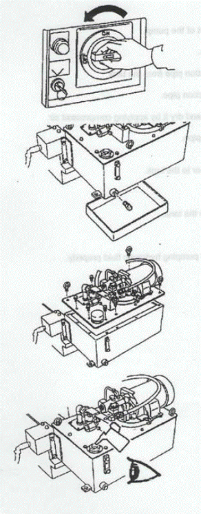
Очистка сетчатого всасывающего фильтра






< Периодичность очистки >

Каждые 1 000 часов работы

 

< Процедура>

1) Выключите питание.

2) Отсоедините трубку от всасывающего канала насоса.

3) Снимите монтажную пластину всасывающей трубки.

4) Извлеките сетчатый всасывающий фильтр в сборе с трубкой из бака.

5) Снимите сетчатый всасывающий фильтр с трубки.

6) Очистите сетчатый всасывающий фильтр керосином и просушите его сжатым воздухом.

7) Установите сетчатый всасывающий фильтр на всасывающую трубку.

8) Установите трубку и сетчатый всасывающий фильтр в бак.

9) Подключите трубку к насосу.
10) Установите монтажную пластину трубки на бак.
11) Включите питание.

12) Убедитесь, что насос гидравлического узла надлежащим образом перекачивает жидкость.


9.8 ОЧИСТКА БАКА

< Периодичность очистки>

 

Каждые 2000 часов работы

< Процедура>

1) Включите питание.

2) Поместите сливной поддон под сливной пробкой бака гидравлического узла.

 

3) Выверните сливную пробку.

 

4) После удаления масла установите сливную пробку на место.

5) Снимите верхнюю крышку бака.

6) Очистите бак изнутри

7) Установите верхнюю крышку бака.

8) Заполните бак гидравлической жидкостью

Тип масла: Daphne Hydraulic Fluid 32

Количество: 39 л (10.3 гал)



Поделиться с друзьями:

mylektsii.su - Мои Лекции - 2015-2026 год. (0.436 сек.)Все материалы представленные на сайте исключительно с целью ознакомления читателями и не преследуют коммерческих целей или нарушение авторских прав Пожаловаться на материал