Студопедия

Главная страница Случайная страница

КАТЕГОРИИ:

АвтомобилиАстрономияБиологияГеографияДом и садДругие языкиДругоеИнформатикаИсторияКультураЛитератураЛогикаМатематикаМедицинаМеталлургияМеханикаОбразованиеОхрана трудаПедагогикаПолитикаПравоПсихологияРелигияРиторикаСоциологияСпортСтроительствоТехнологияТуризмФизикаФилософияФинансыХимияЧерчениеЭкологияЭкономикаЭлектроника






Б) Клеть BV






М.Т.З. инвертора на стороне постоянного тока:

М.Т.З. двигателя:

 

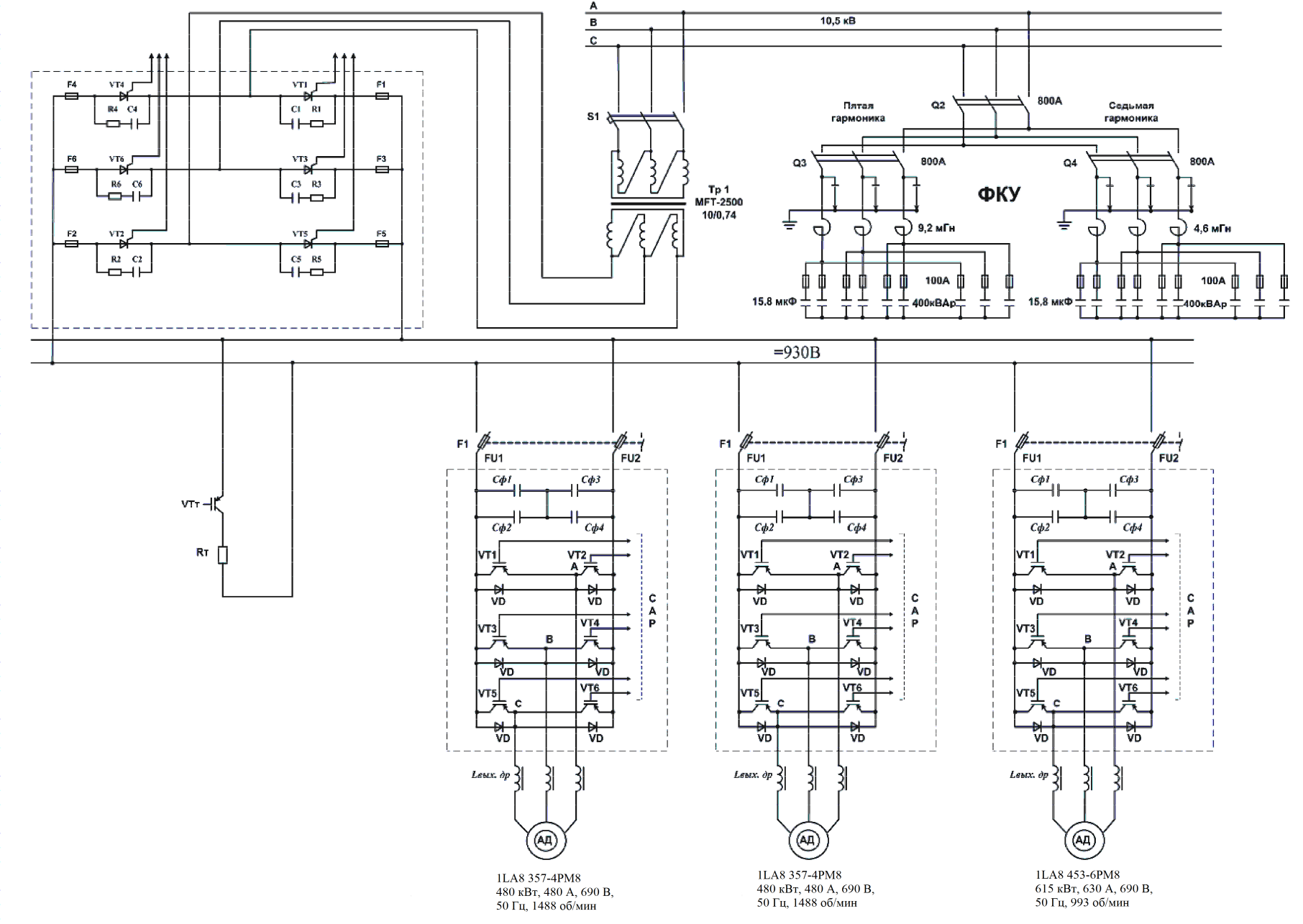
4 СХЕМА СИЛОВОЙ ЧАСТИ ЭЛЕКТРОПРИВОДА

 

В соответствии с выбранным оборудованием на рисунках 4.1 и 4.2 представлена упрощённая схема силовой части электропривода, вспомогательных электроприводов и датчиков. Силовая часть выпрямителя собрана по трёхфазной мостовой схеме выпрямления на базе тиристоров.

Тиристоры мостов защищаются быстродействующими плавкими предохранителями.

Для снятия перенапряжений при коммутации тиристоров используются RC–цепи, включённые параллельно тиристорам.

Выпрямитель подключается к сети переменного тока 735 В с помощью трехфазного автоматического выключателя.

С выходных шин =930В выпрямителя запитаны инверторы черновых клетей через автоматические выключатели.

Непосредственно с каждого инвертора запитан свой двигатель. Обмотки двигателей напрямую подключаются к клеммникам инверторов.

Система регулирования автономных инверторов с широко импульсной модуляцией построена по принципу векторного управления.

Вентиляция выпрямителя и инверторов принудительная.

 


 

Рисунок 4.1 - Схема силовой части электропривода клетей


 

Рисунок 4.2 - Схема силовой части электропривода клети, вспомогательных электроприводов и датчиков.


Поделиться с друзьями:

mylektsii.su - Мои Лекции - 2015-2026 год. (1.144 сек.)Все материалы представленные на сайте исключительно с целью ознакомления читателями и не преследуют коммерческих целей или нарушение авторских прав Пожаловаться на материал