Студопедия

Главная страница Случайная страница

КАТЕГОРИИ:

АвтомобилиАстрономияБиологияГеографияДом и садДругие языкиДругоеИнформатикаИсторияКультураЛитератураЛогикаМатематикаМедицинаМеталлургияМеханикаОбразованиеОхрана трудаПедагогикаПолитикаПравоПсихологияРелигияРиторикаСоциологияСпортСтроительствоТехнологияТуризмФизикаФилософияФинансыХимияЧерчениеЭкологияЭкономикаЭлектроника






Умова роботи. Теплиця, яка займає площу 1 гектар, шириною 20 метрів і має висоту стін 3 метри, обігрівається гарячою водою з температурою tg 45 оС






Теплиця, яка займає площу 1 гектар, шириною 20 метрів і має висоту стін 3 метри, обігрівається гарячою водою з температурою tg 45 оС. Система опалення має об’єм Vv 68 м3, який створюють нагрівальні труби зовнішнім діаметром 48 мм і товщиною стінок dt 2 мм. Продуктивність циркуляційного насосу Gn складає 270 м3/год. Теплопровідність сталі lt, з якої виготовлена труба, складає 50 Вт/(м град).

Товщина скла теплиці dс дорівнює 4 мм, а теплопровідність його lс дорівнює 0, 74 Вт/(м град). – Значення коефіцієнтів тепловіддачі від води до стінки труби, від стінки труби до повітря теплиці, від повітря теплиці до скла стінки теплиці, від скла до зовнішнього повітря відповідно avt, atp, apc, acz складають 940; 18; 9; 18Вт/(м град).

Густина rр і теплоємність Ср повітря дорівнює 1, 293 кг/м3 і 1005 Дж/(кг град). Густина rv і теплоємність Сv гарячої води дорівнює 1005 кг/м3 і 4174 Дж/(кг град). Температура зовнішнього повітря складає tz = 3 оС.

Визначити температуру гарячої води tg для підтримання в теплиці температури tр 25 оС і температуру води на виході із теплиці. Перехідні криві по температурі води на виході і повітря в теплиці отримати з урахуванням часу запізнення об’єкту регулювання. Показати, як змінюється час регулювання при зменшенні витрат води на нагрівання в теплиці удвічі.

 

5.2.2. Ввиконання розрахунків

Для створення моделі об’єкту розрахуємо деякі коефіцієнти системи рівнянь (5.7). Порахуємо коефіцієнти теплопередачі використовуючи рівняння (5.5) з урахуванням розмірностей змінних:

, Вт/(м град)

, Вт/(м град)

Довжина нагрівальних труб при об’ємі системи опалення 80м3 і внутрішньому діаметрі труби 44 мм складе:

, м,

а її поверхня теплообміну:

, м2

Поверхню заскленої теплиці порахуємо, умовно вважаючи форму теплиці прямокутною:

, м2,

а об’єм повітря в теплиці буде дорівнювати:

, м3.

Час запізнення розраховуємо по формулі (5.8):

, секунд

Для зручності формування імітаційної, блочної, моделі введемо додаткові коефіцієнти:

Тоді система диференційних рівнянь (5.7) матиме вигляд:

,

.

 

5.2.3. Розроблення моделі в Simulink

 

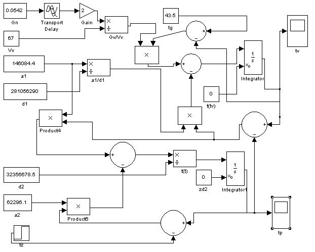
Рис. 5.1. Схема моделі опалення блочних теплиць

 

 

 

.. Розгінна крива зміни температури в приміщенні і води в опалювальні системі блочних теплиць

 

 

 

 

Розгінна крива зміни температури в приміщенні після зменшення продуктивності насосу удвічі

 

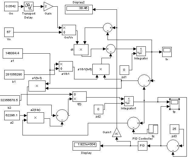
Рис. 5.6. Схема моделі регулювання системи опалення блочної теплиці в блоках Simulink MATLAB

 

 

 

Графік перехідного процесу САР температури граючої води вихідного параметру температури повітря і похибки регулювання по каналу температури

 

 


Поделиться с друзьями:

mylektsii.su - Мои Лекции - 2015-2026 год. (2.786 сек.)Все материалы представленные на сайте исключительно с целью ознакомления читателями и не преследуют коммерческих целей или нарушение авторских прав Пожаловаться на материал