Студопедия

Главная страница Случайная страница

КАТЕГОРИИ:

АвтомобилиАстрономияБиологияГеографияДом и садДругие языкиДругоеИнформатикаИсторияКультураЛитератураЛогикаМатематикаМедицинаМеталлургияМеханикаОбразованиеОхрана трудаПедагогикаПолитикаПравоПсихологияРелигияРиторикаСоциологияСпортСтроительствоТехнологияТуризмФизикаФилософияФинансыХимияЧерчениеЭкологияЭкономикаЭлектроника






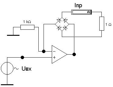
Построение шкал вольтметров Вольтметр СВЗ.






1.1 Собрать схему:

 

 

Uвх, В   0.25 0.5 0.75 1.0 1.25 1.5 1.75 2.0 2.25 2.5
I, mA                      
Lш.мм                      

1.2 Проградуировать шкалу вольтметра СВЗ в указанных точках.

 

 

1.3 Построить шкалу графически.

 

 

 

2. Вольтметр СКЗ с линейной шкалой.

 

2.1 Собрать схему:

 

Uвх, В   0.25 0.5 0.75 1.0 1.25 1.5 1.75 2.0 2.25 2.5
I, mA                      
Lш.мм                      

 

2.2 Проградуировать шкалу вольтметра СВЗ в указанных точках.

 

2.3 Построить шкалу графически (аналогично пункту 1.3).

 

 

3. Исследование пульсаций напряжения.

 

3.1 Собрать схему однополупериодного выпрямителя

3.2 Измерить уровень постоянной и переменной составляющей выпрямленного напряжения используя открытый и закрытый входы осциллографа.

 

3.3 Собрать схему двухполупериодного выпрямителя.

 

3.4 Измерить уровень постоянной и переменной составляющей выпрямленного напряжения используя открытый и закрытый входы осциллографа.

3.5 Собрать схему двухполупериодного выпрямителя с фильтрующей емкостью Сф.

 

 

 

3.6 Снять зависимость напряжения пульсаций Uпульс выходного напряжения от величины нагрузки Rн, емкости фильтрующего конденсатора Сф и частоты входного сигнала fвх при следующих значениях параметров схемы:

1). Rн=1к, 10к, 100к при Сф=100мкФ и fвх= 100Гц;

2). Сф=10мкФ, 100мкФ, 1000мкФ; при Rн=1к и fвх= 100Гц.

3). fвх= 100Гц, 1кГц, 10 кГц при Rн=1к и Сф=10мкФ.

 

3.7 Построить в логарифмическом масштабе графики зависимостей Uпульс=f(Rн); Uпульс=f(Сф); Uпульс==f(fвх).

 

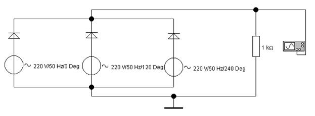
3.8 Собрать схему трехфазного однополупериодного и двухполупериодного выпрямителя. Измерить уровень пульсаций.

 

 


4. Построение ЛАЧХ и ЛФЧХ.

 

4.1 Собрать схему интегрирующей цепи:

 

4.2 Построить ЛАЧХ и ЛФЧХ интегрирующей цепи в диапазоне ± 2 декады от частоты сопряжения w=2p¦ ( где w=1/RC) с шагом 0.25 декады.

 

4.3 Собрать схему дифференцирующей цепи:

 

4.4 Построить ЛАЧХ и ЛФЧХ дифференцирующей цепи в диапазоне ± 2 декады от частоты сопряжения w = 2p¦ ( где w=1/RC) с шагом 0.25 декады.

 

 


Поделиться с друзьями:

mylektsii.su - Мои Лекции - 2015-2026 год. (0.877 сек.)Все материалы представленные на сайте исключительно с целью ознакомления читателями и не преследуют коммерческих целей или нарушение авторских прав Пожаловаться на материал