Студопедия

Главная страница Случайная страница

КАТЕГОРИИ:

АвтомобилиАстрономияБиологияГеографияДом и садДругие языкиДругоеИнформатикаИсторияКультураЛитератураЛогикаМатематикаМедицинаМеталлургияМеханикаОбразованиеОхрана трудаПедагогикаПолитикаПравоПсихологияРелигияРиторикаСоциологияСпортСтроительствоТехнологияТуризмФизикаФилософияФинансыХимияЧерчениеЭкологияЭкономикаЭлектроника






Расчет усилий закрепления заготовки






 

Задачи подраздела:

- выполнить схему усилий, действующих на заготовке;

- составить уравнения статики (усилий и моментов);

- вычислить величину усилия закрепления заготовки;

Выполните расчетную схему усилий, действующих на заготовку. В следующем порядке.

1. Начертите заготовку вместе с установочными элементами приспособления в рабочем положении.

2. Изобразите режущий инструмент в контакте с заготовкой в процессе её обработки.

3. Изобразите векторы координатных составляющих усилия резания, действующих на заготовку.

4. Нанесите вектор W усилия закрепления заготовки в том месте, где предполагается контакт зажимного элемента приспособления с заготовкой.

5. Укажите на схеме реакции опор и векторы усилий трения, возникающих в местах контакта баз заготовки с установочными и зажимными элементами приспособления.

6. Укажите и обозначьте на схеме характерные расчетные размеры: габаритные размеры заготовки; расстояние между установочными элементами; размеры, координирующие усилия закрепления и резания относительно установочных элементов; углы призм, конусов и т. д. [9, с. 375…382].

 

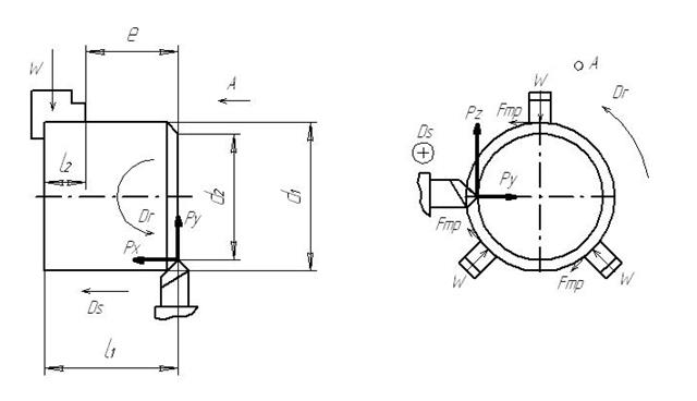
Пример схемы усилий, действующих на заготовку, приведен на рисунке 5.6.

Рисунок 5.6 – Схема усилий, действующих на заготовку, при установке её в токарном трехкулачковом патроне

7. Проведите анализ эффективности действия координатных составляющих усилия резания на заготовку: на сдвиг, проворачивание, опрокидывание относительно установочных элементов. Исключите из рассмотрения те координатные составляющие усилия и те координатные направления, где мала вероятность нарушения положения заготовки, достигнутого при базировании.

8.Составьте уравнения статики: уравнения усилий и моментов, действующих на заготовку. В этих уравнениях усилия закрепления вводятся с коэффициентом запаса К. Коэффициент запаса обеспечивает надежность закрепления заготовки. Его значение следует определить по методике, изложенной в литературе [9, с. 382…384].

Величины коэффициентов трения между установочными зажимными элементами приспособления и поверхности заготовки зависят от формы и состояния контактируемых поверхностей. Значения коэффициентов трения могут быть определены из [9, с. 384].

9.Решите в общем виде составленные уравнения относительно усилия закрепления W. При выполнении курсового проекта целесообразно использовать типовые расчетные схемы и зависимости для вычисления усилия закрепления [9, с. 376…382].

10.Вычислите значения усилия закрепления. В тех случаях, когда к рассмотрению принимались несколько уравнений, окончательно принимается наибольшее значение усилия закрепления W, которое будет использовано в дальнейших расчетах.

 

 


Поделиться с друзьями:

mylektsii.su - Мои Лекции - 2015-2026 год. (0.938 сек.)Все материалы представленные на сайте исключительно с целью ознакомления читателями и не преследуют коммерческих целей или нарушение авторских прав Пожаловаться на материал