Студопедия

Главная страница Случайная страница

КАТЕГОРИИ:

АвтомобилиАстрономияБиологияГеографияДом и садДругие языкиДругоеИнформатикаИсторияКультураЛитератураЛогикаМатематикаМедицинаМеталлургияМеханикаОбразованиеОхрана трудаПедагогикаПолитикаПравоПсихологияРелигияРиторикаСоциологияСпортСтроительствоТехнологияТуризмФизикаФилософияФинансыХимияЧерчениеЭкологияЭкономикаЭлектроника






Розробка конструкції моделей і ящиків






 

Елементи модельного комплекту виготовляють з окремих заготівель, оскільки такий модельний комплект має вищі експлуатаційні властивості в порівнянні з модельним комплектом, виготовленим з цілого куска деревини. Будь-яка дерев'яна модель або стрижневий ящик незалежно від їх складності і величини розмірів є конструкцією, що складається із заготівель.

Характеристики модельних комплектів по міцності конструкції залежно від їх класу міцності регламентовані ГОСТ 13354-91 (таблиця 5.2).

 

Таблиця 5.2 - Особливості виготовлення моделей за ГОСТ 13354-91

Характеристика Вимоги до моделей за класами міцності
I II III
Ширина дощок, не більше, мм      
Конструкції каркасів моделей. Прямолінійні каркаси виконуються коробками і рамками, круглі - кільцями (дисками). Відстань між внутрішніми рамками для прямолінійних і між кільцям (дисками) для круглих каркасів повинне бути не більш, мм
   
В'язання коробчастих заготівель У шип з попередньою посадкою на клей, стикуванням нагелем з попередньою посадкою на клей і з додатковим кріпленням шурупами та цвяхами. З брусів в шпильку або внапусток на клею з додатковим кріпленням кутів цвяхами.
Кути коробок стрижневих ящиків додатково зміцнювати стяжними болтами.  
В'язання рамних заготівель Переклеюванням не менш трьох шарів з додатковим кріпленням кутів нагелями, шурупами і цвяхами. Відстань між внутрішніми перегородками і перев'язками в заготівлях не більше, мм Стикуванням нагелем з попередньою посадкою на клей. Додаткове кріплення шпонками.
   
В'язання кільцевих і дискових заготівель Переклеюванням не менш трьох шарів з косяків, сегментів і секторів з додатковим кріпленням нагелями і цвяхами.

 

Продовження табл. 5.2

Характеристика Вимоги до моделей за класами міцності
I II III
Фіксація рознімних стрижневих ящиків За допомогою сталевих дюбелів і втулок (рис. 5.1, 5.2, 5.3), розміри яких наведені в табл. 5.3 і 5.4. Дерев'яними дюбелями і шипами.
Скріплення рознімних стрижневих ящиків Болтовими стяжками (рис. 5.4, 5.5) і скобами (рис. 5.6).
Дрібні формоутворюючі частини Урізання в тіло моделі. Кріплення нагелями на клею, болтами, шурупами з попередньою посадкою на клей. Кріплення цвяхами з попередньою посадкою на клей.
Виконання відокремлюваних і швидкоспрацьо-вуваних частин З металу або пластмаси. Із твердих порід деревини або деревних шаруватих пластиків.
Кріплення до тіла моделі за допомогою клинових скріплювачив (рис. 5.7, табл. 5.5).
Виконання галтелей Завдяки основному тілу моделі, а також врізанням планок з деревини або пластмаси. Врізанням або вклейкою планок з деревини або пластмаси. Вклейкою дерев'яних планок.
Радіус галтелі, виконаний шпаклівкою, мм, не більш
     
Армування площин набивання Пластинами із смугової сталі. Твердими породами дерева, або пластинами з смугової сталі. Не обов'язково
Пластини товщиною 2...5 мм зі сталі кріплять шурупами.
Обробка робочих поверхонь Всі поверхні ґрунтують. Шпаклювання допускається тільки для вирівнювання окремих місць і поверхонь, що стикуються. Всі поверхні ґрунтують. Шпаклювання допускається для всіх поверхонь.

 

 

1 - половини стрижневого ящика; 2 - дюбель; 3 - фланцевий дюбель

4 – втулка

Рисунок 5.1 – Приклади фіксації половин стрижневого ящика

 

 

 

Рисунок 5.2 – Конструкція і розміри металевих дюбелів

 

Розміри дюбелів для стрижневого ящика вибираються залежно від його середнього габаритного розміру відповідно до табл. 5.3 і 5.4.

 

Таблиця 5.3 - Розміри металевих дюбелів

Середній габаритний розмір ящика, мм Розміри, мм
d d1 d2 l1 l2 l3 l4 l5
До 160                
161...250                
251...400                
401...650                
651...1000                
Понад 1000                

 

Рисунок 5.3 – Конструкція і розміри фланцевих дюбелів

Таблиця 5.4 - Розміри фланцевих дюбелів

Середній габаритний розмір ящика, мм Розміри, мм
d R1 R2 d3 l l1
До 160       4, 8    
161...250     12, 5 4, 8    
251...400       5, 8    
401...650   22, 5   7, 0    
651...1000   27, 5   7, 0    
Понад 1000   32, 5   7, 0    

 

Приклади скріплення рознімних стрижневих ящиків болтовими стяжками і скобами наведені на рис. 5.4, 5.5 і 5.6.

Рисунок 5.4 – Скріплення ящика двокутовою болтовою стяжкою

Малюнок 5.5 - Скріплення ящика однокутовою болтовою стяжкою

 

Рисунок 5.6 – Скріплення ящика скобою

 

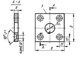
Розміри клинових кріплень для відокремлюваних частин моделі вибираються відповідно до табл. 5.5.

 

Таблиця 5.5 - Розміри клинових кріплень для відокремлюваних частин моделі

Розміри, мм
B l l1
     
     
     
     
     

 

1 - модель або стрижневий ящик, 2 - відокремлювана частина, 3 - пластина, 4 - клин

Рисунок 5.7 - Клинове кріплення

У модельних комплектів, маса яких перевищує 10 кг, у конструкції необхідно передбачати пристосування для транспортування - підйоми (гакові, смугові або болтові) і цапфи. Конструкція і розміри підйомів і цапф вибираються залежно від необхідної вантажопідйомності (рис. 5.8 - 5.11, табл. 5.6 - 5.9).

 

а б

а – конструкція підйому, б – розміри пластини, 1 - гак, 2 – модель або стрижневий ящик, 3 – пластина

Рисунок 5.8 -Гаковий підйом

Таблиця 5.6 – Розміри пластин для гакових підйомів

Вантажопідйомність, кг Розмір, мм
B l l1 l2 l3 S d
До 45              
Понад 45...65              
Понад 65...90              

 

Рисунок 5.9 – Смуговий підйом

 

Таблиця 5.7 – Розміри пластин для смугових підйомів

Вантажопідйомність, кг Розмір, мм Кількість отворів
До 20 l B S d d1 d2 l1 l2 l3
Понад 20...100         5, 8 10, 3       6, 10
Понад 100...200         5, 8 10, 3       8, 14
Понад 200...500           16, 5       16, 20

 

а б

а – конструкція підйому, б – розміри пластини, 1 – болт, 2 – модель або стрижневий ящик, 3 – пластина, 4 – гайка, 5 – шуруп

Рисунок 5.10 - Болтовий підйом

 

Таблиця 5.8 - Розміри болтових підйомів

Вантажопідйомність, кг Розмір, мм
болта пластини
l l1 d d1 d2 d3 B
До 2000 320…1000       М20    
Понад 2000...3000 500...1500       М24    
Понад 3000 630...1800       М30    

 

а б

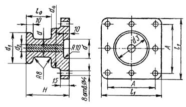
1 – холодильник, 2 – цапфа, 3 – гайка, 4 – болт

Рисунок 5.11 – Конструкція і розміри цапфи для стрижневих ящиків

 

Таблиця 5.9 – Розміри цапф для стрижневих ящиків

Вантажопідйомність, кг Розмір, мм
d d1 d2 d3 d4 H l l1 A
До 5000                  
Св. 5000                  

 

Ширина дошки для виготовлення моделей вибирається зі стандартного ряду залежно від габаритних розмірів моделі відповідно до таблиці 5.10.

 

Таблиця 5.10 - Ширина дошки для моделей

Довжина моделі, мм Висота моделей, мм
до 150 понад 150 до 300 понад 300 до 450 понад 450
До 500       -
501…1000        
1001…1500        
1501…2000        

 

Моделі для піскометного формування висотою до 200 мм виготовляють рамками внакладку з розбігом між плетіннями не більше 500 мм. Низ і верх захищаються дошками товщиною не менш 40 мм і облицьовуються перпендикулярно виїмці моделі. По висоті більше 200 мм моделі облицюють шаром у напрямку до виїмки. Бічні відокремлювані частини встановлюються на клинове кріплення (рис. 5.7), нижні і верхні відокремлювані частини - на штирі (рис. 5.1).

При виготовленні модельних комплектів для імпульсного формування також повинні враховуватися особливості імпульсного процесу, зокрема короткочасне навантаження, що діє в процесі формування. Всі моделі для імпульсного формування виготовляють не нижче II класу міцності з деревини хвойних або листяних порід. Моделі з габаритними розмірами менш 300х300 мм і висотою до 250 мм виконуються масивами в переклеювання. При склеюванні пиломатеріалів необхідно дотримувати чергування напрямку волокон. Моделі коробчатого типу виготовляють контурними рамками з подовжньо - поперечними плетіннями. Відстань між плетіннями повинна бути не більше 200 мм і товщина шару деревини - не менш 80 мм. Моделі циліндричного типу виготовляють із сегментів товщиною не більше 10…12 мм.

Виконання галтелей радіусом більше 5 мм на моделях шляхом підмазки шпаклівкою не допускається. На плоских моделях розміром менш 300х300 мм і висотою менш 200 мм венти не виконують.

Виготовлення моделей надливів з деревини виконується відповідно до вимог, наведених у табл. 5.11.

 

Таблиця 5.11 – Способи виготовлення моделей надливів

Діаметр надливів, мм Спосіб виготовлення Спосіб зборки
До 250 Масивом Переклеюванням
Понад 250 до 500 На дисках На брусках
Понад 500 На кільцях На рамках

 

При виготовленні модельних комплектів з деревини необхідно вказати умовну позначку використаних пиломатеріалів (дощок, брусків, брусів). Умовна позначка повинна складатися з найменування пиломатеріалу, цифрового позначення сорту, найменування породи деревини, цифрового позначення розмірів поперечного перетину пиломатеріалу позначення стандарту, наприклад:

Дошка – 2 – сосна – 32х100 ГОСТ 8486 – 86.

 


Поделиться с друзьями:

mylektsii.su - Мои Лекции - 2015-2026 год. (3.406 сек.)Все материалы представленные на сайте исключительно с целью ознакомления читателями и не преследуют коммерческих целей или нарушение авторских прав Пожаловаться на материал