Студопедия

Главная страница Случайная страница

КАТЕГОРИИ:

АвтомобилиАстрономияБиологияГеографияДом и садДругие языкиДругоеИнформатикаИсторияКультураЛитератураЛогикаМатематикаМедицинаМеталлургияМеханикаОбразованиеОхрана трудаПедагогикаПолитикаПравоПсихологияРелигияРиторикаСоциологияСпортСтроительствоТехнологияТуризмФизикаФилософияФинансыХимияЧерчениеЭкологияЭкономикаЭлектроника






Расчет статически определимой многопролетной балки и трехшарнирной системы






 

Литература: [1] §§2.1-2.5, 2.7-2.9, 3.1, 3.2; [2] §§44, 45, 49, 50, 60, 67; [4] §§II.1, II.3, III.1, III.2, IV.1, IV.4; [5] §§2.1, 2.2, 3.1; [11] §§3.1-3.6, 4.1, [12] §4.1.

Задача 2.1 Для балок, показанных на рис. 2.1, требуется:

а) построить эпюры поперечных сил Q и изгибающих моментов М; вычислить значения Q и M в указанных сечениях (m, n, или k, s);

б) построить линии влияния опорных реакций, а также линии влияния Q и M для тех же указанных сечений;

в) вычислить от заданной неподвижной нагрузки значения двух опорных реакций (по выбору студента) и значения Q и M в указанных сечениях при помощи их линий влияния, сравнить полученные значения с результатами аналитического расчета.

Исходные данные взять из таблицы 2.1.

 

Таблица 2.1

№ строки номер схемы l1 l2 а в р1 р2 Q1 q2 Сечения
Вариант А Вариант В м кН кН/м
1                     m, n
2                     k, s
3                     m, n
4                     k, s
5                     m, n
6                     k, s
7                     m, n
8                     k, s
9                     m, n
0                     k, s
  е е д е д е д е д е e

Пример выполнения задачи 2. 1. Для заданной на рис.2.3, а многопролетной балки выполнить расчеты согласно условию задачи 2.1.

4
5
10
9
8
6
7
Рис. 2.1
3
2
1

12
13
14
15
16
17
19
18
Рис. 2.1 Окончание
11

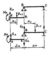
Решение. Кинематический анализ системы. Для определения неизменяемости и статической определимости многопролетной

шарнирной балки число шарниров в пролетах должно удовлетворять условию

Ш=С0–3, (2.1)

где С0– число опорных стержней.

В данном примере Ш=3, Со=6. Условие (2.1) выполняется. Это условие является необходимым, но недостаточным для заключения о том, что система является геометрически неизменяемой. Шарниры В, С, I делят балку на отдельные элементы-балки: АВ, BC, CI и IG, причем балки АВ и IG являются основными, т.к. они неподвижно связаны с землей. Балки ВС и CI – второстепенные, которые без связи с соседними балками дают геометрически неизменяемую (подвижную) систему. Балка BC называется подвесной, как вообще не связанная с землей. Для уяснения взаимодействия отдельных частей шарнирной балки строим " поэтажную схему" (рис. 2.2, б).

Построение эпюр Q и M. Аналитический расчет удобнее вести отдельно для каждой балки, начиная с верхних балок в схеме взаимодействия. Расчет начинаем с определения опорных реакций (рис. 2.2, в). В первую очередь следует определить реакции подвесной балки ВС, затем можно рассмотреть балку АВ или CI, после балки CI нужно рассмотреть балку IG.

Рассмотрим элемент BC. Ввиду симметрии нагрузки на балке ВС:

.

Перейдем к элементу АВ. На консоль АВ действует сила , которая численно равна , но направлена в противоположную ей сторону. Из уравнений равновесия элемента АВ:

, , ,

следует МА=12 кНּ м, RA=6 кН.

Рассмотрим элемент CI. Из уравнения равновесия:

,

получаем RI=3 кН, RD=9 кН. Для проверки запишем уравнение

Элемент IG. Из уравнения равновесия:

,

следует RJ=11, 8 кН. Из уравнения:

,

д)
г)
в)
б)
а)
Рис. 2.2

к)
и)
з)
ж)
е)
д)
г)
б)
в)
а)
Рис. 2.3

               
 
   
 
 
   
Рис. 2.4
     
Рис. 2.5
 

 


 

 


Q(кН)
М(кНּ м)
6
С

       
   
Рис. 2.6
 
 
2кН/м


 
 
Рис. 2.7

 


получаем RH 11, 8 кН. Для проверки составим уравнение

В заключение можно проверить для всей системы выполнение условия Σ Y=0

.

Переходим к построению эпюр Q и M. Расстояния до сечений x i для каждого грузового участка балок представлены на рис. 2.5–2.7. Правила построения эпюр Q и M см. контрольную работу №1. Согласно этому эпюры представлены: для элемента BC (рис.2.4), элемента АВ (рис. 2.5), элемента CI (рис. 2.6), элемента IG (рис. 2.7). Путем объединения соответствующих эпюр, построенных для отдельных элементов многопролетной шарнирной балки, получаем окончательные эпюры Q и M для всей балки, которые приведены на рис. 2.2, г, д.

Построение линий влияния. Для построения линий влияния перемещаем силу по заданной балке. Применяем статический метод. Удобнее начинать с того элемента, где находится исследуемый фактор. Так, например, для построения линий влияния реакции опоры J нужно располагать сначала на балке IG, затем на балке CI, а после на балке ВС (рис. 2.3, а).

Линии влияния RA и MA (рис. 2.3, б, в). Если сила находится на участке АВ, то реакции в шарнирах B, C, I и реакции в опорах D, H, J не возникают, в чем можно убедиться, составляя уравнения равновесия сначала для элемента ВС, затем CI и IG (рис. 2.3, а)

б)
а)
Рассмотрим элемент АВ (рис. 2.8, а). Из уравнения Σ Y=0 определяем . Из уравнения Σ МА=0 находим (), при x1=0, MA=0 ( в точке А), при x1=2м, MA=-2м ( в точке В).

Рис. 2.8
Строим линию влияния RA и MA на участке АВ (рис. 2.3, б, в). Когда сила перемещается на участке BC (рис. 2.8, б), то в шарнире В на элемент АВ передается сила , равная по величине реакции балки ВС и противоположная ей по направлению. Из уравнения равновесия балки ВС:

получаем (). Сила вызывает в заделке балки АВ реакции и MA, которые получим из условий равновесия балки АВ:

, .

При x2=0, RA=1, MA=-2м ( в точке В), при x2=3, RA=0, MA=0 ( в точке С).

Строим линии влияния и MA на участке ВС (рис. 2.3, б, в). При перемещений силы на участках CI и IG (рис. 2.3, а) RA=0, MA=0, так как реакция RВ в шарнире В равна нулю, ввиду отсутствия нагрузки на балке ВС.

Линия влияния RD (рис. 2.3, г). Располагаем груз на балке CI (рис. 2.9, а). Из уравнения равновесия элемента CI:

Σ МI=0,

имеем ().

При x1=0, RD=1, при x1=4м, RD=0, при x1=-2м, RD=1, 5.

а)
По этим значениям строим линию влияния RD на участке CI.

Располагаем груз на балке ВС (рис. 2.9, б). Из уравнения равновесия балки ВС:

б)
Σ МВ=0, имеем ().

Рис. 2.9
В шарнире С на балку CI передается сила , равная по величине реакции вызывает на опоре D реакцию, выражение для которой получим из уравнения равновесия балки CI:

Σ МI=0, .

 

Тогда , при x2=3м, RD=1, 5. Достраиваем линию влияния RD на участке ВС. При перемещении силы на основных балках АВ и IG реакция RD=0, так как в этом случае второстепенные балки ВС и СI будут на загружены.

Линия влияния RH и RJ (рис. 2.3, д, е). Располагаем груз на балке IG (рис. 2.10, а). Из уравнений равновесия балки IG

,

имеем , ().

При x1=0 ( в точке H) RH=1, RJ=0;

при x1=5м ( в точке J) RH=0, RJ=1;

при x1=-3м ( в точке I) RH=1, 6, RJ=-0, 6.

Строим линии влияния RH и RJ на участке IG.

Перемещаем груз на балку CI (рис. 2.10, б). Из уравнения равновесия балки CI ()

.

Сила вызывает на опорах H и J балки IG реакции RH и RJ, которые получим из уравнения равновесия балки IG:

, .

 

Тогда , .

При x2=0 ( в точке D) RH=0, RJ=0;

при x2=4м ( в точке I) RH=1, 6, RJ=-0, 6;

при x2=-2м ( в точке C) RH=-0, 8, RJ=0, 3.

 

Рис. 2.10

 

По этим значениям строим линии влияния RH и RJ на участке CI.

Сила находится на участке ВС (рис. 2.10, в). В этом случае из уравнения равновесия балки ВС имеем (). Тогда из уравнения равновесия балки CI получим

 

,

 

затем, рассматривая равновесие балки IG, окончательно получим

 

, .

 

При x3=0 ( в точке B) RH=0, RJ=0;

при x3=3м ( в точке C) RH=-0, 8, RJ=0, 3.

Достраиваем линии влияния RH и RJ на участке ВС. Если сила будет находиться на основной балке АВ, то RH=0, RJ=0, так как в этом случае отсутствуют реакции в шарнирах В, С, I и балка IG будет не загружена.

Линия влияния QK и MK (рис. 2.3, ж, з). Пусть сила находится на участке СК. (рис. 2.11, а). Из равновесия части СК получим

, ().

       
 
   
С
 


К
При x1=0 MK=-1, 5м; при x3=1, 5м, MK=0.

C
C
К
В
б)
К
Строим часть линий влияния Q и MK на участке СК. Пусть сила находится справа от сечения К (рис. 2.11, б), тогда, рассматривая равновесие части СК, получим MK=0, QK=0.

K
D
С
С
в)
При нахождении груза на балке ВС (рис. 2.11, в) реакция (). В шарнире С сила вызывает в сечении К:

Рис. 2.11

 


и .

При x2=0, QK=0, MK=0;

при x2=3м, QK=1, MK=-1, 5м.

Достраиваем линии влияния QК и MK на участке ВС. Если сила находится на балке АВ, то QK=0 и MK=0, так как в этом случае реакция RC=0.

Линии влияния QS и MS (рис. 2.3, и, к). Пусть сила находится на балке IG, но справа от сечения s, т.е. на участке SG (рис. 2.12, а). Выражаем QS и MS из равновесия части IS, тогда QS=RH, MS=RH ּ . Эти выражения позволяют, используя линию влияния RH (рис. 2.3, д), построить правую часть линии влияния QS и MS (на участке SG). То есть ординаты линии влияния QS равны ординатам линии влияния RH, а ординаты линии влияния MS равны ординатам линии влияния RH с множителем . Пусть сила находится слева от сечения S (на участке IS, на второстепенных балках CI и BC или на основной балке АВ (рис. 2.12, б). В этом случае из равновесия части SG получим QS=-RJ, MS=RJ ּ . Эти выражения позволяют, используя линию влияния RJ (рис. 2.3, е), построить левую часть линии влияния QS и MS (слева от сечения S). Для этого ординаты линии влияния QS принимаем равными ординатам линии влияния реакции RJ, но с обратным знаком, а ординаты линии влияния MS берем с множителем . Окончательные линии влияния показаны на рис. 2.3, и, к.

 

                                                         
   
     
I
     
D
         
           
 
   
 
 
     
           
 
 
 
   
 
 
   
 
   
 
   
   
 
     
 
   
 
 
 
   

 

 


RJ

                               
   
С
 
   
А
       
 
 
 
 
   
     
 
   
C
 
 
 
   
Рис. 2.12

 


Определение усилия по линиям влияния. При загружении n сосредоточенными силами величиной Рi и m, равномерно распределенными по нескольким участкам нагрузками интенсивностью qi значение усилия S по линии влияния этого усилия может быть определенно по формуле:

, (2.2)

где yi- ордината линии влияния S под силой Pi; ω i- площадь фигуры, ограниченной линией влияния S, на участке действия нагрузки qi (площадь линии влияния).

Используя формулу (2.2), вычислим, например, реакции RH и RJ, а также QК, MK, QS и MS от неподвижной нагрузки в заданной многопролетной балке (рис. 2.2, а) по линиям влияния соответствующих усилий (рис. 2.3, д – 2.3, к).

;

;

; ;

;

.

Приведенные результаты вычислений RH, RJ, QК, MK, QS, MS совпадают с выше приведенными аналитическими вычислениями.

Задача 2.2. Для рам, схемы которых изображены на рис. 2.13:

а) определить величины опорных реакций;

б) построить эпюры внутренних силовых факторов.

Исходные данные взять из табл. 2.2

Таблица 2.2

№ строки номер схемы l м h м а м р кН q кН/м
Вариант А Вариант В
1              
2              
3              
4              
5              
6              
7              
8              
9              
0              
  е д е д  

 

9
7
4
10
Рис. 2.13
8
5
6
3
2
1

l/2
l/2
18
16
15
14
13
12
11
Рис. 2.13. Окончание
17
19

д)
Рис. 2.14
а)
в)
б)
Рис. 2.15
г)

г)
в)
Рис. 2.16
б)
а)

 

Пример выполнения задачи 2.2. Для трехшарнирной рамы с затяжкой (рис. 2.14) определить опорные реакции XA, RA, RB, H и построить эпюры М, Q и N.

Решение. Определение опорных реакций. Реакции в опорах рассматриваемой рамы показаны на рис. 2.16, а. Составим уравнение суммы моментов относительно левой опоры

.

Решая это уравнение, находим реакцию RB = 8кН. Для вычисления реакции RA составляем уравнение суммы моментов относительно правой опоры

,

откуда RA=-0, 5 кН. Знак " минус" указывает на то, что реакция имеет противоположное направление, то есть направлена вниз.

Для проверки правильности найденных вертикальных реакций составляем уравнение суммы проекций

Σ y=-7, 5-0, 5+8=0.

Таким образом, реакции RA и RВ найдены правильно.

Величина реакций XA определяется из уравнения суммы проекций на горизонтальную ось:

Σ X=qּ 9- XA=0, откуда XA=36кН.

Приравняв нулю сумму моментов всех сил, действующих на левую часть рамы, относительно шарнира С, найдем усилие в затяжке:

откуда Н=10, 67 кН. Для проверки найденной величины Н составим уравнение моментов относительно шарнира С всех сил, действующих на правую часть рамы:

.

Построение эпюр М, Q, N. Рассматриваемая рама имеет семь участков, для которых должны быть составлены аналитические выражения М, Q и N. Номера участков показаны на рис. 2.16, а арабскими цифрами.

Первый участок (рис. 2.15, а, ) – имеем:

, , откуда ;

при x1=0, М1=0; при x1=1м, М1=31, 5кНּ м; при x1=2м, М1=63 кНּ м; при x1=3м, М1=90 кНּ м.

, , ;

при x1=0, Q1=36 кН; при x1=3м, Q1=24 кН.

, ;

Для второго участка (рис. 2.15, б, ) выражения для М1, Q1, N1 имеют вид:

;

;

;

при x2=0, М2=90 кНּ м, Q2=13, 33 кН;

при x2=6м, М2=97, 98кНּ м, Q2=-10, 67 кН.

Так как поперечная сила Q2 меняет знак, то момент на данном участке имеет экстремум. Приравняем выражение для Q2 нулю:

, откуда x2=3, 33м, то М2 =112, 21 кНּ м.

Третий участок (рис. 2.15, в, ). Получим выражения для М3, Q3 N3:

, ;

;

при x3=0, М3=97, 98 кНּ м;

при x3=5, М3=63, 97 кНּ м;

; ;

,

значение ординат Q3 не зависит от величины x3 и получим Q3= –6, 80 кН.

; ;

.

Величина N3 имеет постоянное значение по всему участку и равна

N3= –8, 24 кН.

Для четвертого и пятого участков проще рассматривать и записывать уравнения равновесия для правой части рамы. Рассмотрим равновесие части рамы, расположенной правее сечения 4-4 (рис. 2.15, г, ). Запишем уравнения внутренних усилий для четвертого участка:

; ; .

Составим уравнения для М5, Q5, N5 (рис. 2.15, д, ):

; ; .

На шестом и седьмом участках возникают только продольные усилия

, .

Эпюры М, Q, N для всей рамы показаны на рис. 2.16, б, в, г.

Контрольная работа №3

 


Поделиться с друзьями:

mylektsii.su - Мои Лекции - 2015-2026 год. (1.676 сек.)Все материалы представленные на сайте исключительно с целью ознакомления читателями и не преследуют коммерческих целей или нарушение авторских прав Пожаловаться на материал