Студопедия

Главная страница Случайная страница

КАТЕГОРИИ:

АвтомобилиАстрономияБиологияГеографияДом и садДругие языкиДругоеИнформатикаИсторияКультураЛитератураЛогикаМатематикаМедицинаМеталлургияМеханикаОбразованиеОхрана трудаПедагогикаПолитикаПравоПсихологияРелигияРиторикаСоциологияСпортСтроительствоТехнологияТуризмФизикаФилософияФинансыХимияЧерчениеЭкологияЭкономикаЭлектроника






Двухконтурная система подчиненного регулирования






Функциональная схема электропривода подчиненного регулирования с управлением по якорю приведена на рисунке 1.

Рисунок 1 – Функциональная схема электропривода подчиненного регулирования с управлением по якорю

Данная схема построена по принципу подчиненного регулирования. Регулятор внешнего контура – регулятор скорости, внутреннего регулятор тока. Контур регулирования тока предназначен для ограничения тока якоря при перегрузках и используется как дополнительное средство коррекции внешнего контура регулирования скорости. Контур регулирования скорости предназначен для регулирования и поддержания скорости с заданными показателями, совместно с заданитчиком интенсивности, формирования пуско-тормозных режимов (прямоугольная диаграмма тока якоря).

Обработка сигнала задания:

При обработке сигнала задания контуры работают одновременно, при этом регулятор внешнего контура формирует задание на внутренний контур (подчиненное регулирование).

Режим поддержания скорости: МС↑ ω ↓ UДС↓ UРС↑ UРТ↑ ЕТП ↑ IЯ ↑ ω ↑

Режим перегрузки:

МС↑ ↑ ω ↓ UДС↓ UРС= UБО

ЕД↓ IЯ ↑ UДТ↑ UРТ↓ ЕТП↓ UДТ= UБО

к =

Структурная схема системы:

Строится по функциональной схеме привода с учетом схемы включения регуляторов и применением обратных связей.


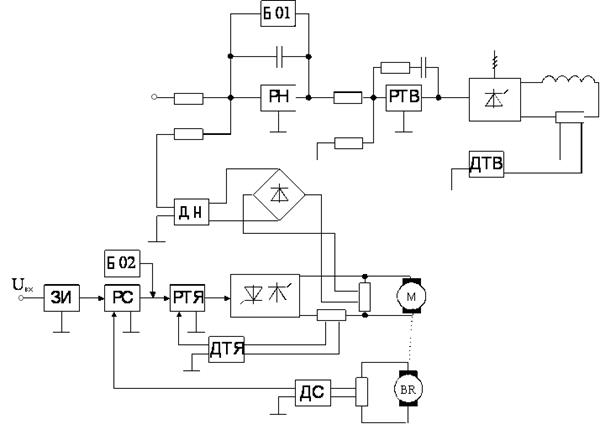
3.13.2 Тиристорный электропривод с двузонным регулированием скорости

Функциональная схема системы двузонного регулирования приведена на рисунке 3. Система состоит из четырёх контуров регулирования: контура регулирования тока возбуждения предназначенного для ограничения тока возбуждения и коррекции внешнего контура регулирования напряжения; контур регулирования напряжения предназначенный для ограничения напряжения при работе во второй зоне; контур регулирования тока якоря предназначенный для ограничения тока при перегрузках и коррекции контура регулирования скорости; контур регулирования скорости предназначенный для стабилизации скорости на заданном уровне, формирования процессов пуска и торможения.

Рисунок 3 – Функциональная схема системы двузонного регулирования

Обратная связь по ЭДС преобразователя применяется, если запас по напряжению якоря не большой, позволяет исключить уход преобразователя в насыщение и размыкание контуров регулирования.

Обратная связь по ЭДС двигателя позволяет контролировать перенапряжение в обмотке якоря – максимальное использование двигателя. При этом преобразователь должен иметь значительный запас.

БО1 – блок ограничения – ограничивает задание тока возбуждения.

Работа схемы:

При малых уровнях задания напряжение на якоре не велико, поэтому интегральный регулятор напряжения уходит в насыщение, ток возбуждения стабилизируется на номинальном уровне.

Работают 2 контура первой зоны аналогично схеме с управлением по якорю. При увеличении задания напряжение на якоре превышает уставку Uн.

Регулятор напряжения выходит в насыщение, снижается ток возбуждения, двигатель разгоняется, регулятор скорости и регулятор тока якоря снижают задание на преобразователь и напряжение якоря стабилизируется на уровне Uн.

При увеличении нагрузки уменьшение скорости отрабатывается регулятором скорости за счет увеличения напряжения на якоре. Затем перенапряжение снимается контурами второй зоны.

При настройке контур регулирования напряжения должен иметь меньше быстродействие, чем контур регулирования тока якоря. Обычно это обеспечивается автоматически.

ω т = , ω т – частота среза контура тока якоря

ω = , ω - частота среза контура тока возбуждения

τ тп и Тп – постоянные времени фильтра и запаздывание якорного преобразователя

3х-фазный мост:

τ тп = 1/300 (с), Тп = (2…4) τ тп

τ тв и Ттв – постоянные времени фильтра и запаздывание тиристорного возбудителя

Из-за меньшей мощности применяются тиристорные возбудители с однофазной схемой

1х-фазный мост:

τ тв = 1/1300 (с), Ттв = (2…4) τ тв

Твт = 0, 1Тв = 0, 1 , постоянная времени контура вихревых токов обмотки возбуждения

ω Н = < < ω Т, частота среза контура напряжения

К особенностям системы относятся изменение коэффициента передачи прямого канала контура рег. скорости во второй зоне, поэтому по мере увеличения скорости частота среза и точностные показатели КРС могут снижаться.

Для исключения ухудшения показателей можно применить адаптивный регулятор скорости – коэффициент передачи регулятора скорости должен изменяться обратно пропорционально току возбуждения или потоку.

В простых системах параметры рег. скорости выбираются в первой зоне, т.е. на малых скоростях при максимальном потоке и обязательно проверяется качество настройки на максимальной скорости и ХХ, т.е. при минимальном потоке.

Схема позволяет расширить диапазон регулирования скорости вверх от номинала.

Ограничение: механическая прочность двигателя проверяется только уставкой задания.

Система применяется в приводах прокатных станов, главный привод металлорежущих станков, приводы моталок.



Поделиться с друзьями:

mylektsii.su - Мои Лекции - 2015-2026 год. (2.319 сек.)Все материалы представленные на сайте исключительно с целью ознакомления читателями и не преследуют коммерческих целей или нарушение авторских прав Пожаловаться на материал