Студопедия

Главная страница Случайная страница

КАТЕГОРИИ:

АвтомобилиАстрономияБиологияГеографияДом и садДругие языкиДругоеИнформатикаИсторияКультураЛитератураЛогикаМатематикаМедицинаМеталлургияМеханикаОбразованиеОхрана трудаПедагогикаПолитикаПравоПсихологияРелигияРиторикаСоциологияСпортСтроительствоТехнологияТуризмФизикаФилософияФинансыХимияЧерчениеЭкологияЭкономикаЭлектроника






Асинхронный ЭП с регулированием частоты при постоянном потоке двигателя






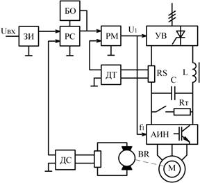
Система управления двухконтурная. Внешний контур регулирования скорости совместно с задатчиком интенсивности ЗИ формирует пуско-тормозные режимы.

РС (регулятор скорости) обычно пропорционально-интегральный.

Внутренний контур регулирования момента.

М = ψ ·I1· cosφ = ψ ·I1активный

Ψ – потокосцепление Ф·W

I1 – ток статора

Активная составляющая тока статора I1активный определяется по величине тока на выходе выпрямителя.

Постоянство потокосцепления ψ = const обеспечивается формированием соотношения напряжения и частоты.

Разные законы регулирования. Зависит от того, в каком диапазоне скоростей работаем.

= const ω ~ω о = const ω > ω о = const ω < < ω о

УВ – управляемый выпрямитель – тиристорный преобразователь, может выполняться по трансформаторной или безтрансформаторной схеме, обычно трехфазной мостовой.

В некоторых случаях применяется не регулируемый выпрямитель (диод). При этом функцию регулятора напряжения берет на себя автономный инвертор напряжения АИН (транзисторы инвертора работают в ШИМ режиме).

LC – сглаживающий фильтр, снижает пульсации тока на выходе выпрямителя. Через конденсатор замыкается реактивная составляющая тока двигателя – генератор реактивной мощности.

В приводах с торможением дополнительно цепь постоянного тока замыкается на тормозной резистор.

Диапазон регулирования скорости при скалярном управлении Дω < 100.

По сравнению с разомкнутой схемой момент привода снижается,

т.е. Мкр.дв. на 20%

Мпуск.- 30-40%

Диапазон регулирования ограничен минимальным уровнем напряжения и переходом двигателя на пониженных частотах в шаговый режим и главное снижением момента при уменьшении частоты на статоре.

Область применения – насосы, вентиляторы.

Это приводы не высокой точности.



Поделиться с друзьями:

mylektsii.su - Мои Лекции - 2015-2026 год. (4.623 сек.)Все материалы представленные на сайте исключительно с целью ознакомления читателями и не преследуют коммерческих целей или нарушение авторских прав Пожаловаться на материал