Студопедия

Главная страница Случайная страница

КАТЕГОРИИ:

АвтомобилиАстрономияБиологияГеографияДом и садДругие языкиДругоеИнформатикаИсторияКультураЛитератураЛогикаМатематикаМедицинаМеталлургияМеханикаОбразованиеОхрана трудаПедагогикаПолитикаПравоПсихологияРелигияРиторикаСоциологияСпортСтроительствоТехнологияТуризмФизикаФилософияФинансыХимияЧерчениеЭкологияЭкономикаЭлектроника






Система источник тока - двигатель






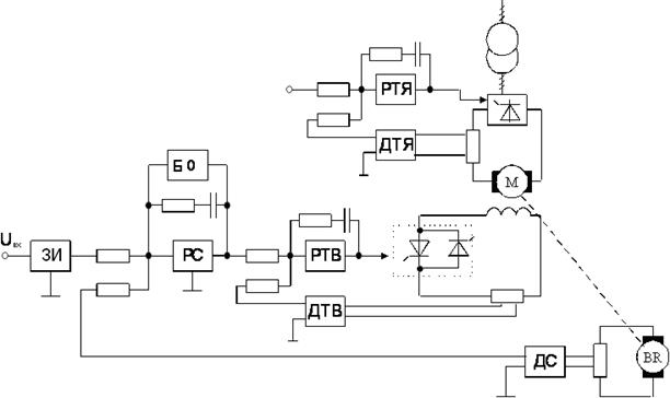
Функциональная схема системы «источник тока – двигатель» приведена на рисунке 2.

Рисунок 2 – Функциональная схема системы «источник тока – двигатель»

Данная схема содержит три контура: независимый контур регулирования тока якоря предназначенный для ограничения тока якоря в переходных режимах (колебания напряжения питания преобразователя, изменение скорости вращения и нагрузки) и стабилизации теплового режима работы двигателя; внутренний контур регулирования тока возбуждения предназначенный для ограничения тока возбуждения и момента двигателя и коррекции внешнего контура скорости; внешний контур регулирования скорости предназначенный для стабилизации скорости на задание рабочего цикла, формирования процессов пуска торможения, длительности включения, торможения.

Формирование пуско-тормозных режимов с помощью ЗИ – задатчика интенсивности.

Ограничение максимального момента – блок ограничения – регулятор скорости.

Реверс за счет смены полярности тока возбуждения.

Настройка системы:

1 КРТЯ (контур регулирования тока якоря) – выставляется UТ так, чтобы IЯ был близок к номиналу.

2 КРТВ (контур регулирования тока возбуждения).

3 Регулятор скорости

Блок ограничения - IВ выставляется на уровне максимально допустимого по режиму работы (нагрев и длительность перегрузки).

4 ЗИ (задатчик интенсивности) – формируется темп разгона и торможения.

Особенность системы:

- При изменении уставки тока якоря изменяются показатели качества регулирования скорости из-за изменения момента.

- Требуется перенастройка РС – регулятора скорости.

Преимущества:

1 Жесткое токоограничение. Практически исключена перегрузка двигателя. Система применяется в приводах механизмов с тяжелыми и особо тяжелыми условиями работы (экскаваторы, реверсивные прокатные станы).

2 Малая стоимость – реверсивный преобразователь ТПЯ рассчитывается на номинальную мощность двигателя.

В системах с управлением по якорю мощность ТПЯ завышается с учетом перегрузочной способности двигателя.

Недостатки:

1 Снижение КПД двигателя

Потери в якоре не зависят от нагрузки, при работе с ослабленным полем резко уменьшается КПД двигателя.

η ДВ =

2 Показатели качества хуже, чем в системах с управлением по якорю за счет более инерционного управления.

Частота среза контура скорости снижается до уровня 5-10 рад/с. Возможен резонанс с механической частью.

В режиме ХХ во всем диапазоне регулирования поток стабилизируется на нулевом уровне.

В реальных системах минимальный поток соответствует потерям ХХ в двигателе и передаче.

ЭДС преобразователя в режиме ХХ компенсирует только падение напряжения в силовой цепи. ЭДС двигателя равно 0.

При работе под нагрузкой

кФ1 =

И по мере роста скорости возрастает ЭДС преобразователя на величину ЭДС двигателя.

ЕДВ = кФ1ω

Если якорный преобразователь выходит в насыщение, то ток возбуждения увеличивается до максимального значения.

ЕПР = const

Предельные механические характеристики двигателей при различных системах управления приведены на рисунке 4.

 

Рисунок 4 – Предельные механические характеристики при различных системах управления: 1 – Схема подчиненного регулирования с управлением по якорю; 2 – Система «источник тока – двигатель»; 3 – Система двузонного регулирования



Поделиться с друзьями:

mylektsii.su - Мои Лекции - 2015-2026 год. (0.396 сек.)Все материалы представленные на сайте исключительно с целью ознакомления читателями и не преследуют коммерческих целей или нарушение авторских прав Пожаловаться на материал